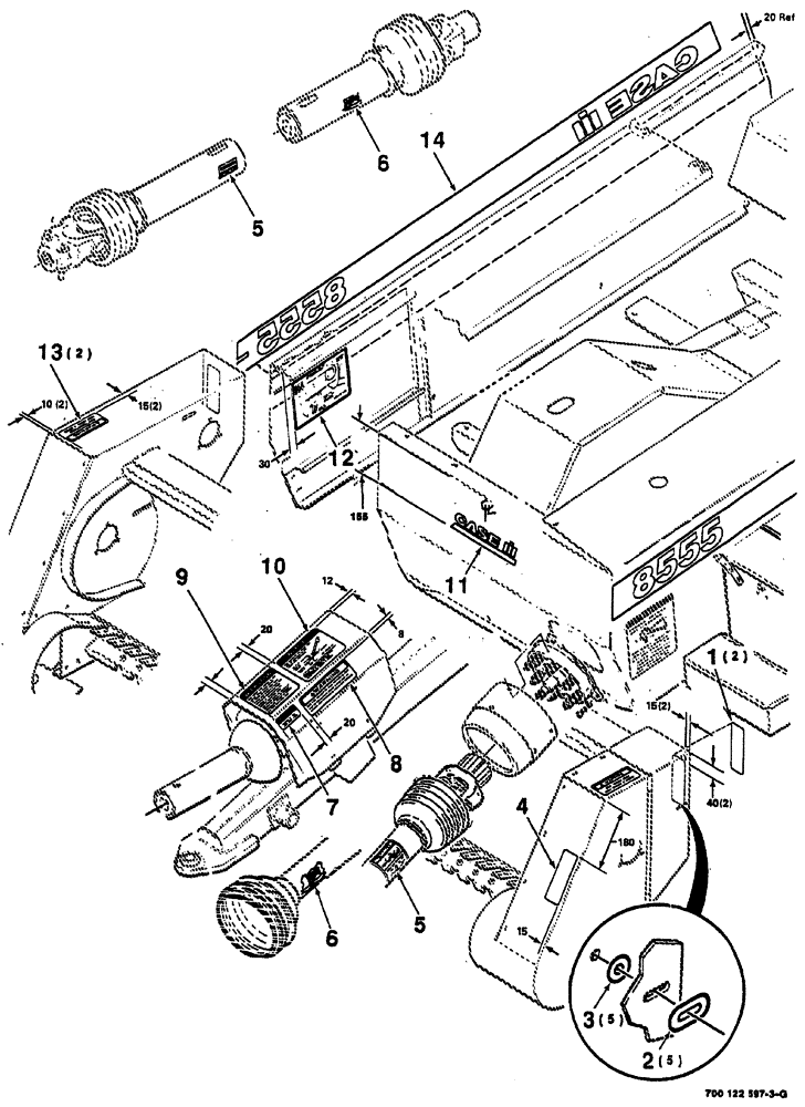
Запчасти Case IH 8555 (09-06) - DECALS AND LOCATION DIAGRAM (FRONT & RIGHT) (S.N. CFH0046950 AND LATER) Decals & Attachments

Схема запчастей Case IH 8555 - (09-06) - DECALS AND LOCATION DIAGRAM (FRONT & RIGHT) (S.N. CFH0046950 AND LATER) Decals & Attachments
3
5
2
7
10
11
6
4
13
9
14
12
8
1
5
6
FIT
1:1
100%

Артикул

Название

Примечание

Количество

1

878660

REFLECTOR

red

2шт.

2

700709867

DECAL

slot, camloc

5шт.

3

700709866

WASHER

washer, camloc

5шт.

4

878694

REFLECTOR

amber

1шт.

5

80672C1

DECAL

danger

2шт.

6

1326528C1

DECAL

danger, powerline

2шт.

7

7078256

DECAL

notice

1шт.

8

879197

DECAL

warning

1шт.

9

700714229

DECAL

caution

1шт.

10

700703908

DECAL

notice

1шт.

11

192848A2

DECAL

case IH

1шт.

12

700704659

DECAL

stuffer timing

1шт.

13

7778368

DECAL

warning

2шт.

14

700714365

DECAL

8555 combo, right

1шт.

Выбрано товаров: 14