Запчасти Case IH 8555 (02-14) - DRIVE ASSEMBLY (GEARBOX AND PLUNGER) Driveline

Схема запчастей Case IH 8555 - (02-14) - DRIVE ASSEMBLY (GEARBOX AND PLUNGER) Driveline
42
15
9
4
44
40
30
39
22
13
29
10
5
8
35
43
7
38
19
19
14
3
20
3
23
18
21
36
32
6
26
17
26
2
16
31
18
33
11
25
34
18
37
18
18
24
28
45
26
31
20
1
12
27
5
41
9
FIT
1:1
100%

Артикул

Название

Примечание

Количество

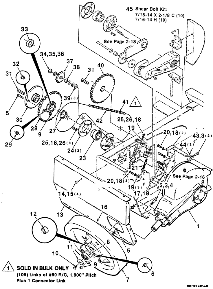
1

700108490

GEARBOX ASSY

1шт.

2

413-1032

BOLT,Hex, 5/8" - 11 x 2", Gr 5

1шт.

3

492-11062

BEARING WASHER,5/8"

3шт.

4

425-1010

NUT,5/8"-11, G5

1шт.

5

7884950

BOLT

SCREW hex cap, 7/16-14 x 2-1/8, grade 8

2шт.

6

7852718

SLEEVE

shear

1шт.

Part of Flywheel Assembly P/N 700108500

1шт.

7

700108500

BALER FLYWHEEL

ASSEMBLY, Includes: Ref. 6 and 12

1шт.

8

7895485

HUB

shear

1шт.

9

429-107

NUT,7/16"-14, G8

2шт.

10

7884737

BOLT,Spcl, Hex, 5/8" - 11 x 1 1/2", Gr 5, Full Thd

SCREW hex, Nylok, 5/8-11 x 1-1/2

1шт.

11

6522957

WASHER

1шт.

12

700703809

BRONZE BUSHING

bronze

1шт.

Part of Flywheel Assembly P/N 700108500

1шт.

13

700108499

SHIELD

front

1шт.

14

409-7612

BOLT,3/8"-16 x 1.09" OAL

4шт.

15

231-5146

FLANGE NUT,3/8"-16

4шт.

16

219-8

LUBE NIPPLE,1/4" - 28 NPTF

1шт.

17

413-816

BOLT,Hex, 1/2" - 13 x 1", Gr 5

1шт.

18

80679

LOCK WASHER,1/20.507 CST ZND

15шт.

19

705541

WASHER,0.53" ID x 1.06" OD x 0.14" Thk

hardened, plain, 1/2

4шт.

20

413-820

BOLT,Hex, 1/2" - 13 x 1-1/4", Gr 5

5шт.

21

7770787

FITTING,Sq Nk, 1/2" - 13 x 4", Gr 5, Full Thd

BOLT full thread round head square neck, 1/2-13 x 4

1шт.

22

700108515

ANGLE

1шт.

23

712158

SPHERICAL BEARING,2" ID x 100 mm OD

spherical

1шт.

24

714360

FLANGED BEARING

flange

2шт.

25

433-820

CARRIAGE BOLT,Sq Nk, 1/2" - 13 x 1 1/4", Gr 5

8шт.

26

425-108

NUT,1/2" - 13, Gr 5

10шт.

27

100-11275

SNAP RING,#275, Ext

1шт.

28

700108516

SPROCKET ASSY.

35T, Includes: Ref. 29 and 33

1шт.

29

700108519

SLEEVE

shear

1шт.

Part of Sprocket Assembly P/N 700108516

1шт.

30

700108520

HUB

ASSEMBLY, Includes: Ref. 32

1шт.

31

61747

KEY

GIB, 1/2 x 2-1/2

2шт.

32

6855837

SLEEVE

shear

1шт.

Part of Hub Assembly P/N 700108520

1шт.

33

700108528

BRONZE BUSHING

bronze

1шт.

Part of Sprocket Assembly P/N 700108516

1шт.

34

11-1248

CARRIAGE BOLT,Short NK, 3/4"-10 x 7 1/2", G2

round head square neck, 3/4-10 x 3

1шт.

35

492-11075

LOCK WASHER,3/4"

3/4"

1шт.

36

425-1012

NUT,3/4"-10, G5

1шт.

37

51200277

SPROCKET ASSY.

idler, 12T

1шт.

38

337527

SPACER

1шт.

39

705566

WASHER

hardened, plain, 3/4

3шт.

40

700108702

SPROCKET ASSY.

80B35

1шт.

41

654437R91

CHAIN (AG)

roller, No. 80, 10 foot bulk

1шт.

42

241-1418

SPRING CLIP

CONNECTOR link, No. 80, R/C

1шт.

43

413-1024

BOLT,Hex, 5/8" - 11 x 1-1/2", Gr 5

2шт.

44

396-21066

WASHER,16.66mm ID x 33.33mm OD x 4.27mm Thk

5/8" bolt size

2шт.

45

6521868

BOLT

KIT shear, consits of: P/N 7884950, 10 and 7774995, 10 % ' TO0 121 457-a-L

1шт.

Выбрано товаров: 50