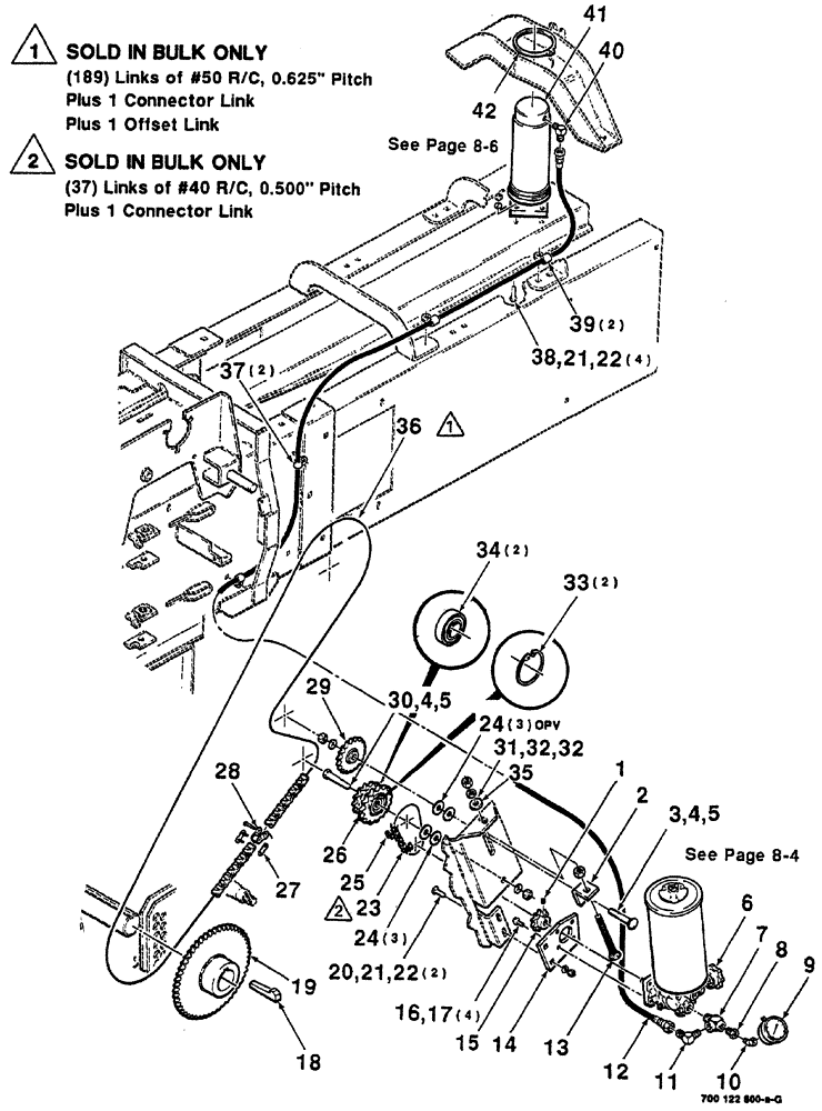
Запчасти Case IH 8555 (08-02) - HYDRAULIC BALE TENSIONER ASSEMBLY (07) - HYDRAULICS

Схема запчастей Case IH 8555 - (08-02) - HYDRAULIC BALE TENSIONER ASSEMBLY (07) - HYDRAULICS
22
29
7
14
8
11
4
42
12
36
1
21
5
34
3
30
26
25
24
39
22
13
24
41
38
28
40
37
9
31
2
35
21
4
18
16
32
10
27
33
5
32
15
17
19
6
23
20
FIT
1:1
100%

Артикул

Название

Примечание

Количество

1

83-1256

SET SCREW,Hex Soc, 1/4"-20 x 3/8"

set cup point hex socket, 1/4-20 x 3/8

1шт.

2

700112234

ANGLE

1шт.

3

433-1032

CARRIAGE BOLT,Sq Nk, 5/8" - 11 x 2", Gr 5

round head square neck, 5/8-11 x 2-1/2

1шт.

4

492-11062

BEARING WASHER,5/8"

2шт.

5

425-1010

NUT,5/8"-11, G5

2шт.

6

7892128

VALVE

PUMP ASSEMBLY gear

1шт.

7

217-1063

TEE,3/8" - 18 Female x 3/8" - 18 Male Run

1шт.

8

221-86

REDUCER,Hex, 3/8" x 1/4" NPT

reducer

1шт.

9

700703817

GAUGE

pressure

1шт.

10

217-1085

ELBOW,45 Degree, 1/4"-18 Female x 1/4"-18 Male

1шт.

11

218-1053

ELBOW,90 Degree, 9/16"-18, 37 Degree x 3/8"-18, NPTF

90°

1шт.

12

1279526C1

HYDRAULIC HOSE,6.35 mm ID x 2285.00 mm

1шт.

13

7770837

BOLT,Sq Nk, 1/2" - 13 x 6", Gr 5, Full Thd

full thread round head square neck, 1/2-13 x 6

1шт.

14

700121081

SUPPORT

mounting, pump

1шт.

15

7851082

SPROCKET ASSY.

40B10

1шт.

16

121-108

BOLT,Hex Flg, 5/16"-18 x 1 1/4", Serr

SCREW hex washer head machine, 5/16-18 x 1

4шт.

17

231-5145

SERRATED NUT,Flg, USR, 5/16"-18

4шт.

18

61747

KEY

1/2 x 2-1/2 , GIB

1шт.

19

700121080

SPROCKET ASSY.

WA, 50B52

1шт.

20

434-616

CARRIAGE BOLT,Sht Sq Nk, 3/8" - 16 x 1", Gr 5

2шт.

21

492-11038

LOCK WASHER,3/8"

6шт.

22

425-106

NUT,3/8"-16, Cl 5

6шт.

23

1790D

CHAIN (AG)

roller, No. 40, 10 foot bulk

1шт.

24

396-21066

WASHER,16.66mm ID x 33.33mm OD x 4.27mm Thk

5/8" bolt size

6шт.

25

241-1314

CHAIN LINK

connector, No. 40, R/C

1шт.

26

700121083

SPROCKET ASSY.

double, Includes: Ref. 33 and 34

1шт.

27

241-1315

LINK, CONNECTING

No. 50, R/C

1шт.

28

241-1715

LINK,15.88mm Pitch

offset, No. 50, R/C

1шт.

29

211623C91

SPROCKET

SPROCKET idler, 50-17T

1шт.

30

413-1044

BOLT,Hex, 5/8" - 11 x 2-3/4", Gr 5

hex cap, 5/8-11 x 2-3/4

1шт.

31

80679

LOCK WASHER,1/20.507 CST ZND

1шт.

32

425-108

NUT,1/2" - 13, Gr 5

2шт.

33

100-21156

SNAP RING,1.562", Int, #156

2шт.

Part of Sprocket Assembly P/N 700121083

1шт.

34

666624R91

BALL BEARING,16.26mm ID x 40mm OD x 18mm W

cylindrical

2шт.

Part of Sprocket Assembly P/N 700121083

1шт.

35

705541

WASHER,0.53" ID x 1.06" OD x 0.14" Thk

hardened, plain, 1/2

1шт.

36

1791D

CHAIN (AG),#50, 192 Links x 15.88mm = 3048mm

roller, No. 50, 10 foot bulk

1шт.

37

515-23159

CLAMP,5/8", Insul, 3/8" Bolt

Hose

2шт.

38

413-620

BOLT,Hex, 3/8" - 16 x 1-1/4", Gr 5

4шт.

39

700703825

CLAMP

2шт.

40

218-483

ELBOW,90 Degree Elbow, 9/16" - 18 Male JIC x 1/4" - 18 Male NPTF

90°

1шт.

41

700703899

CYLINDER

hydraulic

1шт.

42

7852148

RING, SNAP

RING SNAP retaining

1шт.

Выбрано товаров: 44