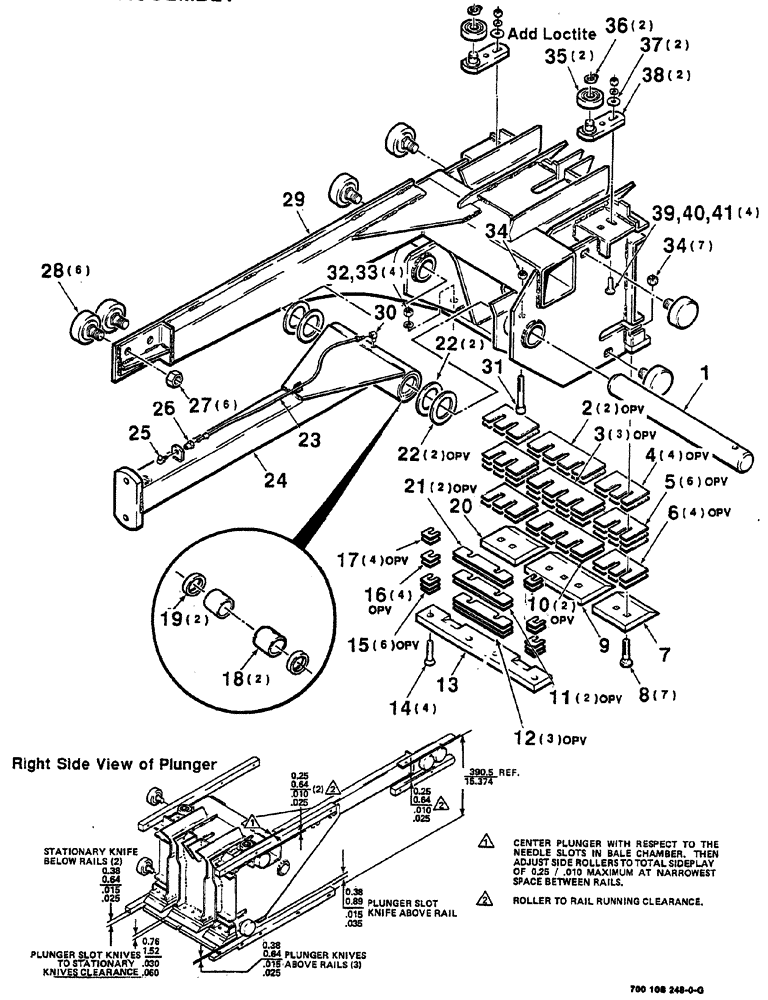
Запчасти Case IH 8555 (05-04) - PLUNGER ASSEMBLY (13) - FEEDER

Схема запчастей Case IH 8555 - (05-04) - PLUNGER ASSEMBLY (13) - FEEDER
9
25
31
4
36
5
10
39
13
15
34
18
12
6
35
29
11
30
32
16
24
37
26
19
1
23
34
22
22
41
20
8
33
14
3
40
2
27
38
7
17
21
28
FIT
1:1
100%

Артикул

Название

Примечание

Количество

1

700108244

SHAFT

plunger

1шт.

2

700108260

ADJUSTING PLATE

2шт.

3

700108263

ADJUSTING PLATE

3шт.

4

700108259

ADJUSTING PLATE

4шт.

5

700108262

ADJUSTING PLATE

6шт.

6

700108182

SHIM

4шт.

7

700703919

KNIFE

plunger, left

1шт.

8

419-3828

CARRIAGE BOLT,1/2” - 13 x 1-3/4” L, Gr 5

plow, 1/2-13 x 1-3/4

7шт.

9

700703917

KNIFE

plunger, center

1шт.

10

700108181

ADJUSTING PLATE

2шт.

11

700115415

SHIM

.010

2шт.

12

700115416

SHIM

.018

3шт.

13

700703916

KNIFE

plunger

1шт.

14

164-83

HEX SOC SCREW,Flat Hd, 5/8" - 11 x 2

hex socket flat countersunk head cap, 5/8-11 x 2

4шт.

15

700115419

SHIM

.018

6шт.

16

700115418

SHIM

.010

4шт.

17

700115420

SHIM

.034

4шт.

18

700703921

BUSHING,44.62mm ID x 49.33mm OD x 51.05mm L

split

2шт.

Part of Pitman Assembly P/N 700108249

1шт.

19

700703740

SEAL

grease

2шт.

Part of Pitman Assembly P/N 700108249

1шт.

20

700703920

KNIFE

plunger, right

1шт.

21

700115417

SHIM

.034

2шт.

22

51200383

BUSHING

narrow rim machinery, 1-3/4 x 14 guage

4шт.

23

700707006

LINE

grease

1шт.

24

700108249

PITMAN

ASSEMBLY, Includes: Ref. 18 and 19

1шт.

25

219-36

LUBE NIPPLE,45 Degree Elbow, 1/8" - 27 NPTF

Zerk, 1/8-27 x 90°

1шт.

26

700701485

HYD CONNECTOR

female

1шт.

27

231-46112

LOCK NUT,3/4"-16, GB

lock hex top, 3/4-16

6шт.

28

7713829

BEARING ASSY,19.56 mm ID x 63.75 mm OD

cam

6шт.

29

700120932

PLUNGER

WA

1шт.

30

222-1021

ELBOW,90 Degree, 3/8"-24 Inv Fl x 1/8" NPT

ELBOW male, 90°

1шт.

31

61-35044

HEX SOC SCREW,1/2" - 13 x 2-3/4"

hex socket head cap, 1/2-13 x 2-3/4, SPL

1шт.

32

492-11062

BEARING WASHER,5/8"

4шт.

33

425-1010

NUT,5/8"-11, G5

4шт.

34

230-4118

LOCK NUT,1/2"-13, GA

lock hex top, 1/2-13, GR/B

8шт.

35

667925R91

ROLLER BEARING,0.628" ID x 2" OD x 15 mm

2шт.

36

103-1162

SNAP RING,#62, Ext

2шт.

37

496-11041

WASHER,13/32" x 13/16" x .065", HDN

hardened, plain, 3/8

2шт.

38

700108245

SUPPORT

WA

2шт.

39

433-620

CARRIAGE BOLT,Sq Nk, 3/8" - 16 x 1 1/4", Gr 5

4шт.

40

492-11038

LOCK WASHER,3/8"

4шт.

41

425-106

NUT,3/8"-16, Cl 5

4шт.

Выбрано товаров: 43