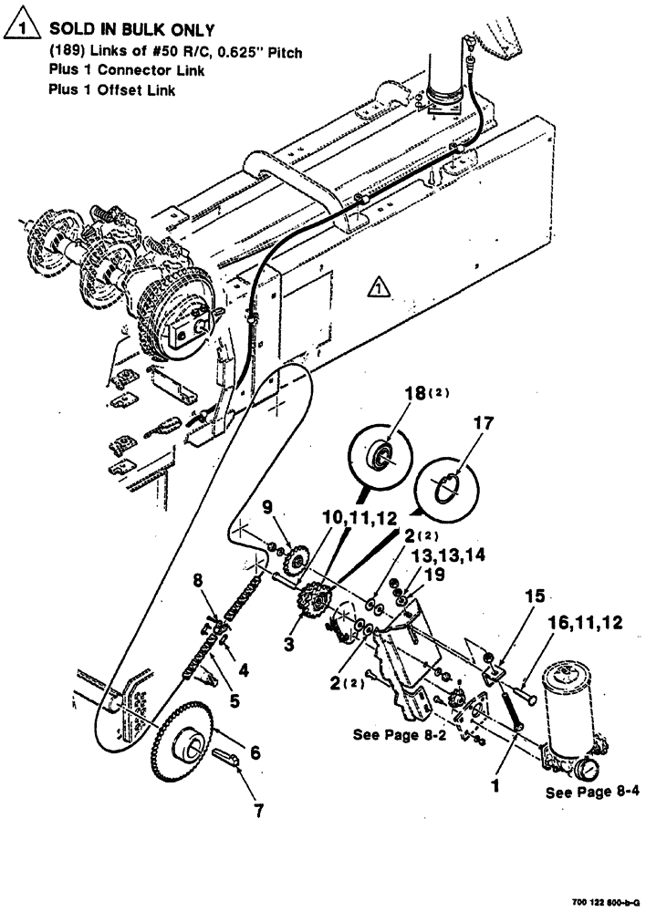
Запчасти Case IH 8555 (06-02) - KNOTTER DRIVE ASSEMBLY (14) - BALE CHAMBER

Схема запчастей Case IH 8555 - (06-02) - KNOTTER DRIVE ASSEMBLY (14) - BALE CHAMBER
16
13
8
13
12
4
2
7
17
5
15
14
1
11
19
9
12
2
6
3
11
10
18
FIT
1:1
100%

Артикул

Название

Примечание

Количество

1

7770837

BOLT,Sq Nk, 1/2" - 13 x 6", Gr 5, Full Thd

full thread round head square neck, 1/2-13 x 6

1шт.

2

396-21066

WASHER,16.66mm ID x 33.33mm OD x 4.27mm Thk

5/8" bolt size

4шт.

3

700121083

SPROCKET ASSY.

double, Includes: Ref. 17 and 18)

1шт.

4

241-1315

LINK, CONNECTING

1шт.

5

1791D

CHAIN (AG),#50, 192 Links x 15.88mm = 3048mm

roller, No. 50, 10 foot bulk

1шт.

6

700121080

SPROCKET ASSY.

WA, 52 teeth

1шт.

7

61747

KEY

1/2 x 2-1/2, GIB

1шт.

8

241-1715

LINK,15.88mm Pitch

offset

1шт.

9

211623C91

SPROCKET

sprocket idler, 17 teeth

1шт.

10

413-1044

BOLT,Hex, 5/8" - 11 x 2-3/4", Gr 5

hex cap, 5/8-11 x 2-3/4

1шт.

11

492-11062

BEARING WASHER,5/8"

2шт.

12

425-1010

NUT,5/8"-11, G5

2шт.

13

425-108

NUT,1/2" - 13, Gr 5

2шт.

14

80679

LOCK WASHER,1/20.507 CST ZND

1шт.

15

700112234

ANGLE

1шт.

16

433-1032

CARRIAGE BOLT,Sq Nk, 5/8" - 11 x 2", Gr 5

round head square neck, 5/8-11 x 2-1/2

1шт.

17

100-21156

SNAP RING,1.562", Int, #156

1шт.

Part of Sprocket Assembly P/N 700121083

1шт.

18

666624R91

BALL BEARING,16.26mm ID x 40mm OD x 18mm W

cylindrical

2шт.

Part of Sprocket Assembly P/N 700121083

1шт.

19

705541

WASHER,0.53" ID x 1.06" OD x 0.14" Thk

hardened, plain, 1/2

1шт.

Выбрано товаров: 21