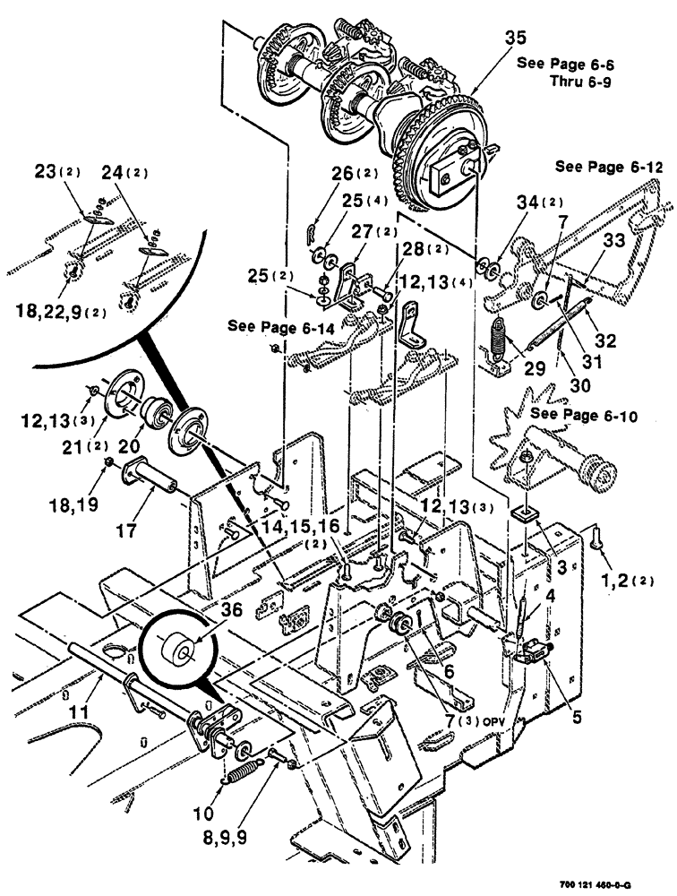
Запчасти Case IH 8555 (06-04) - KNOTTER ASSEMBLY (RASSPE) (14) - BALE CHAMBER

Схема запчастей Case IH 8555 - (06-04) - KNOTTER ASSEMBLY (RASSPE) (14) - BALE CHAMBER
9
32
16
1
13
9
5
2
12
8
6
29
13
35
15
36
3
18
9
33
10
17
11
19
12
21
12
14
34
27
7
20
30
24
25
23
25
31
28
22
13
7
4
18
26
FIT
1:1
100%

Артикул

Название

Примечание

Количество

1

433-820

CARRIAGE BOLT,Sq Nk, 1/2" - 13 x 1 1/4", Gr 5

2шт.

2

231-5148

FLANGE NUT,Flg, USR, 1/2"-13

2шт.

3

700118540

SPACER

1шт.

4

7058993

SPRING

extension

1шт.

5

7894470

COUNTER

bale

1шт.

6

62224

PIN, SPLIT (COTTER)

PIN, COTTER 3/16 x 1

1шт.

7

705566

WASHER

hardened, plain, 3/4

4шт.

8

413-520

BOLT,Hex, 5/16" - 18 x 1-1/4", Gr 5

hex cap, 5/16-18 x 1-1/4

1шт.

9

425-105

NUT,5/16"-18, G5

4шт.

10

7758147

SPRING

extension

1шт.

Use 7758147 prior to ordering 700714064

1шт.

700714064

SPRING

extension

1шт.

Use 7758147 prior to ordering 700714064

1шт.

11

700121067

SHAFT

finger twine, WA, Includes: Ref. 36

1шт.

12

433-612

CARRIAGE BOLT,Sq Nk, 3/8" - 16 x 3/4", Gr 5

10шт.

13

231-5146

FLANGE NUT,3/8"-16

10шт.

14

434-616

CARRIAGE BOLT,Sht Sq Nk, 3/8" - 16 x 1", Gr 5

2шт.

15

492-11038

LOCK WASHER,3/8"

2шт.

16

425-106

NUT,3/8"-16, Cl 5

2шт.

17

6553523

ANCHOR

MOUNT, WA

1шт.

18

433-512

CARRIAGE BOLT,Sq Nk, 5/16" - 18 x 3/4", Gr 5

3шт.

19

230-4215

NUT,5/16"-18, GA

Center

1шт.

20

51292

SPHERICAL BEARING,1.25" ID x 72 mm OD x 19 mm

1шт.

21

617863R1

FLANGED BEARING

bearing

2шт.

22

492-11031

LOCK WASHER,5/16"

2шт.

23

700705653

SHIELD

slot

2шт.

24

495-61034

WASHER,0.34" ID x 0.88" OD x 0.06" Thk

plain, 5/16 wide

2шт.

25

496-11041

WASHER,13/32" x 13/16" x .065", HDN

hardened, plain, 3/8

6шт.

26

T54573

PIN

wire cotter, .120

2шт.

27

700121069

SUPPORT

knotter

2шт.

28

141-11

CLEVIS PIN,3/8" x 1 1/4"

PIN, 3/8 x 1-1/4

2шт.

29

758268

SPRING

extension

1шт.

30

6530851

JACK

CHAIN bale counter

1шт.

31

432-1220

COTTER PIN,3/16" x 1 1/4"

1шт.

32

7758980

SPRING

extension

1шт.

Use 7758980 prior to ordering 700712484

1шт.

700712484

SPRING

extension

1шт.

Use 7758980 prior to ordering 700712484

1шт.

33

432-812

COTTER PIN,3/4" OAL x 1/8" W

1шт.

34

95-81182

WASHER,0.81" ID x 1.25" OD x 0.07" Thk

narrow rim machine bushing, 3/4 x 14 guage

2шт.

35

700121461

KNOTTER

ASSEMBLY

1шт.

36

6553424

ROLLER

1шт.

Part of Shaft P/N 700121067

1шт.

Выбрано товаров: 43