Запчасти Case IH 8555 (06-16) - SHUTTLE AND DRIVE ASSEMBLY (14) - BALE CHAMBER

Схема запчастей Case IH 8555 - (06-16) - SHUTTLE AND DRIVE ASSEMBLY (14) - BALE CHAMBER
11
23
3
29
3
30
15
25
7
31
9
9
21
8
28
6
12
14
22
13
27
10
5
1
9
16
24
19
26
4
18
7
20
2
14
17
FIT
1:1
100%

Артикул

Название

Примечание

Количество

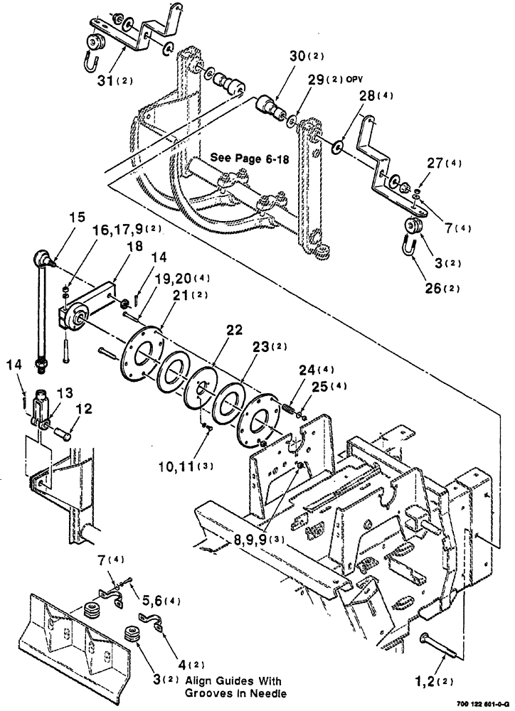
1

433-1096

CARRIAGE BOLT,Sq Nk, 5/8" - 11 x 6", Gr 5

BOLT round head square neck, 5/8-11 x 6

2шт.

2

232-53110

FLANGE NUT,Flg, 5/8"-11

lock hex flange top, 5/8-11, GR/G

2шт.

3

700711131

GUIDE

4шт.

4

700122493

SUPPORT

2шт.

5

413-512

BOLT,Hex, 5/16" - 18 x 3/4", Gr 5

4шт.

6

492-11031

LOCK WASHER,5/16"

4шт.

7

496-21034

WASHER,11/32" x 11/16" x 0.89", HDN

8шт.

8

413-640

BOLT,Hex, 3/8" - 16 x 2-1/2", Gr 5

3шт.

9

425-106

NUT,3/8"-16, Cl 5

8шт.

10

413-48

BOLT,Hex, 1/4" - 20 x 1/2", Gr 5

3шт.

11

492-11025

LOCK WASHER,1/4"

3шт.

12

A35113

PIN

clevis, 3/4 x 2

1шт.

13

700121064

CLEVIS

1шт.

14

432-816

COTTER PIN,1/8" x 1"

2шт.

15

700709743

TIE-ROD

TIE ROD

1шт.

16

413-652

BOLT,Hex, 3/8" - 16 x 3-1/4", Gr 5

2шт.

17

492-11038

LOCK WASHER,3/8"

2шт.

18

700121480

ARM

shuttle, WA

1шт.

19

413-440

BOLT,Hex, 1/4" - 20 x 2-1/2", Gr 5

4шт.

20

230-4214

LOCK NUT,1/4"-20, GA

Center

4шт.

21

700121479

PLATE

brake

2шт.

22

700121478

DISC

brake

1шт.

23

700711025

CLUTCH PLATE,92mm ID x 161.92mm OD x 3.18mm Thk

friction

2шт.

24

7758154

SPRING

compression

4шт.

25

496-11028

WASHER,9/32" x 5/8" x .065, HDN

hardened, plain, 1/4

4шт.

26

51200861

U-BOLT

2шт.

27

230-4215

NUT,5/16"-18, GA

Center

4шт.

28

495-21069

WASHER,5/8"

plain, 5/8 wide

4шт.

29

495-81205

WASHER,32.54mm ID x 50.8mm OD x 1.7mm Thk

narrow rim machinery bushing, 1-1/4 x 18 guage

2шт.

30

700121065

BEARING,17.097 mm ID x 31.55 mm OD x 108 mm

shuttle

2шт.

31

700121066

SUPPORT

2шт.

Выбрано товаров: 31