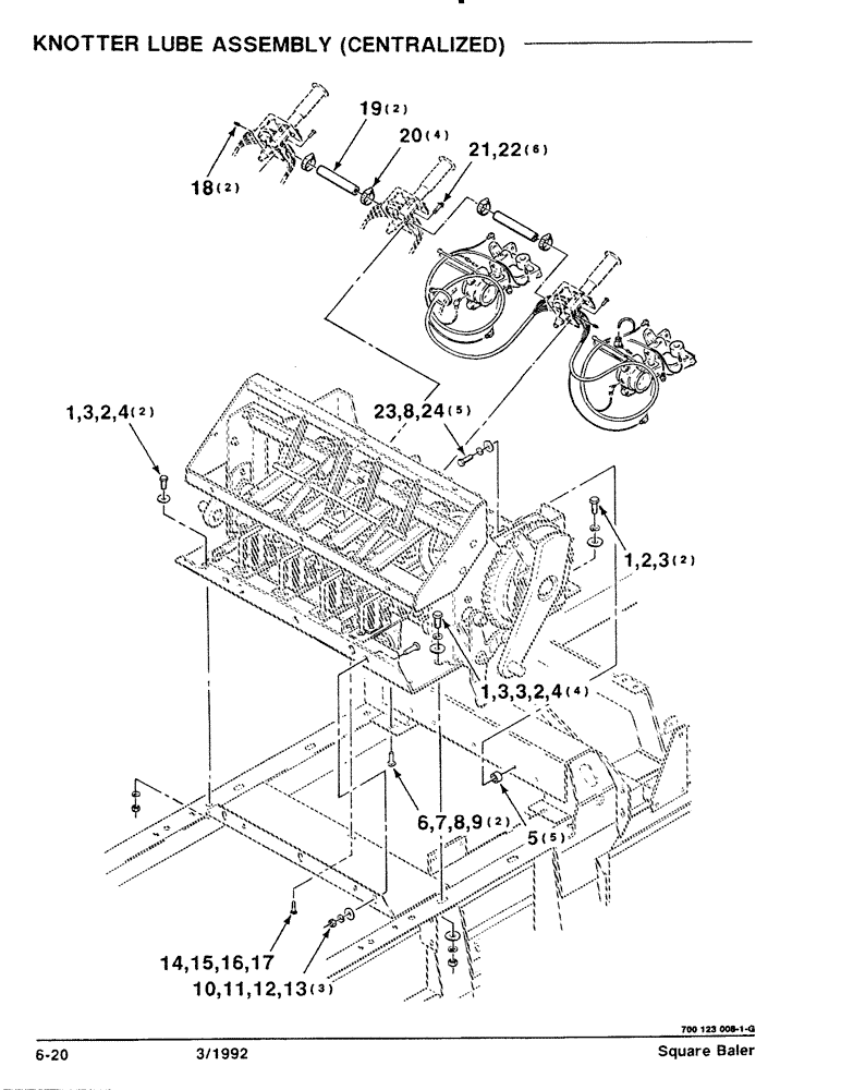
Запчасти Case IH 8570 (6-20) - KNOTTER LUBE ASSEMBLY, CENTRALIZED (14) - BALE CHAMBER

Схема запчастей Case IH 8570 - (6-20) - KNOTTER LUBE ASSEMBLY, CENTRALIZED (14) - BALE CHAMBER
5
4
23
1
15
22
3
3
7
2
8
12
8
6
14
11
1
2
2
9
4
17
10
16
1
3
18
3
13
24
20
19
21
FIT
1:1
100%

Артикул

Название

Примечание

Количество

1

7701196

BOLT,Hex, 3/4" - 10 x 1 3/4", Gr 5

3/4-10 X 1-3/4 C

8шт.

2

705111

LOCK WASHER,3/4"

3/4"

8шт.

3

705566

WASHER

3/4 HARDENED PLAIN WASHER

12шт.

4

704528

NUT,3/4"-10, G5

3/4-10 H

6шт.

5

6591614

SPACER,14.27mm ID x 23.01mm OD x 13mm L

5шт.

6

68619

BOLT,Round, 1/2" - 13 x 1 1/4", Grade 5

1/2-13 X 1-1/4 RHSNB

2шт.

7

705541

WASHER,0.53" ID x 1.06" OD x 0.14" Thk

1/2 HARDENED PLAIN WASHER

2шт.

8

80679

LOCK WASHER,1/20.507 CST ZND

WASHER, LOCK, 1/2"

7шт.

9

86516876

COVER

1/2-13 H

2шт.

10

7870140

BOLT,Sq Nk, 5/8" - 11 x 1 1/2", Gr 5

5/8-11 X 1-1/2 RHSNB

3шт.

11

705582

WASHER

5/8 HARDENED PLAIN WASHER

3шт.

12

705061

PLUG

5/8"

3шт.

13

704130

NUT,5/8"-11, G5

5/8-11 H

3шт.

14

700054

CARRIAGE BOLT,Sq Nk, 3/8" - 16 x 1 1/4", Gr 5

3/8-16 X 1-1/4 RHSNB

1шт.

15

80702

WASHER,0.44" ID x 1" OD x 0.08" Thk

3/8 HARDENED PLAIN WASHER

1шт.

16

705038

CONTROL VALVE

3/8"

1шт.

17

704023

NUT,3/8"-16, G5

3/8-16 H

1шт.

18

217-430

PLUG,Hex Soc, 1/8" - 27 NPTF

1/8 PIPE PLUG,Wire Assembly #16 Wire, 8

2шт.

19

700706281

FLEXIBLE HOSE

HOSE - GREASE

2шт.

20

7020019

HOSE CLAMP

CLAMP - HOSE

4шт.

21

7883275

SCREW,Hex Washer, 1/4" - 20 x 3/4"

1/4-20 X 3/4 HWHMS

6шт.

22

1703354

NUT

1/4-20 HFTLN GR/G

6шт.

23

703983

BOLT,Hex, 1/2" - 13 x 1 3/4", Gr 5

1/2-13 X 1-3/4 C

5шт.

24

700709605

WASHER,1/2"

1/2 WIDE PLAIN WASHER

5шт.

Выбрано товаров: 0