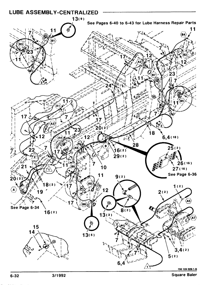
Запчасти Case IH 8570 (6-32) - LUBE ASSEMBLY, CENTRALIZED (14) - BALE CHAMBER

Схема запчастей Case IH 8570 - (6-32) - LUBE ASSEMBLY, CENTRALIZED (14) - BALE CHAMBER
23
6
7
26
1
3
18
7
6
12
11
20
29
11
17
4
17
17
11
22
11
13
11
7
17
2
13
27
12
23
11
7
12
7
10
16
25
12
28
11
5
11
9
4
15
19
8
16
21
13
7
4
24
7
12
14
7
7
20
11
23
17
18
17
FIT
1:1
100%

Артикул

Название

Примечание

Количество

1

700000244

ELBOW

1/8-27 X 45 DEGREE STREET ELL

2шт.

2

700706798

FLEXIBLE HOSE

HOSE ASSEMBLY

2шт.

3

703603

SCREW

3/8-16 X 1-1/2 C

2шт.

4

704734

FLANGE NUT,Flg, 3/8"-16

3/8-16 HFTLN GRG

21шт.

5

700113671

CLAMP

- LINE

2шт.

6

7883382

BOLT,Hex, 3/8" - 16 x 1", Gr 120M

3/8-16 X 1 HWHMS

19шт.

7

751487

CLAMP

1/2 ID CLAMP

9шт.

8

700706840

HYD CONNECTOR

CONNECTOR - FEMALE

2шт.

9

700706842

ELBOW

90 DEGREE ELBOW - MALE

2шт.

10

700123990

HARNESS

- LUBE, PICKUP

1шт.

11

700706682

FRONT AXLE

1/8-27 X 90 DEGREE ELBOW

9шт.

12

700706683

HYD CONNECTOR

CONNECTOR - MALE

5шт.

13

700706679

FERRULE

SLEEVE - BALL

16шт.

14

705525

WASHER

5/16 HARDENED PLAIN WASHER

1шт.

15

700707011

HOLDER

- GREASE GUN

1шт.

16

7701444

SCREW

10-32 X 1-3/4 HWHMS

4шт.

17

751628

CLAMP

1/4 ID CLAMP

8шт.

18

86624005

CLAMP,19mm, Coat, 10.3mm Bolt Hole, P Type

3/4 ID CLAMP

3шт.

19

700123987

HARNESS

- LUBE, FRONT

1шт.

20

704445

NUT

10-32 H

4шт.

21

700123988

HARNESS

- LUBE, LEFT

1шт.

22

827238

GROMMET,5/8" ID x 1 1/4" Groove Dia, Str Cut

1шт.

23

214-1412

HOSE CLAMP,#12, 0.69" - 1.25", Type F Worm

CLAMP - HOSE

5шт.

24

7827561

GROMMET

1шт.

25

77115

FITTING

1/8-27 X 90 DEGREE ZERK

2шт.

26

700706684

HYD CONNECTOR

NUT - COMPRESSION

16шт.

27

700706678

FERRULE

16шт.

28

700123989

HARNESS

- LUBE, REAR

1шт.

29

700706837

MANIFOLD

VALVE BLOCK - LUBE

2шт.

Выбрано товаров: 0