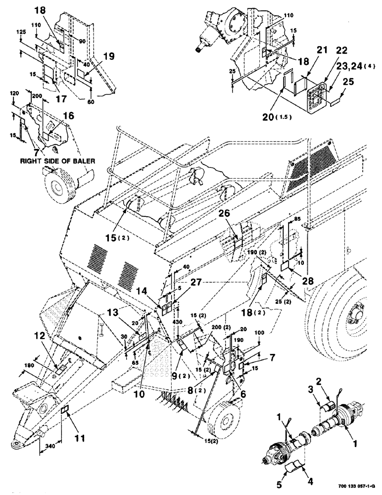
Запчасти Case IH 8575 (9-04) - DECALS AND LOCATION DIAGRAM, OPERATIONAL Decals & Attachments

Схема запчастей Case IH 8575 - (9-04) - DECALS AND LOCATION DIAGRAM, OPERATIONAL Decals & Attachments
18
1
28
16
24
5
13
17
2
12
18
23
18
11
1
6
19
9
25
22
14
3
26
27
20
10
8
7
32
4
15
FIT
1:1
100%

Артикул

Название

Примечание

Количество

1

700715035

DECAL

-WARNING

2шт.

2

700708583

DECAL

-DANGER,SHIELD MISSING

1шт.

3

700715036

DECAL

-LABEL CERTIFICATION

1шт.

4

700715034

DECAL

-LABEL CERTIFICATION

1шт.

5

80672C1

DECAL

-DANGER, ROTATING DRIVELINE

1шт.

6

700711094

DECAL

-DRIVE, LEFT

1шт.

7

700714661

REFLECTOR

-AMBER

2шт.

8

700714660

REFLECTOR

-UNCOLORED

2шт.

9

700714570

DECAL

-PICKUP

2шт.

10

700714067

DECAL

-CE

1шт.

11

700715155

DECAL

-PARK, BRAKE

1шт.

12

700715051

DECAL

-PTO, 1000

1шт.

13

700715154

DECAL

-BRAKE, FLYWHEEL

1шт.

14

700714074

DECAL

-READ, MANUAL

1шт.

15

700711336

DECAL

-INDICATOR

2шт.

16

700711095

DECAL

-DRIVE, RIGHT

1шт.

17

700715159

DECAL

-STUFFER, ADJUST

1шт.

18

700714572

DECAL

-CLOSE, SHIELD

4шт.

19

700711092

DECAL

-DRIVE, PACKER

1шт.

20

700714617

TAPE

-DOUBLE

1.5шт.

21

700131827

HOLDER

MOUNT-HOLDER, MANUAL

1шт.

22

700714418

HOLDER

-MANUAL

1шт.

23

440-1258

SCREW,Cross Pan Hd, 1/4"-20 x 1/2"

1/4-20 X 1/2 CRPHMS GR60M

4шт.

24

231-5144

SERRATED NUT,Flg, USR, 1/4"-20

4шт.

25

700714585

DECAL

-MANUAL, HOLDER

1шт.

26

8877334

DECAL

1шт.

27

700715192

DECAL

-ENGINE, OFF

1шт.

28

700706990

DECAL

-TWINE, TENSION

1шт.

Выбрано товаров: 28