Запчасти Case IH 8575 (3-04) - PICKUP MOUNTING ASSEMBLY Pickup

Схема запчастей Case IH 8575 - (3-04) - PICKUP MOUNTING ASSEMBLY Pickup
15
13
12
17
16
7
5
19
14
4
6
2
1
20
4
11
10
9
21
8
3
5
18
FIT
1:1
100%

Артикул

Название

Примечание

Количество

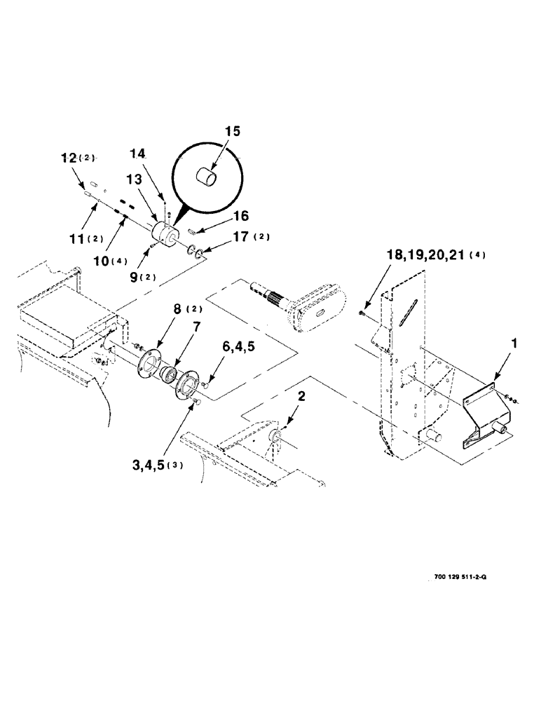
1

700123797

SUPPORT

-PICKUP, LEFT

1шт.

2

219-1

LUBE NIPPLE,1/8" - 27 NPTF

1/8-27 ZERK

1шт.

3

433-824

CARRIAGE BOLT,Sq Nk, 1/2" - 13 x 1 1/2", Gr 5

1/2-13 X 1-1/2 RHSNB

3шт.

4

80679

LOCK WASHER,1/20.507 CST ZND

WASHER, LOCK, 1/2"

4шт.

5

425-108

NUT,1/2" - 13, Gr 5

NUT, , Hex 1/2"-13, G5

4шт.

6

433-816

CARRIAGE BOLT,Sq Nk, 1/2" - 13 x 1", Gr 5

1/2-13 X 1 RHSNB

1шт.

7

664073R92

BALL BEARING,38.1mm ID x 80mm OD x 21mm W

BEARING

1шт.

8

50575

FLANGE

2шт.

9

83-616

SET SCREW,Hex Soc, 3/8"-16 x 1"

3/8-16 X 1 CPHSSS

2шт.

10

58511

COMPRESSION SPRING

SPRING-COMPRESSION

4шт.

11

700108669

LARGE PLATE

PLATE

2шт.

12

37-1820

DOWEL,1/2" x 1 1/4"

1/2 X 1-1/4 PIN-DOWEL

2шт.

13

700123811

HUB

ASSEMBLY (Includes Ref: 15)

1шт.

14

219-8

LUBE NIPPLE,1/4" - 28 NPTF

NIPPLE, LUBE, 1/4"-28 NPT x .54" lg

1шт.

15

740233

BUSHING

-OILITE

1шт.

16

Q63

KEY,3/8" Sq x 1 1/2", Par

3/8 X 3/8 X 1-1/2 KEY

1шт.

17

NLS

NO LONGER SERVICED

1-1/2 X 14 GAUGE NRMB

2шт.

18

433-620

CARRIAGE BOLT,Sq Nk, 3/8" - 16 x 1 1/4", Gr 5

BOLT, CARRIAGE, Short NK, 3/8"-16 x 1 1/4", G5

4шт.

19

496-11041

WASHER,13/32" x 13/16" x .065", HDN

3/8 HARDENED PLAIN WASHER

4шт.

20

492-11038

LOCK WASHER,3/8"

4шт.

21

425-106

NUT,3/8"-16, Cl 5

4шт.

Выбрано товаров: 21