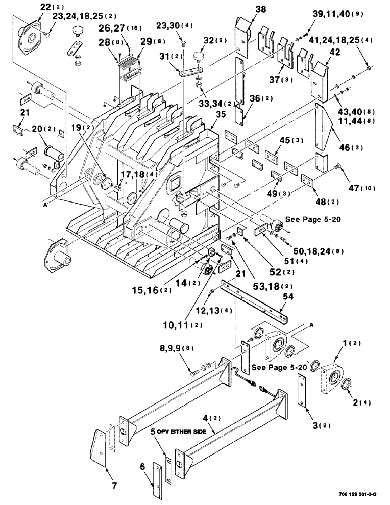
Запчасти Case IH 8575 (5-18) - PLUNGER ASSEMBLY (13) - FEEDER

Схема запчастей Case IH 8575 - (5-18) - PLUNGER ASSEMBLY (13) - FEEDER
7
47
20
45
24
26
36
18
8
44
11
2
30
16
48
38
23
19
4
5
28
27
41
11
49
18
37
17
43
14
39
18
54
18
24
18
24
15
3
21
22
50
6
35
25
52
25
34
53
40
12
51
10
32
21
29
23
11
33
31
46
1
13
9
40
9
42
FIT
1:1
100%

Артикул

Название

Примечание

Количество

1

219-8

LUBE NIPPLE,1/4" - 28 NPTF

NIPPLE, LUBE, 1/4"-28 NPT x .54" lg

2шт.

2

700123199

SPACER

4шт.

3

700123198

LARGE PLATE

PLATE

2шт.

4

700129482

ROD

CONNECTOR ROD ASSEMBLY

2шт.

5

700123200

SHIM

1шт.

6

700123201

SCRAPER

-LEFT

1шт.

7

700123202

SCRAPER

-RIGHT

1шт.

8

326-1028

BOLT,Hex, 5/8" - 11 x 1-3/4", Gr 8

8шт.

9

396-21066

WASHER,16.66mm ID x 33.33mm OD x 4.27mm Thk

- 5/8" bolt size 21/32" x 1 5/16" x .150", HDN

16шт.

10

413-624

BOLT,Hex, 3/8" - 16 x 1-1/2", Gr 5

2шт.

11

492-11038

LOCK WASHER,3/8"

19шт.

12

154273C1

BOLT,Hex Serr, 3/8" - 16 x 1", Spcl

3/8-16 X 1 HFSS

4шт.

13

231-5146

FLANGE NUT,3/8"-16

4шт.

14

700124033

BLOCK

-PUSHER

2шт.

15

873083

SCREW

3/8-16 X 1-1/2 FTC

2шт.

16

425-146

JAM NUT,3/8" - 16, Gr 5

2шт.

17

413-824

BOLT,Hex, 1/2" - 13 x 1-1/2", Gr 5

4шт.

18

80679

LOCK WASHER,1/20.507 CST ZND

WASHER, LOCK, 1/2"

20шт.

19

700113192

WASHER

PLATE

2шт.

20

700123196

SHAFT

2шт.

21

700123195

BAR

2шт.

22

700123175

SUPPORT

WA

2шт.

23

433-820

CARRIAGE BOLT,Sq Nk, 1/2" - 13 x 1 1/4", Gr 5

1/2-13 X 1-1/4 RHSNB

6шт.

24

495-21056

WASHER,1/2"

1/2 HARDENED PLAIN WASHER

14шт.

25

425-108

NUT,1/2" - 13, Gr 5

NUT, , Hex 1/2"-13, G5

6шт.

26

413-516

BOLT,Hex, 5/16" - 18 x 1", Gr 5

16шт.

27

232-5315

FLANGE NUT,Flg, 5/16"-18

5/16-18 HFTLN GR/G

16шт.

28

700129690

RETAINER

8шт.

29

700713894

BRUSH

8шт.

30

231-5348

FLANGE NUT,Flg, 1/2"-13

1/2-13 HFTLN GR/G

4шт.

31

700123184

LARGE PLATE

PLATE

2шт.

32

7713829

BEARING ASSY,19.56 mm ID x 63.75 mm OD

-CAM

2шт.

33

492-11075

LOCK WASHER,3/4"

3/4"

2шт.

34

425-1112

NUT,3/4"-16, G5

3/4-16 H

2шт.

35

700129680

PLUNGER

WA

1шт.

36

700123192

ANGLE

2шт.

37

700113187

ANTI-WRAP PLATE

PLATE

3шт.

38

700123186

LARGE PLATE

PLATE WA - RIGHT

1шт.

39

413-616

BOLT,Hex, 3/8" - 16 x 1", Gr 5

9шт.

40

496-11041

WASHER,13/32" x 13/16" x .065", HDN

3/8 HARDENED PLAIN WASHER

17шт.

41

433-816

CARRIAGE BOLT,Sq Nk, 1/2" - 13 x 1", Gr 5

1/2-13 X 1 RHSNB

4шт.

42

700123185

LARGE PLATE

PLATE WA - LEFT

1шт.

43

434-616

CARRIAGE BOLT,Sht Sq Nk, 3/8" - 16 x 1", Gr 5

3/8-16 X 1 RHSNB

8шт.

44

425-106

NUT,3/8"-16, Cl 5

8шт.

45

700113188

KNIFE

3шт.

46

700123193

ANGLE

2шт.

47

61-46224

HEX SOC SCREW,FLAT, 5/8" x 1-1/2"

5/8-11 X 1-1/2 HSFCHCS

10шт.

48

700123194

KNIFE

2шт.

49

700113189

BAR

3шт.

50

413-820

BOLT,Hex, 1/2" - 13 x 1-1/4", Gr 5

8шт.

51

700124030

LARGE PLATE

PLATE

4шт.

52

700124031

LARGE PLATE

PLATE-PUSHER

2шт.

53

413-816

BOLT,Hex, 1/2" - 13 x 1", Gr 5

2шт.

54

700123197

ANGLE

1шт.

Выбрано товаров: 54