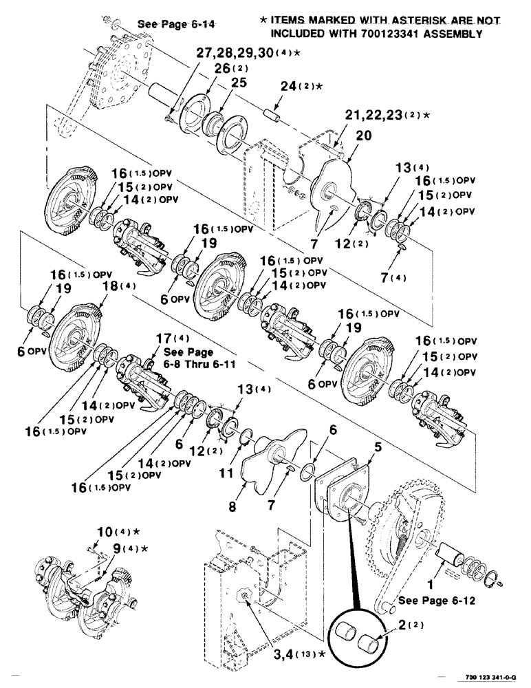
Запчасти Case IH 8575 (6-06) - KNOTTER DRIVE AND CAM ASSEMBLY, 700123341 KNOTTER ASSEMBLY COMPLETE, INCLUDES PAGES 6-6 THRU 6-13 (14) - BALE CHAMBER

Схема запчастей Case IH 8575 - (6-06) - KNOTTER DRIVE AND CAM ASSEMBLY, 700123341 KNOTTER ASSEMBLY COMPLETE, INCLUDES PAGES 6-6 THRU 6-13 (14) - BALE CHAMBER
7
27
16
16
7
16
14
15
6
13
14
11
24
19
9
16
30
10
25
23
12
3
12
19
2
21
6
15
15
15
26
16
14
13
14
22
6
18
16
6
15
15
20
5
14
4
14
8
7
16
28
17
29
16
1
6
19
16
FIT
1:1
100%

Артикул

Название

Примечание

Количество

700123341

KNOTTER

ASSEMBLY COMPLETE

1шт.

1

700123342

SHAFT

-KNOTTER

1шт.

2

6565014

BRONZE BUSHING,89.08mm ID x 101.8mm OD x 44.58mm L

BUSHING

2шт.

3

413-820

BOLT,Hex, 1/2" - 13 x 1-1/4", Gr 5

13шт.

4

230-4118

LOCK NUT,1/2"-13, GA

1/2-13 HTLN GR/B

13шт.

5

6844773

ASSEMBLY

MOUNTING ASSEMBLY (Includes Ref: 2)

1шт.

6

6523500

WASHER

BUSHING

5шт.

7

126-40

WOODRUFF KEY,#G, 3/8" x 1 1/2"

6шт.

8

700123346

CAM

WA-TWINE

1шт.

9

S120261

PIN

.148 WIRE HAIRPIN COTTER

4шт.

10

063586

CLEVIS PIN

3/8 X 1-1/8 CLEVIS PIN

4шт.

11

101-11215

SNAP RING,#215, 2.026", Ext

RING, SNAP, , Retaining #215, 2.026", Ext

1шт.

12

6591457

SHIM

-HALF, ADJUSTABLE

4шт.

13

168-24

DRIVE SCREW,Type U, Rnd Hd, #10 - 24 x 1/2"

#10 X 1/2 ROUNG HEAD SCREW

8шт.

14

6613665

SHIM,57.15mm ID x 76.2mm OD x 0.13mm Thk

-.005

12шт.

15

6523534

SHIM

12шт.

16

6523542

SHIM

-.031

13.5шт.

17

700113321

KNOTTER

HEAD ASSEMBLY-KNOTTER

4шт.

18

700100868

CAM

GEAR-KNOTTER

4шт.

19

6591549

SPACER

3шт.

20

700123344

CAM

WA-TUCKER

1шт.

21

413-1060

BOLT,Hex, 5/8" - 11 x 3-3/4", Gr 5

5/8-11 X 3-3/4 C

2шт.

22

495-21069

WASHER,5/8"

5/8 WIDE PLAIN WASHER

2шт.

23

232-41110

NUT,5/8"-11, GC

NUT, LOCK, 5/8"-11, GC

2шт.

24

235663

BUSHING

2шт.

25

8050478

BALL BEARING,55.56mm ID x 100mm OD x 21mm W

BEARING-SPHERICAL

1шт.

26

714360

FLANGED BEARING

FLANGE

2шт.

27

433-820

CARRIAGE BOLT,Sq Nk, 1/2" - 13 x 1 1/4", Gr 5

1/2-13 X 1-1/4 RHSNB

4шт.

28

495-21056

WASHER,1/2"

1/2 HARDENED PLAIN WASHER

4шт.

29

80679

LOCK WASHER,1/20.507 CST ZND

WASHER, LOCK, 1/2"

4шт.

30

425-108

NUT,1/2" - 13, Gr 5

NUT, , Hex 1/2"-13, G5

4шт.

Выбрано товаров: 31