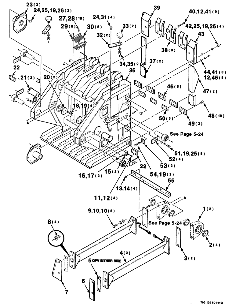
Запчасти Case IH 8575 (05-022) - PLUNGER ASSEMBLY (16) - BALE EJECTOR

Схема запчастей Case IH 8575 - (05-022) - PLUNGER ASSEMBLY (16) - BALE EJECTOR
16
44
38
23
32
24
55
41
52
10
15
48
33
28
27
5
13
36
24
41
12
18
4
8
43
19
39
17
22
19
14
50
26
7
19
3
42
25
19
31
6
34
12
46
40
45
22
54
49
9
1
29
11
25
37
20
12
10
35
25
30
21
47
26
2
19
51
53
FIT
1:1
100%

Артикул

Название

Примечание

Количество

1

219-8

LUBE NIPPLE,1/4" - 28 NPTF

2шт.

2

700123199

SPACER

4шт.

3

700123198

LARGE PLATE

PLATE, LARGE

2шт.

4

700129482

ROD

CONNECTOR ASSEMBLY

2шт.

5

700123200

SHIM

1шт.

6

700123201

SCRAPER

left

1шт.

7

700123202

SCRAPER

right

1шт.

8

700707346

SCREW

010-32 x 3/4 HSFCHCS

4шт.

9

326-1028

BOLT,Hex, 5/8" - 11 x 1-3/4", Gr 8

8шт.

10

396-21066

WASHER,16.66mm ID x 33.33mm OD x 4.27mm Thk

5/8" bolt size

16шт.

11

413-624

BOLT,Hex, 3/8" - 16 x 1-1/2", Gr 5

4шт.

12

492-11038

LOCK WASHER,3/8"

21шт.

13

409-7616

BOLT,Hex Flg, 3/8" - 16 x 1", Spcl

4шт.

14

231-5146

FLANGE NUT,3/8"-16

4шт.

15

700124033

BLOCK

pusher

2шт.

16

873083

SCREW

3/8-16 x 1-1/2 FTC

2шт.

17

425-146

JAM NUT,3/8" - 16, Gr 5

2шт.

18

413-824

BOLT,Hex, 1/2" - 13 x 1-1/2", Gr 5

4шт.

19

80679

LOCK WASHER,1/20.507 CST ZND

20шт.

20

700113192

WASHER

2шт.

21

700123196

SHAFT

2шт.

22

700123195

BAR

2шт.

23

700123175

SUPPORT

WA

2шт.

24

433-820

CARRIAGE BOLT,Sq Nk, 1/2" - 13 x 1 1/4", Gr 5

6шт.

25

705541

WASHER,0.53" ID x 1.06" OD x 0.14" Thk

hardened plain, 1/2

14шт.

26

425-108

NUT,1/2" - 13, Gr 5

6шт.

27

413-516

BOLT,Hex, 5/16" - 18 x 1", Gr 5

16шт.

28

232-5315

FLANGE NUT,Flg, 5/16"-18

5/16-18 HFTLN GR/G

16шт.

29

700129690

RETAINER

8шт.

30

700713894

BRUSH

8шт.

31

231-5348

FLANGE NUT,Flg, 1/2"-13

1/2-13 HFTLN GR/G

4шт.

32

700123184

LARGE PLATE

PLATE, LARGE

2шт.

33

7713829

BEARING ASSY,19.56 mm ID x 63.75 mm OD

CAM

2шт.

34

492-11075

LOCK WASHER,3/4"

3/4"

2шт.

35

425-1112

NUT,3/4"-16, G5

3/4-16 H

2шт.

36

700129680

PLUNGER

WA

1шт.

37

700123192

ANGLE

2шт.

38

700113187

ANTI-WRAP PLATE

3шт.

39

700123186

LARGE PLATE

PLATE, LARGE WA right

1шт.

40

413-616

BOLT,Hex, 3/8" - 16 x 1", Gr 5

9шт.

41

496-11041

WASHER,13/32" x 13/16" x .065", HDN

hardened plain, 3/8

17шт.

42

433-816

CARRIAGE BOLT,Sq Nk, 1/2" - 13 x 1", Gr 5

1/2-13 x 1 RHSNB

4шт.

43

700123185

LARGE PLATE

PLATE, LARGE WA left

1шт.

44

434-616

CARRIAGE BOLT,Sht Sq Nk, 3/8" - 16 x 1", Gr 5

3/8-16 x 1 RHSNB

8шт.

45

425-106

NUT,3/8"-16, Cl 5

8шт.

46

700113188

KNIFE

3шт.

47

700123193

ANGLE

2шт.

48

61-46224

HEX SOC SCREW,FLAT, 5/8" x 1-1/2"

5/8-11 x 1-1/2 HSFCHCS

10шт.

49

700123194

KNIFE

2шт.

50

700113189

BAR

3шт.

51

413-820

BOLT,Hex, 1/2" - 13 x 1-1/4", Gr 5

8шт.

52

700124030

LARGE PLATE

PLATE, LARGE

4шт.

53

700124031

LARGE PLATE

PLATE, LARGE pusher

2шт.

54

413-816

BOLT,Hex, 1/2" - 13 x 1", Gr 5

2шт.

55

700123197

ANGLE

1шт.

Выбрано товаров: 55