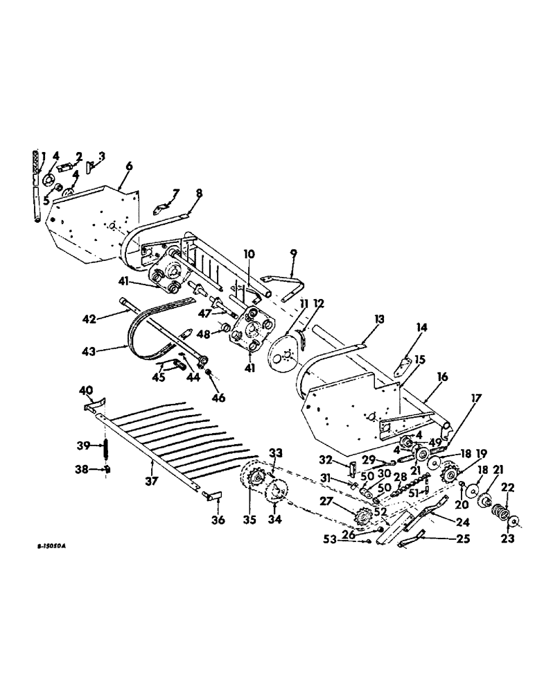
Запчасти Case IH 27 (C-11) - PICKUP CYLINDER AND DRIVE

Схема запчастей Case IH 27 - (C-11) - PICKUP CYLINDER AND DRIVE
FIT
1:1
100%

Артикул

Название

Примечание

Количество

1

670565R1

STRAP, pickup latch

1шт.

179885

BOLT,Hex, 1/2" - 13 x 1 1/2", Gr 5

1шт.

102637

NUT,1/2"-13, G5

1шт.

19574R1

BOLT, 3/8 x 5/8 C-Z hex-hd mach

1шт.

120377

NUT,3/8" - 16, Gr 5

1шт.

2

670566R1

SUPPORT ASSY.

BRACKET, pickup latch

1шт.

80280503

CARRIAGE BOLT,Sht Sq Nk, 3/8" - 16 x 1", Gr 5, Full Thd

BOLT, 3/8 x 1 sq-nk crg

2шт.

102635

NUT,3/8"-16, G5

2шт.

103321

LOCK WASHER,3/8"

WASHER, LOCK, 3/8"

2шт.

3

670567R1

SUPPORT

LOCK, pickup latch

1шт.

14994R1

CARRIAGE BOLT,Sq Nk, 5/16" - 18 x 3/4", Gr 2

BOLT, CARRIAGE, Short NK, 5/16"-18 x 3/4", G2

1шт.

9635082

NUT,5/16" - 18, Gr 5

5/16-18 hex.

2шт.

4

671682R1

NO LONGER SERVICED

FLANGE, pickup cylinder brg

4шт.

17425R1

BOLT,Hex, 5/16" - 18 x 1", Gr 2

5/16 x 1 hex-hd mach

3шт.

15007R1

CARRIAGE BOLT,Sq Nk, 5/16" - 18 x 1", Gr 2

BOLT, CARRIAGE, Short NK, 5/16"-18 x 1", G2

3шт.

9635082

NUT,5/16" - 18, Gr 5

5/16-18 hex.

6шт.

103320

LOCK WASHER,5/16"

WASHER, LOCK, 5/16"

6шт.

5

671681R91

BEARING ASSY,25.43mm ID x 52.09mm OD x 16mm W

ASSY, pickup cylinder

1шт.

6

670535R1

SHEET

pickup end RH

1шт.

14994R1

CARRIAGE BOLT,Sq Nk, 5/16" - 18 x 3/4", Gr 2

BOLT, CARRIAGE, Short NK, 5/16"-18 x 3/4", G2

1шт.

9635082

NUT,5/16" - 18, Gr 5

5/16-18 hex.

1шт.

103320

LOCK WASHER,5/16"

WASHER, LOCK, 5/16"

1шт.

17412R1

BOLT,Hex, 3/8" - 16 x 3/4", Gr 2

3/8 x 3/4 hex-hd mach

2шт.

102635

NUT,3/8"-16, G5

2шт.

103321

LOCK WASHER,3/8"

WASHER, LOCK, 3/8"

2шт.

Q1597

WASHER

13/32 x 3/4 x 16 ga

4шт.

7

670540R1

ANGLE, stripper support RH

1шт.

14994R1

CARRIAGE BOLT,Sq Nk, 5/16" - 18 x 3/4", Gr 2

BOLT, CARRIAGE, Short NK, 5/16"-18 x 3/4", G2

4шт.

9635082

NUT,5/16" - 18, Gr 5

5/16-18 hex.

4шт.

103320

LOCK WASHER,5/16"

WASHER, LOCK, 5/16"

4шт.

8

670534R11

STRIPPER

ASSY, end RH

1шт.

9635082

NUT,5/16" - 18, Gr 5

5/16-18 hex.

5шт.

103320

LOCK WASHER,5/16"

WASHER, LOCK, 5/16"

5шт.

Q397

WASHER

11/32 x 3/4 x 16 ga

4шт.

9

670537R2

HOLDER

SUPPORT, pickup stripper

11шт.

17648R1

BOLT, 3/8 x 3-1/4 hex-hd mach

11шт.

102635

NUT,3/8"-16, G5

11шт.

103321

LOCK WASHER,3/8"

WASHER, LOCK, 3/8"

11шт.

10

670538R2

BRACE, pickup stripper

11шт.

11

662317R2

CAM

pickup tooth control

1шт.

12

662318R11

GUIDE

ASSY, tooth bar roller

1шт.

550827R1

NUT, 5/16-18 weld pilot std

1шт.

17407R1

BOLT,5/16" - 18 x 5/8"

5/16 x 5/8 hex-hd mach

1шт.

14994R1

CARRIAGE BOLT,Sq Nk, 5/16" - 18 x 3/4", Gr 2

BOLT, CARRIAGE, Short NK, 5/16"-18 x 3/4", G2

1шт.

9635082

NUT,5/16" - 18, Gr 5

5/16-18 hex.

1шт.

103320

LOCK WASHER,5/16"

WASHER, LOCK, 5/16"

2шт.

13

670533R11

STRIPPER ASSY, end LH

1шт.

9635082

NUT,5/16" - 18, Gr 5

5/16-18 hex.

4шт.

103320

LOCK WASHER,5/16"

WASHER, LOCK, 5/16"

4шт.

Q397

WASHER

11/32 x 3/4 x 16 ga

4шт.

14

670539R1

ANGLE

stripper support LH

1шт.

14994R1

CARRIAGE BOLT,Sq Nk, 5/16" - 18 x 3/4", Gr 2

BOLT, CARRIAGE, Short NK, 5/16"-18 x 3/4", G2

4шт.

9635082

NUT,5/16" - 18, Gr 5

5/16-18 hex.

4шт.

103320

LOCK WASHER,5/16"

WASHER, LOCK, 5/16"

4шт.

15

670532R1

SHEET

pickup end LH

1шт.

17412R1

BOLT,Hex, 3/8" - 16 x 3/4", Gr 2

3/8 x 3/4 hex-hd mach

2шт.

102635

NUT,3/8"-16, G5

2шт.

103321

LOCK WASHER,3/8"

WASHER, LOCK, 3/8"

2шт.

Q1597

WASHER

13/32 x 3/4 x 16 ga

4шт.

16

670527R91

FUNNEL

FRAME ASSY, pickup

1шт.

17

312

SPRING, pickup balance

1шт.

18

662291R1

LINING

pickup drive clutch

2шт.

19

662023R1

DRIVE SPROCKET

SPROCKET, pickup slip clutch

1шт.

20

662079R1

BUSHING

pickup slip clutch sprocket

1шт.

21

662026R2

HUB

pickup slip clutch

2шт.

22

U13661

VALVE SPRING

SPRING, compression

1шт.

23

662356R1

DISC

WASHER, slip clutch spring retainer

1шт.

219755

BACK-UP RING

1-14 hex. jam

1шт.

24

670560R91

BRACKET ASSY, chain tightener, 5889N and below

1шт.

80280503

CARRIAGE BOLT,Sht Sq Nk, 3/8" - 16 x 1", Gr 5, Full Thd

BOLT, 3/8 x 1 sq-nk crg

2шт.

102635

NUT,3/8"-16, G5

2шт.

103321

LOCK WASHER,3/8"

WASHER, LOCK, 3/8"

2шт.

25

670557R91

SUPPORT ASSY, stationary sprocket, 5889N and below

1шт.

17629R1

BOLT,Hex, 5/8" - 11 x 3"

5/8 x 3 hex-hd mach

1шт.

657102R1

WASHER

21/32 x 1-1/4 x 3/16

2шт.

15043R1

BOLT, 5/8 x 1-1/2 sq-nk crg

2шт.

102639

NUT,5/8"-11, G5

3шт.

103325

LOCK WASHER,5/8"

WASHER, LOCK, 5/8"

3шт.

26

479589R91

BALL BEARING,21.74mm ID x 35.26mm OD x 18mm W

ASSY, idler sprocket, 5889N and below

2шт.

17425R1

BOLT,Hex, 5/16" - 18 x 1", Gr 2

5/16 x 1 hex-hd mach

3шт.

15007R1

CARRIAGE BOLT,Sq Nk, 5/16" - 18 x 1", Gr 2

BOLT, CARRIAGE, Short NK, 5/16"-18 x 1", G2

3шт.

9635082

NUT,5/16" - 18, Gr 5

5/16-18 hex.

6шт.

103320

LOCK WASHER,5/16"

WASHER, LOCK, 5/16"

6шт.

27

670554R91

IDLER ASSY, sprocket pickup, 5889N and below

1шт.

27

673797R91

DRIVE SPROCKET

IDLER ASSY, sprocket pickup, 5890N up

1шт.

17651R1

BOLT,Hex, 5/8" - 11 x 3 1/4"

5/8 x 3-1/4 hex-hd mach

1шт.

102639

NUT,5/8"-11, G5

1шт.

103325

LOCK WASHER,5/8"

WASHER, LOCK, 5/8"

1шт.

551177R1

WASHER

21/32 x 1-1/4 x 16 ga

1шт.

28

CHAIN, pickup drive, use 55 links of No. 55 chain

1шт.

29

670541R1

SPINDLE

BOLT, pickup balance spring

1шт.

102635

NUT,3/8"-16, G5

2шт.

30

668147R1

BLOCK

TIGHTENER, block

1шт.

31

670562R1

RETAINER

pickup drive chain

1шт.

15160R1

BOLT

1/2 x 3-1/4 sq-nk crg

1шт.

102637

NUT,1/2"-13, G5

1шт.

103323

LOCK WASHER,1/2"

WASHER, LOCK, 1/2"

1шт.

PO10535

WASHER

17/32 x 1-1/4 x 11 ga

1шт.

32

670542R1

ANCHOR

balance spring

1шт.

14995R1

BOLT

3/8 x 3/4 sq-nk crg

2шт.

102635

NUT,3/8"-16, G5

2шт.

103321

LOCK WASHER,3/8"

WASHER, LOCK, 3/8"

2шт.

33

Q3950

KEY,Gib, 3/8" Sq x 2 1/4"

3/8 x 2-1/4 sq tapered

1шт.

34

SPROCKET, knotter drive 39T, see section C, knotter drive chain and idlers

1шт.

35

670564R1

DRIVE SPROCKET

SPROCKET, pickup drive

1шт.

17471R1

BOLT,Hex, 3/8" - 16 x 1 1/2"

3/8 x 1-1/2 hex-hd mach

3шт.

103321

LOCK WASHER,3/8"

WASHER, LOCK, 3/8"

3шт.

36

670543R91

LARGE PIN

ARM ASSY, pickup tension LH

1шт.

668752R1

WASHER

29/32 x 1-1/4 x 16 ga C-Z

1шт.

180151

BOLT,Hex, 7/16" - 14 x 1 3/4", Gr 5

SCREW, 7/16-14 x 1-3/4 hex-hd cap

2шт.

271501

SOCKET

NUT, 7/16-14 znd hex.

2шт.

120383

LOCK WASHER,Helical Spring, 7/16"

WASHER, LOCK, 7/16"

2шт.

37

670548R91

SPARE PART

TINE ASSY, pickup cover

1шт.

38

662387R1

ANCHOR

CLIP, spring anchor

1шт.

18673R1

CARRIAGE BOLT,Short Sq Nk, 5/16" - 18 x 1/2", Gr 2

BOLT, 5/16 x 1/2 znd sq-nk crg

1шт.

120376

NUT,5/16"-18, G5

1шт.

80681

LOCK WASHER,5/16"

WASHER, LOCK, 5/16"

1шт.

180151

BOLT,Hex, 7/16" - 14 x 1 3/4", Gr 5

SCREW, 7/16-14 x 1-3/4 znd hex-hd cap

2шт.

NLS

NO LONGER SERVICED

NUT, 7/16-14 znd hex.

2шт.

120383

LOCK WASHER,Helical Spring, 7/16"

WASHER, LOCK, 7/16"

2шт.

39

PO91

SPRING

pickup cover

1шт.

40

670546R91

ARM

ASSY, pickup cover tension RH

1шт.

615191R1

WASHER

29/32 x 1-1/4 x 16 ga

1шт.

41

670724R11

SUPPORT

END W/BUSHINGS, pickup cylinder

2шт.

42

495279R93

CARRIER

BAR ASSY, pickup tooth

4шт.

Q366

WASHER

2-1/16 x 2-15/16 x 16 ga (or as required)

16шт.

432-1240

COTTER PIN,3/16" x 2 1/2"

Pin, Split (Cotter), 3/16" x 2 1/2"

4шт.

43

670536R2

STRIPPER, pickup

11шт.

18673R1

CARRIAGE BOLT,Short Sq Nk, 5/16" - 18 x 1/2", Gr 2

BOLT, 5/16 x 1/2 znd sq-nk crg

22шт.

14993R1

BOLT, 1/4 x 3/4 sq-nk crg

22шт.

109084

NUT,1/4"-20, G5

22шт.

103319

LOCK WASHER,1/4"

WASHER, LOCK, 1/4"

22шт.

120376

NUT,5/16"-18, G5

22шт.

80681

LOCK WASHER,5/16"

WASHER, LOCK, 5/16"

22шт.

44

27513K

CUP WASHER

WASHER, pickup cylinder spring tooth

24шт.

15007R1

CARRIAGE BOLT,Sq Nk, 5/16" - 18 x 1", Gr 2

BOLT, CARRIAGE, Short NK, 5/16"-18 x 1", G2

24шт.

9635082

NUT,5/16" - 18, Gr 5

5/16-18 hex.

24шт.

103320

LOCK WASHER,5/16"

WASHER, LOCK, 5/16"

24шт.

45

MA74528

SPRING

pickup tooth

24шт.

46

ST543

BALL BEARING,15mm ID x 35mm OD x 11mm W

BEARING ASSY, pickup cylinder tine control

4шт.

47

670551R91

SHAFT

ASSY, pickup cylinder

1шт.

Q114

WASHER

1-1/32 x 1-7/16 x 18 ga (or as required)

3шт.

Q3481

WASHER

1-1/32 x 1-1/2 x 16 ga (or as required)

1шт.

103409

PIN, SPLIT (COTTER),3/16" x 1 1/2"

1шт.

576483R1

LOCK PIN,5/16" x 1 1/2", Slotted

Pin, 5/16" x 1 1/2", Slotted

3шт.

Q3480

WASHER

1-1/32 x 1-1/2 x 11 ga

1шт.

48

659437R1

BUSHING

pickup cylinder end

8шт.

17411R1

BOLT,Hex, 5/16"-18 X 3/4", G2

5/16 x 3/4 hex-hd mach

6шт.

9635082

NUT,5/16" - 18, Gr 5

5/16-18 hex.

6шт.

103320

LOCK WASHER,5/16"

WASHER, LOCK, 5/16"

6шт.

49

155264C91

BALL BEARING,25.43mm ID x 52.09mm OD x 16mm W

ASSY, pickup cylinder drive side

1шт.

50

673666R1

CAP

block tightener end, 5890N up

2шт.

51

673799R1

HOLDER

BRACKET, front shield, 5890N up

1шт.

14995R1

BOLT

3/8 x 3/4 sq-nk crg

1шт.

102635

NUT,3/8"-16, G5

1шт.

103321

LOCK WASHER,3/8"

WASHER, LOCK, 3/8"

1шт.

52

673798R1

CHANNEL, idler bracket, 5890N up

1шт.

80280503

CARRIAGE BOLT,Sht Sq Nk, 3/8" - 16 x 1", Gr 5, Full Thd

BOLT, 3/8 x 1 sq-nk crg

2шт.

102635

NUT,3/8"-16, G5

2шт.

103321

LOCK WASHER,3/8"

WASHER, LOCK, 3/8"

2шт.

53

673800R1

SPACER

pipe, 5890N up

1шт.

Выбрано товаров: 0