Запчасти Case IH 420 (D-14) - CUSTOM PICKUP CYLINDER

Схема запчастей Case IH 420 - (D-14) - CUSTOM PICKUP CYLINDER
FIT
1:1
100%

Артикул

Название

Примечание

Количество

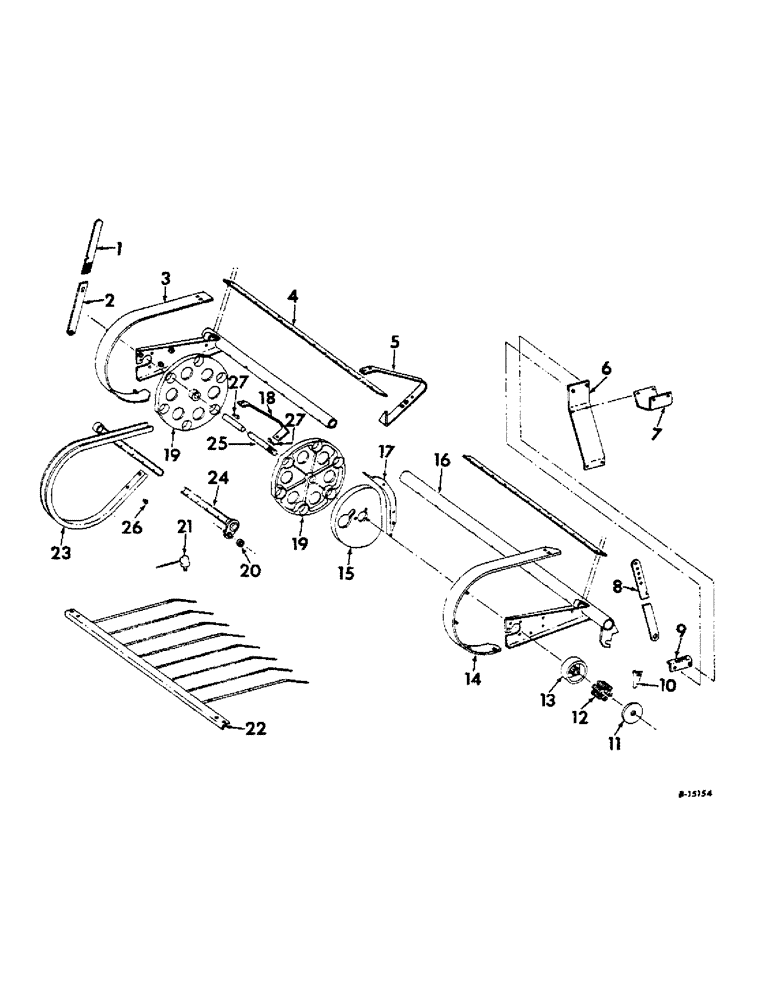
1

201967C1

STRAP, pickup latch upper

1шт.

2

201968C1

STRAP, pickup latch lower

1шт.

17351R1

CARRIAGE BOLT,Short Sq Nk, 3/8" - 16 x 1", Gr 2

BOLT, 3/8 x 1 znd sq-nk crg

1шт.

120377

NUT,3/8" - 16, Gr 5

1шт.

120382

LOCK WASHER,Helical Spring, 3/8"

WASHER, LOCK, 3/8"

1шт.

611346R1

WASHER

13/32 x 7/8 x 16 ga C-Z

1шт.

180177

BOLT,Hex, 1/2" - 13 x 1 1/2", Gr 5

SCREW, 1/2-13 x 1-1/2 znd hex-hd cap

1шт.

120378

NUT,Hex, 1/2" - 13, Gr 5

NUT, 1/2"-13, G5

1шт.

3

201965C1

STRIPPER ASSY, end RH

1шт.

4

201961C1

SEPARATOR, pickup stripper

1шт.

202107C1

BOLT,Hex Serr Flg, 5/16" - 18 x 3/4"

pickup stripper

3шт.

18764R1

HARDWARE,Hex, 5/16"-18 x 3/4", G2

BOLT, 5/16 x 3/4 znd hex-hd mach

4шт.

80681

LOCK WASHER,5/16"

WASHER, LOCK, 5/16"

4шт.

21739R1

WASHER

11/32 x 9/16 x 16 ga C-Z

4шт.

5

201960C1

SUPPORT, pickup stripper

17шт.

670454R1

NUT

5/16 spring

37шт.

6

201972C1

BRACKET ASSY, pickup support

1шт.

17351R1

CARRIAGE BOLT,Short Sq Nk, 3/8" - 16 x 1", Gr 2

BOLT, 3/8 x 1 znd sq-nk crg

2шт.

120377

NUT,3/8" - 16, Gr 5

2шт.

120382

LOCK WASHER,Helical Spring, 3/8"

WASHER, LOCK, 3/8"

2шт.

7

201974C1

BRACE, pickup support

1шт.

17351R1

CARRIAGE BOLT,Short Sq Nk, 3/8" - 16 x 1", Gr 2

BOLT, 3/8 x 1 znd sq-nk crg

3шт.

120377

NUT,3/8" - 16, Gr 5

3шт.

120382

LOCK WASHER,Helical Spring, 3/8"

WASHER, LOCK, 3/8"

3шт.

8

201969C1

STRAP, pickup latch

1шт.

9

670556R1

BRACKET, pickup latch

1шт.

18494R1

BOLT,Hex, 3/8" - 16 x 1", Gr 2

3/8 znd med lock

2шт.

10

670567R1

SUPPORT

LOCK, pickup latch

1шт.

16897R1

CARRIAGE BOLT,Short Nk, 5/16" - 18 x 3/4", Gr 2, Full Thd

BOLT, 5/16 x 3/4 znd sq-nk crg

1шт.

120376

NUT,5/16"-18, G5

2шт.

11

202090C1

WASHER

pickup slip clutch

1шт.

12

M1015

SPRING

pickup clutch

6шт.

13

202399C1

HUB

pickup slip clutch

1шт.

14

201963C1

STRIPPER ASSY, end LH

1шт.

15

201951C1

CAM

pickup tooth

1шт.

18764R1

HARDWARE,Hex, 5/16"-18 x 3/4", G2

BOLT, 5/16 x 1 znd hex-hd mach

3шт.

80681

LOCK WASHER,5/16"

WASHER, LOCK, 5/16"

3шт.

619855R1

WASHER

11/32 x 3/4 x 16 ga C-Z

3шт.

16

201948C1

FRAME ASSY, pickup

1шт.

17

201952C1

GUIDE, tooth bar roller

1шт.

125681

SCREW, 5/16-18 x 5/8 znd slt-tru-hd

1шт.

138538

LOCK WASHER

WASHER, 5/16 C-Z int-tooth lock

1шт.

18

201959C1

BRACE, pickup stripper

17шт.

20628R1

BOLT,Hex, 3/8"-16 x 3 1/4", G2

3/8 x 3-1/4 znd hex. mach

17шт.

120377

NUT,3/8" - 16, Gr 5

17шт.

120382

LOCK WASHER,Helical Spring, 3/8"

WASHER, LOCK, 3/8"

17шт.

670454R1

NUT

5/16 spring

34шт.

19

201962C1

END

pickup cylinder

2шт.

21891R1

HEADED PIN,5/16" x 2"

PIN, 5/16 x 2 C-Z std-hd

2шт.

648002

KNIFE

1/8" x 3/4"

2шт.

20

ST543

BALL BEARING,15mm ID x 35mm OD x 11mm W

BEARING ASSY, tine control

6шт.

21787R1

WASHER

2-1/16 x 2-15/16 x 16 ga C-Z (or as required)

24шт.

137273

COTTER PIN

PIN, 3/16 x 2-1/2 C-Z cot.

6шт.

21

200499C1

FINGER

TINE, pickup

108шт.

120736

NUT, 5/16-18 znd hex.

108шт.

80681

LOCK WASHER,5/16"

WASHER, LOCK, 5/16"

108шт.

22

201975C1

TINE ASSY, pickup cover

1шт.

21788

WASHER, 1-1/32 x 1-7/16 x 18 ga

1шт.

23

201958C1

STRIPPER, center

17шт.

24

201953C91

BAR ASSY, pickup tooth

6шт.

25

201971C1

SHAFT, pickup cylinder

1шт.

21788R1

WASHER

1-1/32 x 1-7/16 x 18 ga C-Z

3шт.

26

202107C1

BOLT,Hex Serr Flg, 5/16" - 18 x 3/4"

pickup stripper

68шт.

27

Q3931

KEY,Gib, 5/16" Sq x 1 7/8"

5/16 x 1-7/8 tapered gib

2шт.

Выбрано товаров: 0