Запчасти Case IH 420 (D-18) - PLUNGER

Схема запчастей Case IH 420 - (D-18) - PLUNGER
FIT
1:1
100%

Артикул

Название

Примечание

Количество

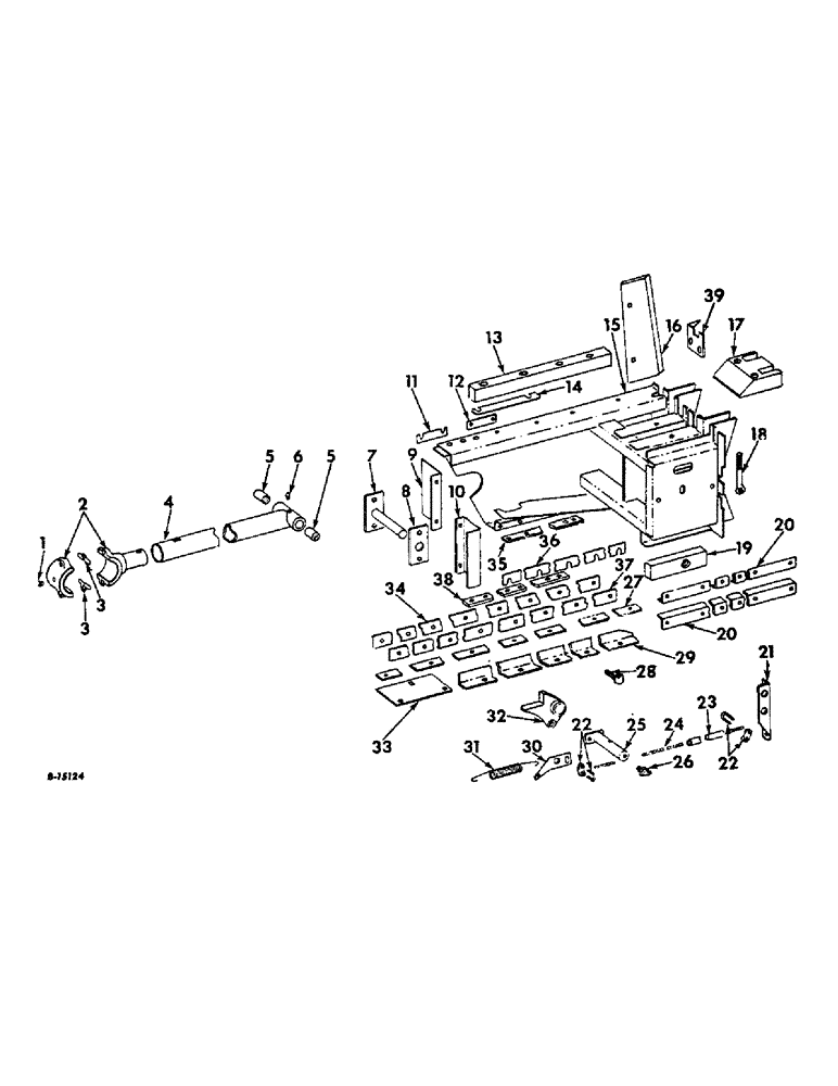
1

109461

LUBE NIPPLE,1/8"-27 x .66 lg

NIPPLE, LUBE, , PTF 1/8"-27 x .66 lg

1шт.

2

495177R21

BEARING ASSY,4.5" OD x 2.97"

BEARING ASSY, Pitman front

1шт.

180190

LOCK SCREW,Hex, 1/2" - 13 x 3", Gr 5

SCREW, 1/2-13 x 3 C-Z hex-hd cap

2шт.

120384

WASHER,1/2"

LOCK, 1/2"

2шт.

474848R1

LOCK NUT,1/2"-13, GB

NUT, 1/2-13 cd-pltd hex. lock

2шт.

3

495278R2

SHIM

Pitman brg

16шт.

180190

LOCK SCREW,Hex, 1/2" - 13 x 3", Gr 5

SCREW, 1/2-13 x 3 C-Z hex-hd cap

1шт.

474848R1

LOCK NUT,1/2"-13, GB

NUT, 1/2-13 cd-pltd hex. lock

1шт.

120384

WASHER,1/2"

LOCK, 1/2"

1шт.

4

670587R91

PITMAN

ASSY

1шт.

5

664976R1

BUSHING,31.8mm ID x 34.95mm OD x 44.7mm L

Pitman rear

2шт.

6

127743

LUBE NIPPLE,65 Degree, 1/8" NPT x 1.20" lg

FITTING, 1/8-27 PTF 65 deg angle lub

1шт.

7

668358R91

SUPPORT

BLOCK ASSY, plunger Pitman

1шт.

8

668359R1

BLOCK

Pitman

1шт.

673707R1

CARRIAGE BOLT,Sht Sq Nk, 1/2" - 13 x 1 1/2", Gr 5

BOLT, 1/2-13 x 1-1/2 sq-nk crg type 2

4шт.

474848R1

LOCK NUT,1/2"-13, GB

NUT, 1/2-13 cd-pltd hex. lock

4шт.

120384

WASHER,1/2"

LOCK, 1/2"

4шт.

9

670582R1

BAFFLE

plunger RH

1шт.

16897R1

CARRIAGE BOLT,Short Nk, 5/16" - 18 x 3/4", Gr 2, Full Thd

BOLT, 5/16 x 3/4 C-Z sq-nk crg

4шт.

120376

NUT,5/16"-18, G5

4шт.

80681

LOCK WASHER,5/16"

WASHER, LOCK, 5/16"

4шт.

10

670581R1

BAFFLE

plunger LH

1шт.

11

668368R1

SHIM

lower plunger .0299, (or as required)

8шт.

12

668367R1

PAD

wear lower

4шт.

180075

BOLT,Hex, 5/16" - 18 x 5/8", Gr 5

SCREW, 5/16-18 x 5/8 C-Z hex-hd cap

8шт.

80681

LOCK WASHER,5/16"

WASHER, LOCK, 5/16"

8шт.

13

200628C1

WOOD

BLOCK, plunger upper right

1шт.

18474R1

BOLT,Hex, 5/16" - 18 x 1", Gr 2

5/16 x 1 C-Z hex-hd mach

4шт.

453838

NUT

5/16-18 C-Z tee type 6

4шт.

80681

LOCK WASHER,5/16"

WASHER, LOCK, 5/16"

4шт.

14

668365R1

SHIM,45.72mm OD x 0.76mm Thk

upper plunger right, (or as required)

4шт.

15

670574R1

PLUNGER ASSY

1шт.

16

670434R1

KNIFE ASSY

KNIFE, hay

1шт.

21538R1

CARRIAGE BOLT,#3, 5/8" - 11 x 1 1/2", Gr 2

BOLT, 5/8 x 1-1/2 C-Z No. 3 repair hd plow

2шт.

425-110

5/8-18 C-Z hex.

2шт.

492-11062

BEARING WASHER,5/8"

WASHER, LOCK, 5/8"

2шт.

17

668375R1

BLOCK

plunger upper center

1шт.

18422R1

CARRIAGE BOLT,Sq Nk, 3/8" - 16 x 1 3/4", Gr 2

BOLT, 3/8 x 1-3/4 C-Z sq-nk crg

2шт.

120377

NUT,3/8" - 16, Gr 5

2шт.

120382

LOCK WASHER,Helical Spring, 3/8"

WASHER, LOCK, 3/8"

2шт.

18

667922R1

BOLT,Eye, 5/8" - 11 x 4.69"

plunger eye

1шт.

120378

NUT,Hex, 1/2" - 13, Gr 5

NUT, 1/2"-13, G5

2шт.

19

667923R1

SLIDE

plunger

1шт.

413-1032

BOLT,Hex, 5/8" - 11 x 2", Gr 5

SCREW, 5/8-11 x 2 C-Z hex-hd cap

1шт.

20

667935R1

ANGLE

plunger guide

2шт.

21

674003R1

ANCHOR

plunger stop cable

1шт.

113-206

BOLT,Hex, 3/8" - 16 x 3/4", Gr 5, Full Thd

3/8 x 3/4 znd hex-hd cap

2шт.

120377

NUT,3/8" - 16, Gr 5

2шт.

120382

LOCK WASHER,Helical Spring, 3/8"

WASHER, LOCK, 3/8"

2шт.

22

670595R91

TERMINAL CONNECTOR

CLAMP ASSY, plunger stop cable

2шт.

492-11025

LOCK WASHER,1/4"

WASHER, LOCK, 1/4"

4шт.

21784R1

WASHER

17/64 x 1/2 x 16 ga C-Z

4шт.

23

670594R1

HOSE

SHIELD, plunger stop cable

1шт.

24

670591R1

CABLE

ROPE, wire

1шт.

492-11025

LOCK WASHER,1/4"

WASHER, LOCK, 1/4"

1шт.

25

674061R1

PIVOT

ASSY, plunger stop

1шт.

18495R1

BOLT,Hex, 3/8" - 16 x 1 1/4", Gr 2

3/8 x 1-1/4 znp hex-hd mach

1шт.

120377

NUT,3/8" - 16, Gr 5

1шт.

120382

LOCK WASHER,Helical Spring, 3/8"

WASHER, LOCK, 3/8"

1шт.

26

17295R1

FITTING, 1/4-27 NPTF 67-1/2 deg lub

1шт.

27

670585R1

RAIL

RUNNER, plunger roller

1шт.

28

674056R1

BOLT,Eye, 1/2" - 13 x 2.70"

EYEBOLT, plunger guide

1шт.

120238

JAM NUT,Jam, 1/2"-13, G5

1/2-13 znd hex. jam

2шт.

120378

NUT,Hex, 1/2" - 13, Gr 5

NUT, 1/2"-13, G5

2шт.

20869R1

WASHER

17/32 x 7/8 x 16 ga C-Z

4шт.

29

670584R1

ANGLE

plunger guide

1шт.

113-206

BOLT,Hex, 3/8" - 16 x 3/4", Gr 5, Full Thd

3/8-16 x 3/4 znd hex-hd cap

3шт.

120382

LOCK WASHER,Helical Spring, 3/8"

WASHER, LOCK, 3/8"

3шт.

21741R1

WASHER

13/32 x 7/8 x 11 ga C-Z

3шт.

180126

BOLT,Hex, 3/8" - 16 x 1 1/2", Gr 5

SCREW, 3/8-16 x 1-1/2 C-Z hex-hd cap

2шт.

138382

SHAFT

WASHER, 3/8 C-Z med lock

2шт.

21741R1

WASHER

13/32 x 7/8 x 11 ga C-Z

2шт.

30

670980R1

CLIP, plunger stop pin

1шт.

31

655919R1

SPRING

plunger stop

1шт.

23311R1

PIN, 5/8 x 7/8 C-Z std hd

1шт.

87395

COTTER PIN,1/8" OD x 1-1/4" OAL

PIN, SPLIT (COTTER), 1/8" x 1-1/4"

1шт.

21796R1

WASHER

21/32 x 1 x 16 ga C-Z

1шт.

32

667952R1

STOP

plunger

1шт.

33

670586R1

BRACKET

plunger guide angle

1шт.

19019R1

CARRIAGE BOLT,#3, 3/8" - 16 x 1", Gr 2

BOLT, 3/8 x 1 C-Z No. 3 plow

2шт.

19020R1

PLOW BOLT,#3, 3/8" - 16 x 1 1/4", Gr 2

BOLT, 3/8 x 1-1/4 C-Z No. 3 plow

5шт.

120377

NUT,3/8" - 16, Gr 5

7шт.

120382

LOCK WASHER,Helical Spring, 3/8"

WASHER, LOCK, 3/8"

7шт.

34

667937R2

STRIP

FILLER, lower plunger thrust spacer

1шт.

19019R1

CARRIAGE BOLT,#3, 3/8" - 16 x 1", Gr 2

BOLT, 3/8 x 1 znd No. 3 plow

9шт.

120377

NUT,3/8" - 16, Gr 5

9шт.

120382

LOCK WASHER,Helical Spring, 3/8"

WASHER, LOCK, 3/8"

9шт.

35

670579R2

BAR

RUNNER, plunger

1шт.

19007R1

PLOW BOLT,#3, 5/16" - 18 x 1", Gr 2

BOLT, 5/16 x 1 C-Z No. 3 plow

4шт.

120376

NUT,5/16"-18, G5

4шт.

80681

LOCK WASHER,5/16"

WASHER, LOCK, 5/16"

4шт.

36

664542R1

SHIM

plunger thrust spacer lower, (or as required)

1шт.

37

667936R2

SPACER

lower plunger thrust

1шт.

38

200631C1

RAIL

RUNNER, plunger thrust

1шт.

39

200633C1

DEFLECTOR

ASSY, hay

1шт.

17351R1

CARRIAGE BOLT,Short Sq Nk, 3/8" - 16 x 1", Gr 2

BOLT, 3/8 x 1 znd sq-hd crg

2шт.

120377

NUT,3/8" - 16, Gr 5

2шт.

120382

LOCK WASHER,Helical Spring, 3/8"

WASHER, LOCK, 3/8"

2шт.

619856R1

WASHER

13/32 x 1 x 16 ga C-Z

2шт.

Выбрано товаров: 99