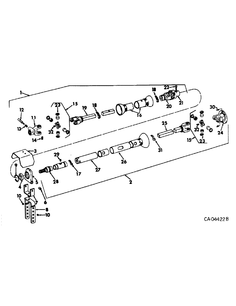
Запчасти Case IH 428 (A-51) - POWER TAKE-OFF DRIVE SHAFTS, THREE KNUCKLE, HAYSE DANA, ROCKWELL, REXNORD, 445, 428 & 435 HEAVY DUTY

Схема запчастей Case IH 428 - (A-51) - POWER TAKE-OFF DRIVE SHAFTS, THREE KNUCKLE, HAYSE DANA, ROCKWELL, REXNORD, 445, 428 & 435 HEAVY DUTY
FIT
1:1
100%

Артикул

Название

Примечание

Количество

1

210553C92

JOINT

SHAFT, front half

1шт.

2

210554C91

SHAFT

rear half

1шт.

3

674737R12

SHIELD

W/PRODUCT GRAPHICS, pto brg box

1шт.

88574

BOLT,Hex, 5/16" - 18 x 1/2", Gr 5, Full Thd

2шт.

80681

LOCK WASHER,5/16"

WASHER, LOCK, 5/16"

2шт.

ZA740950

DECAL

PRODUCT GRAPHIC, warning

1шт.

ZA014839

PRODUCT GRAPHIC, caution

1шт.

4

584148R91

BEARING ASSY,35mm ID x 72mm OD x 25mm W

BEARING ASSY, propellar shaft front

1шт.

5

662022R1

BOX

power take-off bearing center

1шт.

6

674733R1

SPACER

BUSHING, power take-off pedestal

1шт.

189314

BOLT,Hex, 1/2" - 13 x 4 3/4", Gr 5

SCREW, 1/2-13 x 4-3/4 znd hex-hd car

1шт.

120378

NUT,Hex, 1/2" - 13, Gr 5

NUT, 1/2"-13, G5

1шт.

120384

WASHER,1/2"

LOCK, 1/2"

1шт.

20601R1

WASHER

17/32 x 1-1/4 x 11 ga C-Z

2шт.

7

674734R1

BRACKET

PIVOT ASSY, bracket

1шт.

280954

NUT,3/4"-10, G5

1шт.

473873R1

LOCK NUT,3/4"-16, GB

NUT, 3/4-16 MF two way lock, used on stud w/NF threads

1шт.

20825R1

WASHER

25/32 x 2 x 11 ga C-Z

1шт.

474848R1

LOCK NUT,1/2"-13, GB

NUT, 1/2-13 znd hex. lock

1шт.

20601R1

WASHER

17/32 x 1-1/4 x 11 ga C-Z

1шт.

8

674729R1

RING

PEDESTAL ASSY, power take-off

1шт.

21395R1

SCREW,Hex, 1/2"-13 x 5 1/4", G5

1/2-13 x 5-1/4 znd hex-hd cap

1шт.

9

UA20551

RING

propellar shaft bearing snap

1шт.

10

674732R1

SPACER

BUSHING, power take-off pedestal

2шт.

11

660484R21

FORK

YOKE ASSY, w/Q.A. pin, composed of

1шт.

12

455346R21

PIN

ASSY, lock, composed of

1шт.

13

455347R1

VALVE SPRING

SPRING

1шт.

14

661406R1

LOCK WASHER,4.83mm ID x 18.542mm OD x 1.65mm Thk

X

1шт.

15

660116R91

NUT

KIT, cross repair

3шт.

16

ZA550502

SHIELD

W/PRODUCT GRAPHIC

1шт.

ZA017150

PRODUCT GRAPHIC, warning

1шт.

17

613439R1

BRACKET

BEARING, shield support

1шт.

18

549626R1

BEARING

shield, Rockwell, Rexnord

4шт.

19

666741R91

YOKE

& SHAFT, square

1шт.

577247R1

LOCK PIN,3/8" x 2", Slotted

Pin, 3/8" x 2", Slotted

1шт.

20

666743R1

YOKE

pinned

1шт.

21

660489R1

YOKE

splined

1шт.

22

210605C1

SET SCREW

1/4-20 x 1 socket-hd set

1шт.

114496

HOURMETER,Jam, 1/2"-20, G5

NUT, 1/2-NF pln jam type 5

1шт.

23

495962R1

RING

snap

12шт.

24

674862R2

YOKE

flanged

1шт.

25

666744R91

YOKE

JOINT ASSY, square

1шт.

26

3101498R1

SHIELD

ASSY, outer

1шт.

27

3101497R1

SHIELD

ASSY, inner

1шт.

28

666747R91

TUBE ASSY.,2.125" OD, 24.625" Length

JOINT ASSY, yoke tube

1шт.

29

19688R1

LUBE NIPPLE,1/4"-28 x .44" lg

FITTING, 1/4-28NF lub.

1шт.

30

87569

LUBE NIPPLE,45 Degree, 1/4" NPT x 4/5" L, Drive

FITTING, 1/4-28 45 deg self tap lub

2шт.

31

542956R1

NYLON BEARING,0.312"

shield, Hayes Dana

6шт.

32

80711

LUBE NIPPLE,65 Degree, 1/8" NPT x 7/8" lg

FITTING, 1/8-65 deg. lub.

3шт.

Выбрано товаров: 0