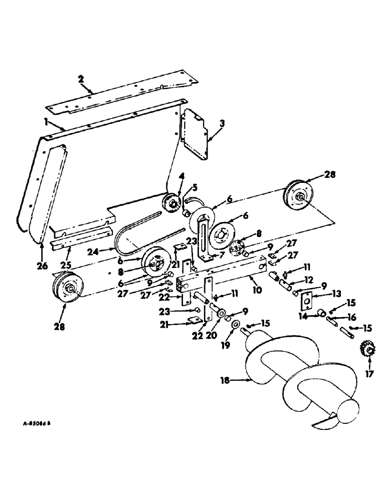
Запчасти Case IH 430 (E-12) - AUGER AND AUGER DRIVE SUPPORT

Схема запчастей Case IH 430 - (E-12) - AUGER AND AUGER DRIVE SUPPORT
FIT
1:1
100%

Артикул

Название

Примечание

Количество

1

674310R1

SHIELD

END, auger shield

1шт.

2

674311R1

TOP

auger shield

1шт.

137138

SCREW,Sl Truss Hd, 1/4" - 20 x 3/4"

1/4-20 x 3/4 C-Z slt-truss-hd mach

4шт.

120375

NUT,Hex, 1/4" - 20, Gr 5

4шт.

492-11025

LOCK WASHER,1/4"

WASHER, LOCK, 1/4"

4шт.

18764R1

HARDWARE,Hex, 5/16"-18 x 3/4", G2

BOLT, 5/16 x 3/4 C-Z hex-hd mach

2шт.

670472R1

SPRING NUT,J, Ret, 5/16"-18

5/16-18 speed grip

2шт.

80681

LOCK WASHER,5/16"

WASHER, LOCK, 5/16"

2шт.

3

674312R1

SHIELD

auger rear

1шт.

137138

SCREW,Sl Truss Hd, 1/4" - 20 x 3/4"

1/4-20 x 3/4 C-Z slt-truss-hd mach

3шт.

120375

NUT,Hex, 1/4" - 20, Gr 5

3шт.

492-11025

LOCK WASHER,1/4"

WASHER, LOCK, 1/4"

3шт.

18764R1

HARDWARE,Hex, 5/16"-18 x 3/4", G2

BOLT, 5/16 x 3/4 C-Z hex-hd mach

2шт.

674313R1

NUT, 5/16-18 speed grip

2шт.

80681

LOCK WASHER,5/16"

WASHER, LOCK, 5/16"

2шт.

4

662958R91

PULLEY

ASSY, idler

1шт.

5

674768R1

SPACER

idler pulley

1шт.

18723R1

CARRIAGE BOLT,Sq Nk, 5/8" - 11 x 2 3/4", Gr 2

BOLT, 5/8 x 2-3/4 C-Z sq-nk crg

1шт.

425-110

5/8-18 C-Z hex.

1шт.

492-11062

BEARING WASHER,5/8"

WASHER, LOCK, 5/8"

1шт.

589068R1

WASHER

21/32 x 1-1/4 x 11 ga C-Z

1шт.

6

657160R1

PULLEY

SHEAVE, auger drive, 430T Balers 009785 and below, 430T Balers 001503 and below, 440T Balers 003569 and below, 440W Balers 002028 and below

4шт.

18765R1

BOLT,Hex, 5/16" - 18 x 1 1/2", Gr 2

5/16 x 1-1/2 C-Z hex-hd mach

8шт.

120376

NUT,5/16"-18, G5

8шт.

80681

LOCK WASHER,5/16"

WASHER, LOCK, 5/16"

8шт.

619855R1

WASHER

11/32 x 3/4 x 16 ga C-Z

24шт.

7

674305R1

HOLDER

BRACKET, auger idler pulley

1шт.

18787R1

BOLT,Hex, 3/8"-16 x 4", G2

3/8 x 4 C-Z hex-hd mach

2шт.

120377

NUT,3/8" - 16, Gr 5

2шт.

120382

LOCK WASHER,Helical Spring, 3/8"

WASHER, LOCK, 3/8"

2шт.

8

674309R1

HUB

V-sheave, 430T Balers 009785 and below, 430W Balers 001503 and below, 440T Balers 003569 and below, 440W Balers002028 and below

2шт.

17150R1

PIN,5/16" x 1 3/8", Slotted

2шт.

9

495290R1

BUSHING

auger pivot relief, cane hay equip also

2шт.

10

201653C2

ARM

ASSY, auger relief, replaces 674479R1, 430T Balers 009785 and below, 430W Balers 001503 and below, 440T Balers 003569 and below, 440W Balers 002028 and below

1шт.

10

202888C1

ARM

ASSY, auger relief, 430T Balers 009786 and up, 430W Balers 001504 and up, 440T Balers 003570 and up, 440W Balers 002029 and up

1шт.

179897

BOLT,Hex, 1/2" - 13 x 4", Gr 5

SCREW, 1/2-13 x 4 hex-hd cap

2шт.

664573R1

LOCK NUT,1/2"-13, GB

NUT, 1/2-13 hex lock

2шт.

120384

WASHER,1/2"

LOCK, 1/2"

2шт.

22191R1

WASHER

.531 x 1.750 x .164 znd

4шт.

11

87414

LUBE NIPPLE,1/4" - 28

FITTING, 1/4-28 self tapping lub

2шт.

21784R1

WASHER

17/64 x 1/2 x 16 ga C-Z

2шт.

12

674296R1

PIPE

ASSY, auger relief pivot, for 430 Baler, 430T Balers 009785 and below, 430W Balers 001503 and below

1шт.

12

674299R1

PIPE

ASSY, auger relief pivot, for 440 Balers, 440T Balers 003569 and below, 440W Balers 002028 and below

1шт.

12

203022C91

PIPE

ASSY, auger relief pivot, 430T Balers 009786 thru 012280, 430W Balers 001504 thru 001778

1шт.

12

202891C1

PIPE

ASSY, auger relief pivot, 440T Balers 003570 and up, 440W Balers 002029 and up, 430T Balers 012281 and up, 430W Balers 001779 and up

1шт.

13

495473R1

BRACKET

BEARING, auger relief RH

1шт.

18508R1

CARRIAGE BOLT,Short Nk, 3/8" - 16 x 3/4", Gr 2, Full Thd

BOLT, 3/8 x 3/4 C-Z sq-nk crg

2шт.

120377

NUT,3/8" - 16, Gr 5

2шт.

120382

LOCK WASHER,Helical Spring, 3/8"

WASHER, LOCK, 3/8"

2шт.

14

667774R1

COLLAR

auger relief RH

1шт.

102872

SET SCREW

1/4-20 x 3/4 C-Z sq-hd cup-pt set

1шт.

120375

NUT,Hex, 1/4" - 20, Gr 5

1шт.

15

112139

WOODRUFF KEY,#A, 1/4" x 7/8"

KEY, 1/4 x 7/8 Woodruff

3шт.

16

674298R1

SHAFT

auger drive, for 430 Balers, 430T Balers 012280 and below, 430W Balers 001778 and below

1шт.

16

674301R1

SHAFT

auger drive, for 440 Balers, 430T Balers 012281 and up, 440W Balers 001779 and up

1шт.

17

674308R1

GEAR

PINION, auger drive

1шт.

22753R1

HEADED PIN,5/16" x 2 3/16"

PIN, HEADED, 5/16" x 2 3/16"

1шт.

12860R1

PIN

1/8 x 1/2 znp cot.

1шт.

20703R1

WASHER

29/32 x 1-3/4 x 16 ga C-Z, (or as required)

7шт.

23365R1

WASHER

29/32 x 1-11/32 x 20 ga C-Z, (or as required)

4шт.

18

674286R1

AUGER

ASSY, for 440 Balers, 430T Balers 012281 and up, 430W Balers 001779 and up

1шт.

18

674290R1

AUGER

ASSY, for 430 Balers, 430T Balers 012281 and up, 430W Balers 001778 and below

1шт.

18

202894C1

AUGER

ASSY, cane hay equip.

1шт.

19

665187R1

THRUST WASHER

bronze

1шт.

20

674292R1

SPACER

PIPE ASSY, auger core, for 430 Balers, 430T Balers 009785 and below, 430W Balers 001503 and below

1шт.

20

202893C1

PIPE

ASSY, auger core, for 430 Balers, 430T Balers 009786 thru 012280, 430W Balers 001504 thru 001778

1шт.

20

674294R1

PIPE

ASSY, auger core, for 440 Balers, 440T Balers 003569 and below, 440W Balers 002028 and below

1шт.

20

203023C91

PIPE

ASSY, auger core, for 440 Balers, 440T Balers 003570 and up, 440W balers 002029 and up, 430T Balers 012281 and up, 430W Balers 001779 and up, cane hay equip

2шт.

21

674307R1

STOP

auger

3шт.

21

202896C1

BLOCK

SPACER, cane hay equip

4шт.

18775R1

BOLT,Hex, 5/16"-18 x 5", G2

5/16 x 5 C-Z hex-hd mach

1шт.

632225R1

LOCK NUT

5/16-18 hex. lock

1шт.

619855R1

WASHER

11/32 x 3/4 x 16 ga C-Z

2шт.

9412083

NUT,5/16"-18, GB

NUT, 5/16-18 cad hex lock, cane hay equip

1шт.

22

674306R1

STRAP

auger guide

2шт.

23

516694R1

SPACER

auger guide strap

2шт.

18511R1

BOLT,Short NK, 3/8"-16 x 3", G2

3/8 x 3 C-Z sq-nk crg

2шт.

124829

JAM NUT,Hex, 3/8" - 16, Gr 5

2шт.

138542

LOCK WASHER,Int Tooth, 3/8"

WASHER, LOCK, Int Tooth, 3/8"

2шт.

21786R1

SQ HOLE WASHER,13/32" x 2 3/8" x .120", Sq Hole

13/32 x 2-3/8 x 11 ga C-Z sq hole

2шт.

24

452864R1

V-BELT

Auger drive

1шт.

25

674419R1

SUPPORT

auger shield

1шт.

12872R1

BOLT,Short NK, 5/16"-18 x 1", G2, Full Thd

CARRIAGE, Short NK, 5/16"-18 x 1", G2, Full Thd

2шт.

120376

NUT,5/16"-18, G5

2шт.

80681

LOCK WASHER,5/16"

WASHER, LOCK, 5/16"

2шт.

619855R1

WASHER

11/32 x 3/4 x 16 ga C-Z

2шт.

26

674314R1

SHIELD

auger front

1шт.

137138

SCREW,Sl Truss Hd, 1/4" - 20 x 3/4"

1/4-20 x 3/4 C-Z slt-truss-hd mach

5шт.

120375

NUT,Hex, 1/4" - 20, Gr 5

5шт.

492-11025

LOCK WASHER,1/4"

WASHER, LOCK, 1/4"

5шт.

27

201906C1

PLATE, bolt bearing, 430T Balers 009785 and below, 430W Balers 001503 and below, 440T Balers 003569 and below, 440W Balers 002028 and below

4шт.

366862C1

LOCK WASHER,3/8"

3/8"

8шт.

186285

BOLT,Hex, 3/8" - 16 x 4", Gr 5

8шт.

664645R1

LOCK NUT,3/8"-16, GB

NUT, 3/8-16 hex. lock

8шт.

28

202837C1

PULLEY

auger drive, 430T Balers 009786 and up, 430W Baler 001504 and up, 440T Balers 003570 and up, 440W Balers 002029 and up

2шт.

616253R1

LOCK PIN,5/16" x 1 5/8", Slotted

Pin, 5/16" x 1 5/8", Slotted

2шт.

WIRE, 16 ga x 5 in. in roll pins

2шт.

Выбрано товаров: 97