Запчасти Case IH 430 (E-17) - CUSTON PICKUP CYLINDER

Схема запчастей Case IH 430 - (E-17) - CUSTON PICKUP CYLINDER
FIT
1:1
100%

Артикул

Название

Примечание

Количество

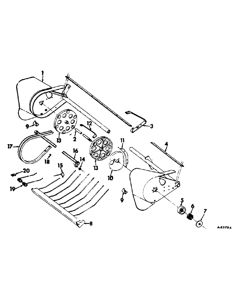
1

201978C1

FRAME ASSY, pickup, for 430 Balers, 430T Balers 012280 and below, 430W Balers 001778 and below

1шт.

1

201984C1

FRAME

ASSY, pickup, for 440 Balers, for cane hay equip also, 430T Balers 012281 and up, 430W Balers 001779 and up

1шт.

14994R1

CARRIAGE BOLT,Sq Nk, 5/16" - 18 x 3/4", Gr 2

BOLT, CARRIAGE, Short NK, 5/16"-18 x 3/4", G2

1шт.

2

663332R2

SHAFT

pickup cyl drive, for 440 Baler, 430T Balers 012281 and up, 430W Balers 001779 and up

1шт.

2

662074R2

SHAFT

pickup cyl drive, for 430 Baler, 430T Balers 012280 and below, 430W Bales 001778 and below

1шт.

425-1516

JAM NUT,Jam, 1"-14, G5

1-14 znd hex. jam

1шт.

21788R1

WASHER

1-1/32 x 1-7/16 x 18 ga C-Z, (or as required)

3шт.

21789R1

WASHER

1-1/32 x 1-1/4 x 16 ga C-Z, (or as required)

2шт.

20529R1

PIN,7/32" x 1 1/2", Slotted

1шт.

3

201990C2

SUPPORT

pickup stripper, for cane hay equip also

20шт.

4

201992C1

SEPARATOR, pickup stripper, for 440 Balers, for cane hay equip also

1шт.

4

201993C1

SEPARATOR, pickup striper, for 430 Balers

1шт.

27607R1

SELF-TAP SCREW,Hex Wash Hd, 5/16" x 3/4"

SCREW, 5/16-18 x 3/4 znd hex washer hd tap

7шт.

22859R1

WASHER

11/32 x 3/4 x 7 ga C-Z

2шт.

21496R1

WASHER

11/32 x 3/4 x 11 ga C-Z

4шт.

5

202399C1

HUB

pickup slip clutch

1шт.

6

M1015

SPRING

pickup clutch

6шт.

7

202090C1

WASHER

pickup slip clutch

1шт.

8

201995C1

TINE ASSY, pickup cover, for 430 Baler, 430T Balers 012280 and below, 430W Balers 001778 and below

1шт.

8

201996C1

TINE ASSY, pickup cover, for 440 Baler, for cane hay equip also, 430T Balers 012281 and up, 430W Balers 001779 and up

1шт.

9

201986C1

RETAINER, end tine, for cane hay equip also

2шт.

16897R1

CARRIAGE BOLT,Short Nk, 5/16" - 18 x 3/4", Gr 2, Full Thd

BOLT, 5/16 x 3/4 znd sq-nk crg

2шт.

120376

NUT,5/16"-18, G5

2шт.

80681

LOCK WASHER,5/16"

WASHER, LOCK, 5/16"

2шт.

10

201951C1

CAM

pickup tooth control, for cane hay equip also

1шт.

18764R1

HARDWARE,Hex, 5/16"-18 x 3/4", G2

BOLT, 5/16 x 1 znd hex-hd mach

3шт.

80681

LOCK WASHER,5/16"

WASHER, LOCK, 5/16"

3шт.

619885R1

WASHER, 11/32 x 3/4 x 16 ga C-Z

3шт.

11

201952C1

GUIDE ASSY, tooth bar roller, for cane hay equip also

1шт.

12

201991C2

BRACE

pickup stripper, for cane hay equip also

20шт.

18784R1

BOLT,Hex, 3/8"-16 x 2 3/4", G2

3/8 x 2-3/4 znd hex-hd mach

20шт.

120377

NUT,3/8" - 16, Gr 5

20шт.

120382

LOCK WASHER,Helical Spring, 3/8"

WASHER, LOCK, 3/8"

20шт.

27607R1

SELF-TAP SCREW,Hex Wash Hd, 5/16" x 3/4"

SCREW, 5/16-18 x 3/4 znd hex washer hd tap

40шт.

13

201962C1

END

pickup cylinder, for cane hay equip also

2шт.

14

ST543

BALL BEARING,15mm ID x 35mm OD x 11mm W

BEARING ASSY, pickup cyl tine control, for cane hay equip also

6шт.

21787R1

WASHER

2-1/16 x 2-15/16 x 16 ga C-Z, (or as required)

30шт.

432-1240

COTTER PIN,3/16" x 2 1/2"

Pin, Split (Cotter), (Replaces 137273) 3/16" x 2 1/2"

6шт.

15

200499C1

FINGER

TINE, rubber pickup, 430T Balers 015560 and below, 430W Balers 002053 and below, 440T Balers 005493 and below, 440W Balers 003032 and below, 126 for 440 Baler, 108 for 430 Baler

1шт.

120376

NUT,5/16"-18, G5

126 for 440 Baler; 108 for 430 Baler 5/16"-18, G5

1шт.

80681

LOCK WASHER,5/16"

WASHER, LOCK, , 126 for 440 Baler, 108 for 430 Baler 5/16"

1шт.

16

201987C91

BAR ASSY, pickup tooth, 6 for 440 Balers, 440T Balers 005493 and below, 440W Balers 003032 and below

1шт.

16

204618C91

BAR ASSY, pickup tooth, for cane hay equip also, 430T Balers 015561 and up, 430W Balers 002054 and up, 440T Balers 005494 and up, 440W Balers 003033 and up

6шт.

16

201953C91

BAR ASSY, pickup tooth, 6 for 430 Balers, 430T Balers 015560 and below, 430W Balers 002053 and below

1шт.

17

201989C1

STRIPPER

pickup, for cane hay equip also

20шт.

27607R1

SELF-TAP SCREW,Hex Wash Hd, 5/16" x 3/4"

SCREW, 5/16-18 x 3/4 znd hex washer hd tap

80шт.

18

202107C1

BOLT,Hex Serr Flg, 5/16" - 18 x 3/4"

5/16 x 3/4 znd washer hex-hd , 80 for 440 Balers, 68 for 430 Balers, 430T Balers 015560 and below, 430W Balers 002053 and below, 440T Balers 005493 and below, 440W Balers 003032 and below

1шт.

19

210614C1

FINGER,Coiled, 2 Prongs, 178mm L

TINE, pickup, 430T Balers 015561 and up, 430W Balers 002054 and up, 440T Balers 005494 and up, 440W Balers 003033 and up, for cane hay equip also (replaces 208559C2)

60шт.

180077

BOLT,Hex, 5/16" - 18 x 3/4", Gr 5

SCREW, 5/16-18 x 3/4 znd hex-hd cap

60шт.

120376

NUT,5/16"-18, G5

60шт.

80681

LOCK WASHER,5/16"

WASHER, LOCK, 5/16"

60шт.

20

27513K

CUP WASHER

WASHER PICKUP CYL, spring tooth

60шт.

12872R1

BOLT,Short NK, 5/16"-18 x 1", G2, Full Thd

CARRIAGE, Short NK, 5/16"-18 x 1", G2, Full Thd

60шт.

938017R1

FLANGE NUT,Flg, USR, 5/16"-18

5/16-18 znd hex lock

60шт.

Выбрано товаров: 54