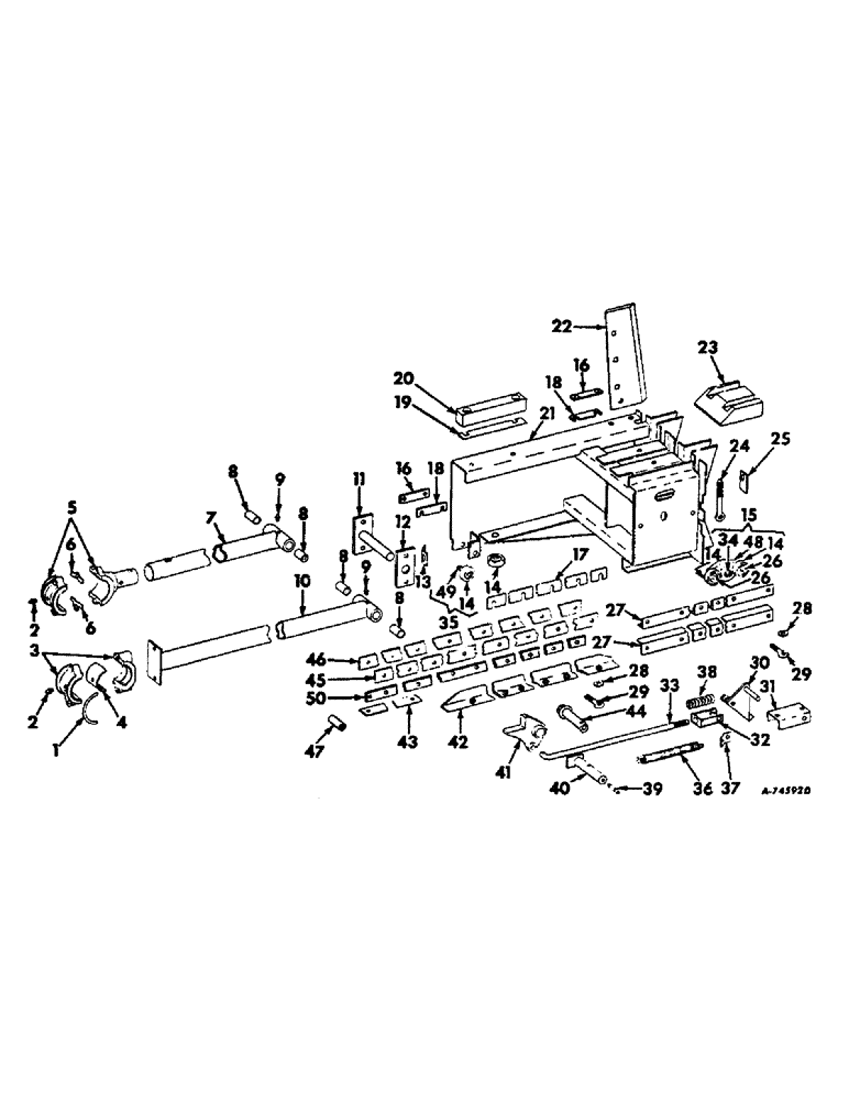
Запчасти Case IH 430 (E-22) - PLUNGER

Схема запчастей Case IH 430 - (E-22) - PLUNGER
FIT
1:1
100%

Артикул

Название

Примечание

Количество

1

665450R1

SEAL

SEAL, Pitman brg front oil, 4 for wire Balers

1шт.

24814R1

SCREW, 7/16-14 x 3-3/4 znd hex-hd dld cap

2шт.

425-127

SLOTTED NUT,7/16"-14, G5

NUT, 7/16-14 C-Z slt hex.

2шт.

454490

PIN

3/32 x 1-1/2 znp cot.

2шт.

2

109461

LUBE NIPPLE,1/8"-27 x .66 lg

NIPPLE, LUBE, , PTF 1/8"-27 x .66 lg

1шт.

3

665716R11

BEARING ASSY

ASSY, Pitman front, for wire Balers

1шт.

4

664975R1

BEARING LINER

INSERT, Pitman brg front, 2 for wire Balers

1шт.

5

495177R21

BEARING ASSY,4.5" OD x 2.97"

BEARING ASSY, Pitman front, for twine Balers

1шт.

180190

LOCK SCREW,Hex, 1/2" - 13 x 3", Gr 5

SCREW, 1/2-13 x 3 C-Z hex-hd cap

2шт.

120384

WASHER,1/2"

LOCK, 1/2"

2шт.

474848R1

LOCK NUT,1/2"-13, GB

NUT, 1/2-13 C-Z hex. lock

2шт.

6

495278R2

SHIM

Pitman brg, (or as required), for twine Balers

16шт.

179893

BOLT,Hex, 1/2" - 13 x 3", Gr 5

SCREW, 1/2-13 x 3 hex-hd cap

1шт.

474848R1

LOCK NUT,1/2"-13, GB

NUT, 1/2-13 C-Z hex. lock

1шт.

120384

WASHER,1/2"

LOCK, 1/2"

1шт.

7

667943R91

PITMAN

ASSY, for twine Balers

1шт.

8

664976R1

BUSHING,31.8mm ID x 34.95mm OD x 44.7mm L

Pitman rear

2шт.

9

127743

LUBE NIPPLE,65 Degree, 1/8" NPT x 1.20" lg

FITTING, 1/8-27 PTF 65 deg angle lub

1шт.

10

665714R91

TUBE,35.75" Length

PITMAN ASSY, for wire Balers

1шт.

11

668358R91

SUPPORT

BLOCK ASSY, plunger Pitman

1шт.

12

668359R1

BLOCK

Pitman

1шт.

673707R1

CARRIAGE BOLT,Sht Sq Nk, 1/2" - 13 x 1 1/2", Gr 5

BOLT, 1/2 x 1-1/2 sq-nk crg type 2 material

4шт.

474848R1

LOCK NUT,1/2"-13, GB

NUT, 1/2-13 C-Z hex. lock

4шт.

120384

WASHER,1/2"

LOCK, 1/2"

4шт.

13

668362R1

STRIP

SCRAPER, plunger front

1шт.

271723

SNAP RING,Hex, 5/8" - 11 x 2", Gr 5

SCREW, 5/8-11 x 2 C-Z hex-hd cap

1шт.

492-11062

BEARING WASHER,5/8"

WASHER, LOCK, 5/8"

1шт.

608701R1

WASHER

21/32 x 1-1/4 x 16 ga C-Z

1шт.

21793R1

WASHER

21/32 x 1-1/4 x 7 ga C-Z

2шт.

14

667925R91

ROLLER BEARING,0.628" ID x 2" OD x 15 mm

ROLLER, plunger

6шт.

413-1032

BOLT,Hex, 5/8" - 11 x 2", Gr 5

SCREW, 5/8-11 x 2 znd hex-hd cap

1шт.

178627

LOCK WASHER,Ext-Int Tooth, 5/8"

WASHER, 5/8 C-Z int-ext-tooth

1шт.

23836R1

WASHER

21/32 x 1-3/8 x 11 ga C-Z

1шт.

15

674052R11

ROLLER

MOUNT ASSY, roller LH

1шт.

16

668367R1

PAD

wearing lower

2шт.

180075

BOLT,Hex, 5/16" - 18 x 5/8", Gr 5

SCREW, 5/16-18 x 5/8 C-Z hex-hd cap

4шт.

80681

LOCK WASHER,5/16"

WASHER, LOCK, 5/16"

4шт.

17

664542R1

SHIM

plunger thrust spacer lower, (or as required)

1шт.

425-110

5/8-18 C-Z hex.

2шт.

492-11062

BEARING WASHER,5/8"

WASHER, LOCK, 5/8"

2шт.

18

668368R1

SHIM

plunger lower, (or as required)

4шт.

19

668365R1

SHIM,45.72mm OD x 0.76mm Thk

plunger upper right, (or as required)

2шт.

20

668364R2

BLOCK

plunger upper right

1шт.

18474R1

BOLT,Hex, 5/16" - 18 x 1", Gr 2

5/16 x 1 C-Z hex-hd mach

2шт.

453838

NUT

5/16-18 C-Z tee type G

2шт.

80681

LOCK WASHER,5/16"

WASHER, LOCK, 5/16"

2шт.

21

674043R2

PLUNGER

ASSY

1шт.

22

667684R2

KNIFE

hay

1шт.

21538R1

CARRIAGE BOLT,#3, 5/8" - 11 x 1 1/2", Gr 2

BOLT, 5/8 x 1-1/2 C-Z No. 3 plow repair hd

3шт.

121358

YOKE

5/8-18 C-Z hex.

3шт.

492-11062

BEARING WASHER,5/8"

WASHER, LOCK, 5/8"

3шт.

23

668375R1

BLOCK

plunger upper center

1шт.

18422R1

CARRIAGE BOLT,Sq Nk, 3/8" - 16 x 1 3/4", Gr 2

BOLT, 3/8 x 1-3/4 C-Z sq-nk crg

2шт.

120377

NUT,3/8" - 16, Gr 5

2шт.

120382

LOCK WASHER,Helical Spring, 3/8"

WASHER, LOCK, 3/8"

2шт.

24

667922R1

BOLT,Eye, 5/8" - 11 x 4.69"

plunger eye

1шт.

120378

NUT,Hex, 1/2" - 13, Gr 5

NUT, 1/2"-13, G5

2шт.

25

668363R1

SCRAPER

plunger rear

1шт.

12872R1

BOLT,Short NK, 5/16"-18 x 1", G2, Full Thd

CARRIAGE, Short NK, 5/16"-18 x 1", G2, Full Thd

1шт.

120376

NUT,5/16"-18, G5

1шт.

80681

LOCK WASHER,5/16"

WASHER, LOCK, 5/16"

1шт.

120393

BEARING WASHER,5/16", SAE

WASHER, 11/32 x 11/16 x 16 ga C-Z

1шт.

26

674053R1

STUD

roller mount LH

2шт.

27

674057R1

ANGLE

plunger guide

2шт.

180118

BOLT,Hex, 3/8" - 16 x 5/8", Gr 5

SCREW, 3/8-16 x 5/8 C-Z hex-hd cap, 12 for twine Balers, 10 for wire Balers

1шт.

120382

LOCK WASHER,Helical Spring, 3/8"

WASHER, LOCK, , 12 for twine balers, 10 for wire balers 3/8"

1шт.

113-206

BOLT,Hex, 3/8" - 16 x 3/4", Gr 5, Full Thd

3/8-16 x 3/4 C-Z hex-hd cap, 2 for wire Balers

1шт.

138542

LOCK WASHER,Int Tooth, 3/8"

WASHER, LOCK, , 2 for wire balers Int Tooth, 3/8"

1шт.

477242R1

WASHER

13/32 x 1 x 22 ga C-Z

6шт.

28

(Not used)

1шт.

29

674056R1

BOLT,Eye, 1/2" - 13 x 2.70"

plunger guide eye

2шт.

120238

JAM NUT,Jam, 1/2"-13, G5

1/2-13 znp hex. jam

2шт.

120378

NUT,Hex, 1/2" - 13, Gr 5

NUT, 1/2"-13, G5

2шт.

21741R1

WASHER

13/32 x 7/8 x 11 ga C-Z, (or as required)

1шт.

30

201581C1

STOP

ARM ASSY, plunger stop, replaces 674066R1 and 674069R1

1шт.

20869R1

WASHER

17/32 x 7/8 x 16 ga C-Z

1шт.

18481R1

COTTER PIN,3/16" x 1"

PIN, SPLIT (COTTER), 3/16" x 1"

1шт.

31

674071R1

BRACKET

plunger stop mounting

1шт.

18508R1

CARRIAGE BOLT,Short Nk, 3/8" - 16 x 3/4", Gr 2, Full Thd

BOLT, 3/8 x 3/4 C-Z sq-nk crg

2шт.

120377

NUT,3/8" - 16, Gr 5

2шт.

120382

LOCK WASHER,Helical Spring, 3/8"

WASHER, LOCK, 3/8"

2шт.

32

674072R1

CLEVIS

plunger stop link

1шт.

33

674064R1

LINKAGE

LINK, plunger stop

1шт.

120378

NUT,Hex, 1/2" - 13, Gr 5

NUT, 1/2"-13, G5

1шт.

137185

COTTER PIN,1/8" x 1"

PIN, SPLIT (COTTER), 1/8" x 1"

2шт.

21740R1

WASHER

17/32 x 1-1/2 x 16 ga C-Z

2шт.

34

674054R1

BUSHING

plunger roller mount

1шт.

35

674058R21

BEARING ASSY

BEARING ASSY, plunger roller

2шт.

36

655919R1

SPRING

plunger stop

1шт.

37

674065R1

ANCHOR

plunger stop spring

1шт.

38

664301R1

SPRING

plunger stop relief

1шт.

39

332040

LUBE NIPPLE,90 Degree, 1/8" NPT x .84" lg

FITTING, 1/8-27 PTF 90 deg angle lub

1шт.

40

674061R1

PIVOT

ASSY, plunger stop

1шт.

18495R1

BOLT,Hex, 3/8" - 16 x 1 1/4", Gr 2

3/8 x 1-1/4 C-Z hex-hd mach

1шт.

120377

NUT,3/8" - 16, Gr 5

1шт.

120382

LOCK WASHER,Helical Spring, 3/8"

WASHER, LOCK, 3/8"

1шт.

41

674060R1

STOP

plunger

1шт.

42

203032C1

ANGLE

plunger guide thrust, replaces 674055R1

1шт.

19020R1

PLOW BOLT,#3, 3/8" - 16 x 1 1/4", Gr 2

BOLT, 3/8-16 x 1-1/4 znd No. 3 plow

4шт.

19023R1

CARRIAGE BOLT,#3, 3/8" - 16 x 2", Gr 2

BOLT, 3/8-16 x 2 znd No. 3 plow

2шт.

120377

NUT,3/8" - 16, Gr 5

6шт.

120382

LOCK WASHER,Helical Spring, 3/8"

WASHER, LOCK, 3/8"

6шт.

21741R1

WASHER

13/32 x 7/8 x 11 ga C-Z

4шт.

43

674059R2

LARGE PLATE

EXTENSION, bottom plate

1шт.

44

674073R1

SLEEVE

ASSY, plunger stop spring

1шт.

20704R1

WASHER

1-1/32 x 1-1/2 x 11 ga C-Z

1шт.

21648R1

LOCK PIN,1/4" x 1 1/4", Slotted

Pin, 1/4" x 1 1/4", Slotted

1шт.

366112R1

WASHER

25/32 x 1-1/4 x 11 ga C-z

1шт.

22752R1

SPLIT PIN/SAFETY PIN

PIN, 3/8 x 2-1/4 znp std-hd

1шт.

648002

KNIFE

1/8" x 3/4"

1шт.

619856R1

WASHER

13/32 x 1 x 16 ga C-Z

1шт.

45

667936R2

SPACER

lower plunger thrust, 430T Balers 009785 and below, 430W Balers 001503 and below, 440T Balers 003569 and below, 440W Balers 002028 and below

1шт.

46

667937R2

STRIP

1шт.

FILLER, lower plunger thrust spacer, 430T Balers 009785 and below, 430W Balers 001503 and below, 440T Balers 003569 and below, 440W Bales 002028 and below, furnish as order until exhausted, then furnish (1) 203015C1 strip, (2) 203016C1, shim (1) 203017C1, shim for replacement of 667936R2 or 667937R2. When new parts are used to replace either old part both old parts must be discarded, use hardware listed w/new part

1шт.

47

674582R1

NIPPLE, LUBE

NIPPLE, plunger stop

1шт.

48

(Not serviced separately), order 674052R11

1шт.

49

(Not serviced separately), order 674058R21

1шт.

50

203015C1

PLATE

STRIP, plunger thrust, 430T Balers 009786 and up, 430W Balers 001504 and up, 440T Balers 003570 and up, 440W Balers 002029 and up

1шт.

180077

BOLT,Hex, 5/16" - 18 x 3/4", Gr 5

SCREW, 5/16-18 x 3/4 znd hex-hd cap

6шт.

9635884

BOLT,Hex, 5/16" - 18 1", Full Thd, Gr 5

5/16-18 x 1 znd hex-hd cap

2шт.

180080

BOLT,Hex, 5/16" - 18 x 1 1/8", Gr 5, Full Thd

SCREW, 5/16-18 x 1-1/8 znd hex-hd cap

1шт.

80681

LOCK WASHER,5/16"

WASHER, LOCK, , 430 Baler 5/16"

9шт.

23060R1

LOCK WASHER,Int Tooth, 5/16"

WASHER, 5/16 znd int. tooth lock (440 Baler)

9шт.

22859R1

WASHER

11/32 x 3/4 x 7 ga C-Z

9шт.

Выбрано товаров: 124