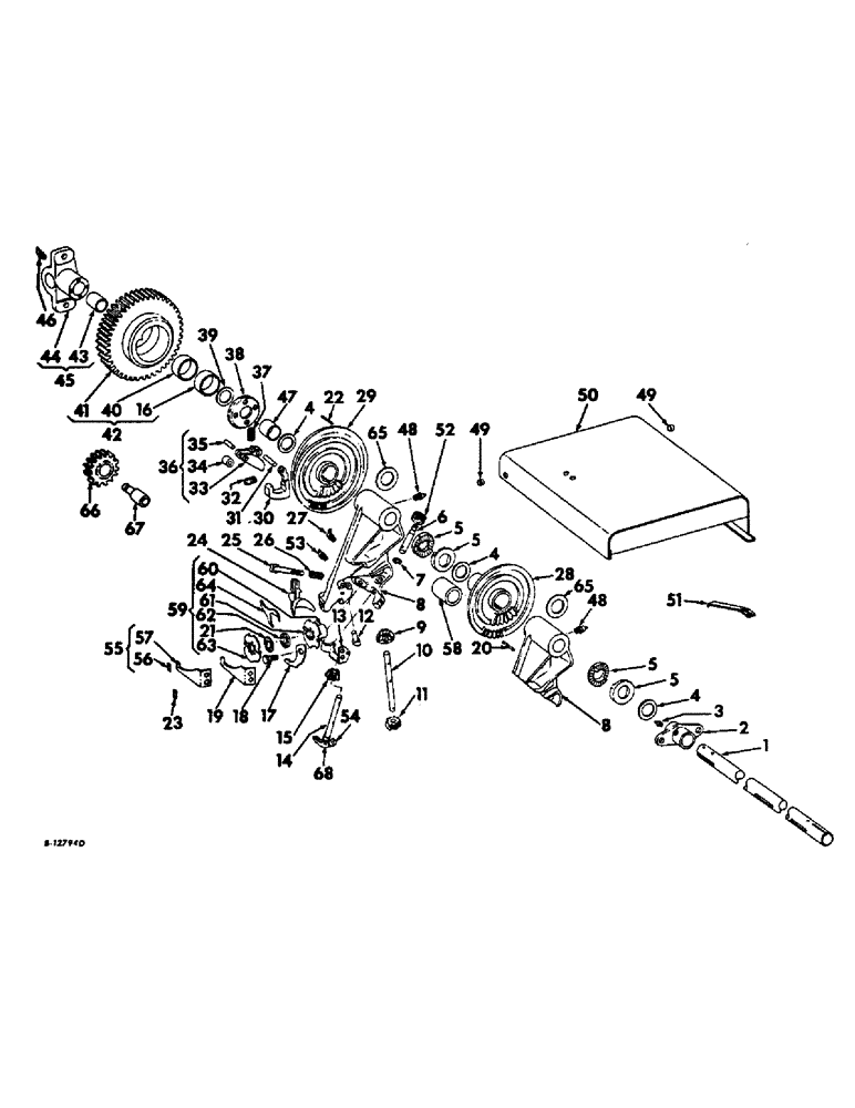
Запчасти Case IH 430 (E-37) - KNOTTER & KNOTTER COVER, FOR TWINE BALERS, 430T BALER 501N THRU 005755, 440T BALER 501N THRU 002159

Схема запчастей Case IH 430 - (E-37) - KNOTTER & KNOTTER COVER, FOR TWINE BALERS, 430T BALER 501N THRU 005755, 440T BALER 501N THRU 002159
FIT
1:1
100%

Артикул

Название

Примечание

Количество

1

667812R1

SHAFT

knotter

1шт.

2

667818R1

FLANGE

BEARING, knotter shaft left

1шт.

18495R1

BOLT,Hex, 3/8" - 16 x 1 1/4", Gr 2

3/8 x 1-1/4 C-Z hex-hd mach

2шт.

120377

NUT,3/8" - 16, Gr 5

2шт.

120382

LOCK WASHER,Helical Spring, 3/8"

WASHER, LOCK, 3/8"

2шт.

3

87414

LUBE NIPPLE,1/4" - 28

FITTING, 1/4-28 str self tap. lub

1шт.

4

21747R1

WASHER,1.22" ID x 2" OD x 0.07" Thk

1-7/32 x 2 x 16 ga C-Z, (or as required)

3шт.

5

667813R1

COLLAR CLAMP

COLLAR, knotter shaft adjusting

4шт.

443100

STUD

No.12 x 1/2 rd-hd grooved

4шт.

137258

COTTER PIN

3/16" x 1 3/4"

1шт.

21812R1

WASHER

1-7/32 x 2 x 22 ga C-Z, (or as required)

2шт.

607894R1

WASHER

1-7/32 x 1-3/4 x 22 ga C-Z, (or as required)

2шт.

607890R1

WASHER

1-7/32 x 1-3/4 x 16 ga C-Z, (or as required)

2шт.

6

668415R1

SPINDLE

cord holder

2шт.

7

667239R1

DISC

SHIM, knotter hook shaft and cord holder, (or as required)

3шт.

8

668956R91

KNOTTER ASSY

2шт.

Long wear part.

1шт.

8

668957R11

FRAME W/WEARING PIECE, knotter

2шт.

Long wear part.

1шт.

8

666510R92

KNOTTER ASSY.

KNOTTER ASSY

2шт.

8

495965R94

KNOTTER ASSY.

FRAME W/WEARING PIECE KNOTTER

2шт.

9

495192R3

GEAR

PINION, cord holder drive bevel

2шт.

9

668958R2

GEAR

PINION, cord holder drive bevel

2шт.

Long wear part.

1шт.

10

495433R1

SHAFT HOUSING

SHAFT, cord holder drive

2шт.

Q5066

PIN

cord holder drive shaft

4шт.

21811R1

WASHER

19/32 x 15/16 x 20 ga, (or as required)

4шт.

21810R1

WASHER

19/32 x 15/16 x 22 ga C-Z, (or as required)

4шт.

11

495425R1

GEAR

PINION, cord holder helical

2шт.

11

668960R1

GEAR

PINION, cord holder helical

2шт.

Long wear part.

1шт.

12

V618H

SPACER

PIECE, knotter frame wearing

2шт.

117898

PIN

5/32 x 1-1/16 sq-end str

2шт.

13

667408R1

SPRING

twine end retainer

2шт.

14

666511R92

TWISTER

HOOK ASSY, knotter

2шт.

15

495197R3

GEAR

PINION, Bill Hook

2шт.

15

668959R1

GEAR

PINION, Bill Hook

2шт.

Long wear part.

1шт.

Q3854

PIN

knotter pinion

2шт.

16

669644R1

BUSHING

knotter drive gear LH

1шт.

17

495474R3

SHIM

BLADE, cord holder keeper

2шт.

17

668963R1

HOLDER

BLADE, cord holder keeper

2шт.

Long wear part.

1шт.

18

495432R1

SCREW

STUD, cord holder keeper pivot

2шт.

19

495463R4

KNIFE

twine, optional w/668961R21

2шт.

18654R1

BOLT,Hex, 1/4" - 20 x 3/4", Gr 2

1/4 x 3/4 znd hex-hd mach

4шт.

492-11025

LOCK WASHER,1/4"

WASHER, LOCK, 1/4"

4шт.

20

Q22

KEY

3/8 x 1/4 x 2-1/4 str

1шт.

21

495504R1

SHIM

cord holder .005, (or as required)

6шт.

21

667238R1

SHIM

cord holder, .003, (or as rquired)

4шт.

21

667547R1

SHIM, cord holder plastic .005

4шт.

22

Q3728

KEY,Gib, 3/8" Sq x 2 1/8" Tap

3/8 x 2-1/8 sq tapered

1шт.

23

200425C1

SPACER

twine knife, (or as required)

6шт.

24

667563R1

CAM

knotter jaw closing

2шт.

25

667533R1

BOLT,3/8" - 16 x 2 7/8"

3/8-16 x 2-7/8 C-Z special knotter jaw cam

2шт.

472144R1

NUT

3/8-16 C-Z hex. lock

2шт.

469668R1

WASHER

13/32 x 3/4 x 16 ga C-Z

4шт.

18796R1

BOLT,Hex, 7/16"-14 x 1 1/2", G2

7/16 x 1-1/2 C-Z hex-hd mach

2шт.

120383

LOCK WASHER,Helical Spring, 7/16"

WASHER, LOCK, 7/16"

2шт.

607891R1

WASHER

15/32 x 1 x 16 ga C-Z

2шт.

26

U13033

SPRING

knotter closing cam

2шт.

27

19628R91

NIPPLE, LUBE

FITTING, 1/8-27 PTF 45 deg angle self tapping lub

4шт.

28

667819R2

CAM

knotter left

1шт.

28

668971R3

CAM, knotter LH

1шт.

Long wear part.

1шт.

180190

LOCK SCREW,Hex, 1/2" - 13 x 3", Gr 5

SCREW, 1/2-13 x 3 C-Z hex-hd cap

1шт.

120378

NUT,Hex, 1/2" - 13, Gr 5

NUT, 1/2"-13, G5

1шт.

120384

WASHER,1/2"

LOCK, 1/2"

1шт.

29

667820R4

CARRIER

trip dog, Baler not equipped with long wear knotters, 430T serial No. 000501 thrj 012280, 440T serial No. 000501 thru 004613, 667820R4 and 204141C91 must be ordered afer 667820R3 is exhausted

1шт.

29

668970R4

CARRIER

trip dog

1шт.

Long wear part.

1шт.

443057

GROOVED PIN,3/8" x 2 1/4", Type F

Pin, Grooved, , Baler equipped with long wear knotters, 430T serial No. 000501 thru 005755, 440 serial No. 000501 thru 002159, 668970R4 and 204141C91 must be ordered after 668970R3 is exhausted 3/8" x 2 1/4", Type F

1шт.

30

662048R2

PAWL

DOG, auxiliary trip

1шт.

31

664947R1

PIVOT

trip dog

1шт.

Q134

WASHER, 15/32 x 13/16 x 18 ga, (or as required)

1шт.

21756R1

WASHER

15/32 x 3/4 x 22 ga C-Z, (or as required)

1шт.

32

R1003

SPRING

auxiliary trip dog

1шт.

33

NSS

NOT SOLD SEPARAT

(Not serviced separately), order 655712R11

1шт.

34

V341

PAWL

ROLLER, trip dog

1шт.

35

V690

PIN

STUD, trip dog roller

1шт.

36

655712R11

PAWL

DOG W/ROLLER & STUD, trip

1шт.

37

V680

SPRING

trip dog

1шт.

38

666754R1

WASHER

RETAINER, drive gear

1шт.

668787R1

SCREW,Hex Soc Hd, 1/4"-20 x 1/2"

1/4-20 x 1/2 hex-soc-hd nylock cap

4шт.

39

202531C1

WASHER

drive gear, (or as required)

2шт.

40

667826R1

BUSHING

knotter drive gear RH

1шт.

41

NSS

NOT SOLD SEPARAT

(Not serviced separately), order 674103R11

1шт.

42

674103R11

GEAR

ASSY, knotter drive

1шт.

43

667824R1

BUSHING

knotter shaft

1шт.

180177

BOLT,Hex, 1/2" - 13 x 1 1/2", Gr 5

SCREW, 1/2-13 x 1-1/2 C-Z hex-hd cap

2шт.

120384

WASHER,1/2"

LOCK, 1/2"

2шт.

44

NSS

NOT SOLD SEPARAT

(Not serviced separately), order 669643R11

1шт.

45

669643R11

PIVOT

SUPPORT W/BUSHING, knotter & gear insert

1шт.

46

16964R91

FITTING

1/4-28 90 deg angle lub

1шт.

47

(Not used)

1шт.

48

219-86

LUBE NIPPLE,1/8" NPTF

FITTING, 1/8-27 PTF str self tap. lub

6шт.

49

11309N

SPACER

knotter cover, regular for 440 Balers, special for 430 Balers

2шт.

19570R1

BOLT,Hex, 1/4" - 20 x 5/8", Gr 2

1/4-20 x 5/8 C-Z hex-hd mach

2шт.

492-11025

LOCK WASHER,1/4"

WASHER, LOCK, 1/4"

2шт.

120392

WASHER,1/4", SAE

9/32 x 5/8 x 16 ga C-Z

2шт.

50

667784R92

COVER

ASSY, knotter, regular for 440 Balers, special for 430 Balers

1шт.

51

667787R1

SPRING

knotter cover, regular for 440 Balers, special for 430 Balers

1шт.

110638

RIVET

3/16 x 5/16 small b-hd solid

2шт.

52

668416R1

GEAR

helical driven cord holder

2шт.

52

668978R1

GEAR

helical driven cord holder

2шт.

Long wear part.

1шт.

NLS

NO LONGER SERVICED

NUT, 7/16-14 C-Z hex.

2шт.

272122

BUSHING

7/16-14 C-Z hex. jam

2шт.

53

87415

LUBE NIPPLE,90 Degree, 1/4" NPT x 3/4" L, Drive

NIPPLE, LUBE, 90°, 1/4" NPT x .75" lg, Drive

2шт.

54

666517R92

HOOK

JAW ASSY, knotter

2шт.

55

668961R21

KNIFE

ASSY, twine, optional w/495463R4

2шт.

18654R1

BOLT,Hex, 1/4" - 20 x 3/4", Gr 2

1/4 x 3/4 C-Z hex-hd mach

4шт.

492-11025

LOCK WASHER,1/4"

WASHER, LOCK, 1/4"

4шт.

56

668962R1

KNIFE,14.28mm L x 9.53mm W x 0.71mm Thk

BLADE, twin knife

2шт.

Long wear part.

1шт.

436690

SCREW,Slotted Pan Hd, #8-32 x 3/16"

8-32 x 3/16 C-Z pan-hd slt mach

2шт.

178373R1

WASHER

17/32 x 1 x 16 ga

1шт.

57

NSS

NOT SOLD SEPARAT

(Not serviced separately), order 668961R21

1шт.

58

668972R1

SPACER, knotter cam LH

1шт.

Long wear part.

1шт.

59

495619R95

DISC

CLEANER ASSY, cord holder

2шт.

59

668964R92

HOLDER

CLEANER ASSY, cord holder

2шт.

Long wear part.

1шт.

60

668965R1

HUB

cord holder

2шт.

Long wear part.

1шт.

17064R1

LOCK PIN,1/8" x 5/8", Slotted

Pin, 1/8" x 5/8", Slotted

2шт.

61

672524R2

DISC

DISK, cord holder rear

2шт.

61

668966R2

DISC

DISK, cord holder rear

2шт.

Long wear part.

1шт.

62

668967R1

RETAINER

SPACER, cord holder

2шт.

Long wear part.

1шт.

63

495462R3

DISC

DISK, cord holder front

2шт.

63

668968R2

DISC

DISK, cord holder front

2шт.

Long wear part.

1шт.

133567

SCREW,Sl Flat Hd, #10 - 24 x 5/8"

12шт.

17348R1

LOCK PIN,3/16" x 1 3/8", Slotted

PIN, 3/16" x 1 3/8", Slotted

2шт.

64

495475R3

HALF BLADE

CLEANER, cord holder

2шт.

64

668969R2

CLEANER ASSY.

CLEANER, cord holder

2шт.

Long wear part.

1шт.

65

667588R1

DISC

SHIM, knotter to cam fit up, (or as required)

22шт.

66

674104R1

GEAR

PINION, auger drive idler

1шт.

67

674464R91

BEARING ASSY,0.6267" ID x 1.1811" OD x 1.531"

ASSY, auger drive

1шт.

23685R1

SET SCREW,Hex Soc, 3/8"-16 x 1 3/4"

Cup Pt Hex Soc, 3/8"-16 x 1 3/4"

1шт.

124829

JAM NUT,Hex, 3/8" - 16, Gr 5

1шт.

68

666515R1

PIN

knotter hook jaw

2шт.

21797R1

WASHER

19/32 x 15 16 x 24 ga C-Z

2шт.

Выбрано товаров: 146