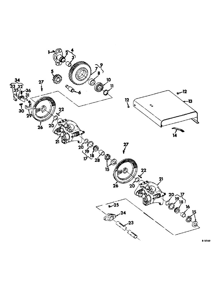
Запчасти Case IH 430 (E-51) - LOCK-TWIST TWISTER AND RELATED PARTS, SERIAL NUMBER, 430W 001194 & UP, 440W 002160 & UP

Схема запчастей Case IH 430 - (E-51) - LOCK-TWIST TWISTER AND RELATED PARTS, SERIAL NUMBER, 430W 001194 & UP, 440W 002160 & UP
FIT
1:1
100%

Артикул

Название

Примечание

Количество

1

16964R91

FITTING

1/4-28 90 deg angle lub

1шт.

2

SUPPORT, twister and gear insert, (not serviced separately), order 669630R91

1шт.

3

667844R1

BUSHING

twister shaft

1шт.

180177

BOLT,Hex, 1/2" - 13 x 1 1/2", Gr 5

SCREW, 1/2-13 x 1-1/2 znd hex-hd cap

2шт.

120384

WASHER,1/2"

LOCK, 1/2"

2шт.

4

669630R91

SUPPORT

W/BUSHING, twister and gear insert

1шт.

5

674104R1

GEAR

PINION, auger drive idler

1шт.

6

674464R91

BEARING ASSY,0.6267" ID x 1.1811" OD x 1.531"

ASSY, auger drive

1шт.

23685R1

SET SCREW,Hex Soc, 3/8"-16 x 1 3/4"

Cup Pt Hex Soc, 3/8"-16 x 1 3/4"

1шт.

120377

NUT,3/8" - 16, Gr 5

1шт.

7

GEAR, twister drive, (not serviced separately), order 674353R11

1шт.

8

667826R1

BUSHING

knotter drive gear

1шт.

9

674353R11

GEAR

W/BUSHING, twister drive

1шт.

10

361017R91

BALL BEARING,1.9685" ID x 3.5433 mm OD x 0.7894 mm

ASSY, twister drive gear

1шт.

11

287049R1

SNAP RING,#196, Ext

Ring, Snap, , twister drive gear bearing #196, Ext

1шт.

12

11309N

SPACER

knotter cover, regular for 440 Balers, special for 430 Balers

2шт.

19570R1

BOLT,Hex, 1/4" - 20 x 5/8", Gr 2

1/4 x 5/8 znd hex-hd mach

2шт.

492-11025

LOCK WASHER,1/4"

WASHER, LOCK, 1/4"

2шт.

120392

WASHER,1/4", SAE

9/32 x 5/8 x 16 ga C-Z

2шт.

13

667784R92

COVER

ASSY, twister, regular for 440 Balers, special for 430 Balers

1шт.

14

667787R1

SPRING

knotter cover, regular for 440 Balers, special for 430 Balers

1шт.

110638

RIVET

3/16 x 5/16 b-hd solid

2шт.

15

674348R1

COLLAR

twister shaft adjusting

4шт.

443100

STUD

No. 12 x 1/2 rd-hd grooved drive

4шт.

16

201684C1

SPACER

twister frame LH

1шт.

17

202512C91

RING

ASSY, twister spacer

2шт.

18

SPACER, twister, (not serviced separately), order 202512C91

2шт.

19

238604R1

SNAP RING,#212, Ext

RING, SNAP, #212, Ext

2шт.

20

667439R1

SHIM

twister shaft .005, (or as req.)

14шт.

21

201676C91

TWISTER

ASSY, for components see list of parts under detail of twister

2шт.

22

Q72

KEY,5/16" Sq x 1 7/8", Par

3/8 x 1-7/8 sq parallel

2шт.

23

201683C1

SHAFT

wire twister

1шт.

608085R1

WASHER

1-13/32 x 2 x 16 ga

1шт.

68676H

WASHER

1-13/32 x 1-3/4 x 22 ga, (or as required)

14шт.

137263

STRIP

3/16" x 2"

1шт.

24

674347R1

FLANGE

BEARING, twister shaft L

1шт.

18495R1

BOLT,Hex, 3/8" - 16 x 1 1/4", Gr 2

3/8 x 1-1/4 znd hex-hd mach

2шт.

120377

NUT,3/8" - 16, Gr 5

2шт.

120382

LOCK WASHER,Helical Spring, 3/8"

WASHER, LOCK, 3/8"

2шт.

25

87415

LUBE NIPPLE,90 Degree, 1/4" NPT x 3/4" L, Drive

NIPPLE, LUBE, 90°, 1/4" NPT x .75" lg, Drive

1шт.

26

201687C1

GEAR

trip dog carrier and wire twister

2шт.

181705

SCREW, 1/2-20 x 2 znd hex-hd cap

2шт.

120384

WASHER,1/2"

LOCK, 1/2"

2шт.

27

201688C1

SCREW

twister gear set

2шт.

124829

JAM NUT,Hex, 3/8" - 16, Gr 5

2шт.

28

201689C1

SPACER

twister shaft RH

1шт.

29

663378R1

PAWL

DOG, auxiliary trip

1шт.

30

R1003

SPRING

auxiliary trip dog

1шт.

31

664947R1

PIVOT

trip dog

1шт.

21755R1

WASHER

15/32 x 13/16 x 18 ga C-Z, (or as required)

1шт.

21756R1

WASHER

15/32 x 3/4 x 22 ga, (or as required)

1шт.

32

DOG, trip, (not serviced separately), order 663478R11

1шт.

33

V341

PAWL

ROLLER, trip dog

1шт.

34

663478R11

PAWL

DOG AND ROLLER, trip

1шт.

35

V690

PIN

STUD, trip dog roller

1шт.

36

V680

SPRING

trip dog

1шт.

Выбрано товаров: 56