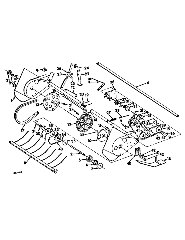
Запчасти Case IH 440 (F-15) - CUSTOM PICKUP CYLINDER, 440 CUSTOM WIRE BALER, 440 CUSTOM TWINE BALER

Схема запчастей Case IH 440 - (F-15) - CUSTOM PICKUP CYLINDER, 440 CUSTOM WIRE BALER, 440 CUSTOM TWINE BALER
FIT
1:1
100%

Артикул

Название

Примечание

Количество

1

201984C1

FRAME

ASSY, pickup

1шт.

14994R1

CARRIAGE BOLT,Sq Nk, 5/16" - 18 x 3/4", Gr 2

BOLT, CARRIAGE, Short NK, 5/16"-18 x 3/4", G2

1шт.

23821R1

HEADED PIN,5/16" x 2.609"

PIN, HEADED, 5/16" x 2.609"

2шт.

648002

KNIFE

1/8" x 3/4"

2шт.

2

663332R2

SHAFT

pickup cyl drive

1шт.

425-1516

JAM NUT,Jam, 1"-14, G5

1-14 znd hex. jam

1шт.

21788R1

WASHER

1-1/32 x 1-7/16 x 18 ga C-Z (as required)

3шт.

21789R1

WASHER

1-1/32 x 1-1/4 x 16 ga C-Z (as required)

2шт.

20529R1

PIN,7/32" x 1 1/2", Slotted

1шт.

3

201990C2

SUPPORT

pickup stripper

20шт.

4

201992C1

SEPARATOR, pickup stripper

1шт.

27607R1

SELF-TAP SCREW,Hex Wash Hd, 5/16" x 3/4"

SCREW, 5/16-18 x 3/4 znd hex washer hd tap

7шт.

22859R1

WASHER

11/32 x 3/4 x 7 ga C-Z

2шт.

21496R1

WASHER

11/32 x 3/4 x 11 ga C-Z

2шт.

5

202399C1

HUB

pickup slip clutch

1шт.

5

662026R4

HUB

pickup slip clutch

1шт.

576483R1

LOCK PIN,5/16" x 1 1/2", Slotted

Pin, 5/16" x 1 1/2", Slotted

2шт.

6

M1015

SPRING

pickup clutch

6шт.

7

202090C1

WASHER

pickup slip clutch

1шт.

8

201996C1

TINE ASSY, pickup cover

1шт.

9

201986C1

RETAINER, end tine

2шт.

16897R1

CARRIAGE BOLT,Short Nk, 5/16" - 18 x 3/4", Gr 2, Full Thd

BOLT, 5/16 x 3/4 znd sq-nk crg

2шт.

120376

NUT,5/16"-18, G5

2шт.

80681

LOCK WASHER,5/16"

WASHER, LOCK, 5/16"

2шт.

10

201951C1

CAM

pickup tooth control

1шт.

18764R1

HARDWARE,Hex, 5/16"-18 x 3/4", G2

BOLT, 5/16 x 1 znd hex-hd mach

3шт.

80681

LOCK WASHER,5/16"

WASHER, LOCK, 5/16"

3шт.

619855R1

WASHER

11/32 x 3/4 x 16 ga C-Z

3шт.

11

201952C1

GUIDE ASSY, tooth bar roller

1шт.

133822

COVER,Cross Flat Hd, 5/16"-18 x 5/8"

SCREW, Cross Flat Hd, 5/16"-18 x 5/8"

1шт.

134512

LATCH,8.28mm ID x 15.21mm OD

5/16 C-Z csk ext tooth lock

1шт.

12

201991C2

BRACE

pickup stripper

20шт.

18784R1

BOLT,Hex, 3/8"-16 x 2 3/4", G2

3/8 x 2-3/4 znd hex-hd mach

20шт.

120377

NUT,3/8" - 16, Gr 5

20шт.

120382

LOCK WASHER,Helical Spring, 3/8"

WASHER, LOCK, 3/8"

20шт.

13

201962C1

END

pickup cylinder

2шт.

378484R1

HEADED PIN,5/16" x 2"

PIN, 5/16 x 2 znp std-hd

2шт.

648002

KNIFE

1/8" x 3/4"

2шт.

14

ST543

BALL BEARING,15mm ID x 35mm OD x 11mm W

BEARING ASSY, pickup cyl tine control

6шт.

21787R1

WASHER

2-1/16 x 2-15/16 x 16 ga C-Z (as required)

30шт.

137273

COTTER PIN

PIN, 3/16 x 2-1/2 C-Z cot.

6шт.

15

CHAIN, main drive pickup, use 83 links of 1-1/4 extended pitch agricultural transmission roller chain from 10 ft. roll marked 569089R91 and (1) connecting link 456980R91 and (2) offset links 456929R91

1шт.

16

204618C91

BAR ASSY, pickup tooth

6шт.

17

201989C1

STRIPPER

pickup

20шт.

27607R1

SELF-TAP SCREW,Hex Wash Hd, 5/16" x 3/4"

SCREW, 5/16-18 x 3/4 znd hex washer hd tap

80шт.

18

662297R91

SHIELD

ASSY, pickup drive

1шт.

16897R1

CARRIAGE BOLT,Short Nk, 5/16" - 18 x 3/4", Gr 2, Full Thd

BOLT, 5/16 x 3/4 znd sq-nk crg

1шт.

120376

NUT,5/16"-18, G5

1шт.

80681

LOCK WASHER,5/16"

WASHER, LOCK, 5/16"

1шт.

21142R1

BOLT, 7/16 x 3/4 znd hex-hd mach

1шт.

120383

LOCK WASHER,Helical Spring, 7/16"

WASHER, LOCK, 7/16"

1шт.

19

208559C2

VALVE SPRING

TINE, pickup

60шт.

180077

BOLT,Hex, 5/16" - 18 x 3/4", Gr 5

SCREW, 5/16-18 x 3/4 znd hex-hd cap

60шт.

120376

NUT,5/16"-18, G5

60шт.

80681

LOCK WASHER,5/16"

WASHER, LOCK, 5/16"

60шт.

20

27513K

CUP WASHER

WASHER PICKUP CYL, spring tooth

60шт.

598803R1

CARRIAGE BOLT,Short NK, 5/16"-18 x 1", G5, Full Thd

BOLT, 5/16 x 1 znd sq-nk crg

60шт.

938017R1

FLANGE NUT,Flg, USR, 5/16"-18

5/16-18 znd hex lock

60шт.

21

Q3931

KEY,Gib, 5/16" Sq x 1 7/8"

5/16 x 1-7/8 sq tapered

2шт.

22

674153R1

SUPPORT

QUADRANT, pickup lever

1шт.

16897R1

CARRIAGE BOLT,Short Nk, 5/16" - 18 x 3/4", Gr 2, Full Thd

BOLT, 5/16 x 3/4 C-Z sq-nk crg

2шт.

12872R1

BOLT,Short NK, 5/16"-18 x 1", G2, Full Thd

CARRIAGE, Short NK, 5/16"-18 x 1", G2, Full Thd

1шт.

120376

NUT,5/16"-18, G5

3шт.

80681

LOCK WASHER,5/16"

WASHER, LOCK, 5/16"

3шт.

142619H

WASHER

13/32 x 3/4 x 11 ga C-Z

2шт.

23

674154R92

LEVER

ASSY, pickup

1шт.

22144R1

RIVET

3/8 x 1 C-Z small b-hd

2шт.

663922R1

PIN,5/8" x 1 3/8"

5/8 x 1-3/8 C-Z std-hd

1шт.

187988

COTTER PIN,3/16" x 1 1/4"

PIN, SPLIT (COTTER), 3/16" x 1 1/4"

1шт.

24

662340R1

GRIP

lever black

1шт.

25

662506R1

CLIP

pickup lever

1шт.

26

18489D

SPRING

pickup lever clip

1шт.

22753R1

HEADED PIN,5/16" x 2 3/16"

PIN, HEADED, 5/16" x 2 3/16"

1шт.

648002

KNIFE

1/8" x 3/4"

1шт.

619855R1

WASHER

11/32 x 3/4 x 16 ga C-Z

1шт.

27

MA731

SPRING

pickup balance

1шт.

28

674158R1

BOLT,3/8" - 16 x 14.6"

balance spring

1шт.

21741R1

WASHER

13/32 x 7/8 x 11 ga C-Z

1шт.

120377

NUT,3/8" - 16, Gr 5

2шт.

29

671681R91

BEARING ASSY,25.43mm ID x 52.09mm OD x 16mm W

ASSY, pickup cyl RH

3шт.

30

155264C91

BALL BEARING,25.43mm ID x 52.09mm OD x 16mm W

pickup cyl LH

1шт.

31

671682R1

NO LONGER SERVICED

FLANGE, pickup cyl brg

8шт.

16897R1

CARRIAGE BOLT,Short Nk, 5/16" - 18 x 3/4", Gr 2, Full Thd

BOLT, 5/16 x 3/4 C-Z sq-nk crg

9шт.

18764R1

HARDWARE,Hex, 5/16"-18 x 3/4", G2

BOLT, 5/16 x 1 znd hex-hd mach

3шт.

120376

NUT,5/16"-18, G5

12шт.

80681

LOCK WASHER,5/16"

WASHER, LOCK, 5/16"

12шт.

32

661036R1

SPACER

pickup cyl shaft inner

1шт.

33

662023R1

DRIVE SPROCKET

SPROCKET, pickup slip clutch

1шт.

34

662079R1

BUSHING

pickup slip clutch sprocket

1шт.

35

662291R2

LINING

FACING, pickup drive clutch

2шт.

36

667713R2

SHAFT

pickup pivot drive

1шт.

551855R1

WASHER

1-1/32 x 1-1/4 x 16 ga

1шт.

37

662024R2

DRIVE SPROCKET

SPROCKET, pickup pivot drive shaft

1шт.

21651R1

LOCK PIN,5/16" x 2", Slotted

Pin, 5/16" x 2", Slotted

1шт.

22004R1

LOCK PIN,3/16" x 2", Slotted

Pin, 3/16" x 2", Slotted

1шт.

WIRE, 16 ga x 8 in. in slt spring pin

1шт.

38

674177R1

SUPPORT

BRACKET ASSY, pickup drive shaft pivot RH

1шт.

18795R1

BOLT,Hex, 7/16"-14 x 1 1/4", G2

7/16 x 1-1/4 C-Z hex-hd mach

4шт.

NLS

NO LONGER SERVICED

NUT, 7/16-14 C-Z hex

4шт.

120383

LOCK WASHER,Helical Spring, 7/16"

WASHER, LOCK, 7/16"

4шт.

607891R1

WASHER

15/32 x 1 x 16 ga C-Z

4шт.

39

667717R1

BRACKET

pickup pivot drive shaft LH

1шт.

18794R1

BOLT,Hex, 7/16" - 14 x 1", Gr 2

7/16 x 1 C-Z hex-hd mach

2шт.

271501

SOCKET

NUT, 7/16-14 C-Z hex

2шт.

120383

LOCK WASHER,Helical Spring, 7/16"

WASHER, LOCK, 7/16"

2шт.

40

667718R1

BRACKET

pickup idler

1шт.

16897R1

CARRIAGE BOLT,Short Nk, 5/16" - 18 x 3/4", Gr 2, Full Thd

BOLT, 5/16 x 3/4 C-Z sq-nk crg

2шт.

12872R1

BOLT,Short NK, 5/16"-18 x 1", G2, Full Thd

CARRIAGE, Short NK, 5/16"-18 x 1", G2, Full Thd

2шт.

120376

NUT,5/16"-18, G5

4шт.

80681

LOCK WASHER,5/16"

WASHER, LOCK, 5/16"

4шт.

41

668147R1

BLOCK

tightener

1шт.

42

673666R1

CAP

REINFORCEMENT, block tightener

4шт.

21776R1

CARRIAGE BOLT,Sq Nk, 5/8" - 11 x 3 1/4", Gr 2

BOLT, 5/8 x 3-1/4 C-Z sq-nk crg

1шт.

280374

NUT,Hex, 5/8" - 11, Gr 5

5-11 C-Z hex

2шт.

492-11062

BEARING WASHER,5/8"

WASHER, LOCK, 5/8"

2шт.

608701R1

WASHER

21-32 x 1-1/4 x 16 ga C-Z

2шт.

21791R1

WASHER

31/32 x 1-1/2 x 9 ga C-Z

2шт.

18723R1

CARRIAGE BOLT,Sq Nk, 5/8" - 11 x 2 3/4", Gr 2

BOLT, 5/8 x 2-3/4 C-Z sq-nk crg

1шт.

43

CA320

SPARE PART

CHAIN, pickup drive, no. ss stl chain, 28 links

1шт.

44

662025R1

DRIVE SPROCKET

SPROCKET, pickup drive

1шт.

18786R1

BOLT,Hex, 3/8"-16 x 3 1/2", G2

3/8 x 3-1/2 znd hex-hd mach

1шт.

120377

NUT,3/8" - 16, Gr 5

1шт.

120382

LOCK WASHER,Helical Spring, 3/8"

WASHER, LOCK, 3/8"

1шт.

45

582415R91

DRIVE SPROCKET,9T

SPROCKET ASSY, pickup drive idler, service for 180193C91

1шт.

18828R1

BOLT,Hex, 5/8"-11 x 4", G5

5/8 x 4 C-Z hex-hd mach

1шт.

280374

NUT,Hex, 5/8" - 11, Gr 5

5/8-11 C-Z hex

1шт.

492-11062

BEARING WASHER,5/8"

WASHER, LOCK, 5/8"

1шт.

21782

WASHER

21/32 x 1-1/2 x 16 ga C-Z

1шт.

589068R1

WASHER

21/32 x 1-1/4 x 11 ga C-Z (as required)

4шт.

46

667459R1

BLOCK

tightener

1шт.

47

662003R2

DRIVE SPROCKET

SPROCKET, pickup pivot drive

1шт.

21825R1

LOCK PIN,5/16" x 1 3/4", Slotted

Pin, 5/16" x 1 3/4", Slotted

1шт.

22969R1

LOCK PIN,3/16" x 1 3/4", Slotted

Pin, , w/wire 16 ga x 8 in slt spring pin 3/16" x 1 3/4", Slotted

1шт.

Выбрано товаров: 133