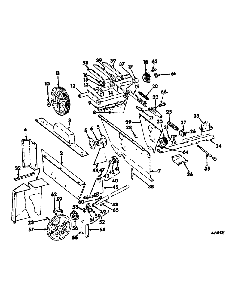
Запчасти Case IH 440 (F-23) - PACKER FINGERS AND DRIVE

Схема запчастей Case IH 440 - (F-23) - PACKER FINGERS AND DRIVE
FIT
1:1
100%

Артикул

Название

Примечание

Количество

1

674142R1

COVER ASSY

packer drive

1шт.

18764R1

HARDWARE,Hex, 5/16"-18 x 3/4", G2

BOLT, 5/16 x 3/4 C-Z hex-hd mach

2шт.

16897R1

CARRIAGE BOLT,Short Nk, 5/16" - 18 x 3/4", Gr 2, Full Thd

BOLT, 5/16 x 3/4 C-Z sq-nk crg

2шт.

120376

NUT,5/16"-18, G5

2шт.

670472R1

SPRING NUT,J, Ret, 5/16"-18

5/16-18 speed grip

2шт.

80681

LOCK WASHER,5/16"

WASHER, LOCK, 5/16"

2шт.

138538

LOCK WASHER

WASHER, 5/16 C-Z int-tooth lock

2шт.

440-12510

SCREW,Cross Pan Hd, 1/4"-20 x 5/8"

1/4-20 x 5/8 znd slt-truss hd mach

2шт.

674148R1

NUT

1/4-20 speed grip

2шт.

120423

LOCK WASHER,Int Tooth, 0.267" ID x 0.478" OD x 0.028"

WASHER, LOCK, Int Tooth, 1/4"

2шт.

2

674125R1

SHIELD

packer brg

1шт.

670454R1

NUT

5/16-18 speed grip

3шт.

18764R1

HARDWARE,Hex, 5/16"-18 x 3/4", G2

BOLT, 5/16 x 3/4 C-Z hex-hd mach

4шт.

120393

BEARING WASHER,5/16", SAE

WASHER, 11/32 x 11/16 x .051 C-Z

1шт.

80681

LOCK WASHER,5/16"

WASHER, LOCK, 5/16"

4шт.

3

674116R1

SHIELD

ASSY, packer gear upper

1шт.

137138

SCREW,Sl Truss Hd, 1/4" - 20 x 3/4"

1/4-20 x 3/4 C-Z slt-truss-hd mach

6шт.

938016R1

FLANGE NUT,Flg, USR, 1/4"-20

1/4-20 znd hex

6шт.

4

204667C1

SUPPORT

FRONT, feed opening, replaces 674146R1

1шт.

137138

SCREW,Sl Truss Hd, 1/4" - 20 x 3/4"

1/4-20 x 3/4 C-Z slt-truss-hd mach

3шт.

440-12510

SCREW,Cross Pan Hd, 1/4"-20 x 5/8"

1/4-20 x 5/8 C-Z slt-truss-hd mach

2шт.

938016R1

FLANGE NUT,Flg, USR, 1/4"-20

1/4-20 znd hex

5шт.

21309R1

WASHER

13/32 x 7/8 x 7 ga C-Z

1шт.

5

667861R1

BEARING CAP,2.8346" ID x 4.8125" OD x 0.375"

brg retainer

2шт.

18684R1

BOLT,Sht Sq Nk, 3/8" - 16 x 1 1/4", Gr 2

3/8 x 1-1/4 C-Z sq-nk crg

3шт.

120377

NUT,3/8" - 16, Gr 5

3шт.

120382

LOCK WASHER,Helical Spring, 3/8"

WASHER, LOCK, 3/8"

3шт.

6

571588R91

BALL BEARING

BEARING ASSY, packer crank front

1шт.

7

674115R1

SUPPORT

packer brg front

1шт.

18508R1

CARRIAGE BOLT,Short Nk, 3/8" - 16 x 3/4", Gr 2, Full Thd

BOLT, 3/8 x 3/4 C-Z sq-nk crg

5шт.

17351R1

CARRIAGE BOLT,Short Sq Nk, 3/8" - 16 x 1", Gr 2

BOLT, 3/8 x 1 C-Z sq-nk crg

1шт.

120377

NUT,3/8" - 16, Gr 5

6шт.

120382

LOCK WASHER,Helical Spring, 3/8"

WASHER, LOCK, 3/8"

6шт.

8

109461

LUBE NIPPLE,1/8"-27 x .66 lg

NIPPLE, LUBE, , PTF 1/8"-27 x .66 lg

1шт.

9

NOT SERVICED SEPARATELY, order 674129R21

1шт.

10

667698R1

WASHER

packer crank brg front

1шт.

220724

BOLT,Hex Hd, Lock, 7/16"-14 x 1 1/4", G5

BOLT, 7/16-14 x 1-1/4 C-Z type AA hex. lock

1шт.

11

667768R1

GEAR

packer drive upper

1шт.

18476R1

BOLT,Hex, 1/2"-13 x 2 1/2", G2

1/2 x 2-1/2 C-Z hex-hd mach

1шт.

120378

NUT,Hex, 1/2" - 13, Gr 5

NUT, 1/2"-13, G5

1шт.

120384

WASHER,1/2"

LOCK, 1/2"

1шт.

178373R1

WASHER

17/32 x 1 x 16 ga C-Z (as required)

1шт.

12

667694R91

CRANKSHAFT

ASSY, packer

1шт.

608065R1

WASHER, 1-13/32 x 2 x 16 ga C-Z (as required)

4шт.

21794R1

WASHER

1-13/32 x 2 x 20 ga C-Z (as required)

1шт.

13

667726R91

CRANKSHAFT

ASSY, packer rear

1шт.

181377

BOLT,Hex, 3/8" - 24 x 1 3/4", Gr 5

SCREW, 3/8-24 x 1-3/4 C-Z hex-hd cap

1шт.

9413938

NUT, 3/8-24 PHC hex lock

1шт.

103321

LOCK WASHER,3/8"

WASHER, LOCK, 3/8"

1шт.

432-1232

COTTER PIN,3/16" OD x 2" L

3/16" x 2"

1шт.

608085R1

WASHER

1-13/32 x 2 x 16 ga C-Z (as required)

8шт.

21794R1

WASHER

1-13/32 x 2 x 20 ga C-Z (as required)

4шт.

14

662555R1

BUSHING,8.46mm ID x 15.98mm OD x 12.83mm L

shear bolt

1шт.

120368

NUT,5/16"-24, G5

1шт.

80681

LOCK WASHER,5/16"

WASHER, LOCK, 5/16"

1шт.

15

181620

SCREW,Hex, 5/16" - 24 x 2", Gr 5

BOLT, shear 5/16-24 x 2 C-Z hex-hd cap screw

1шт.

16

(Not serviced separately, order 674129R21)

1шт.

17

667729R2

SLEEVE

packer crank

1шт.

18

495163R3

GEAR

intermediate miter

1шт.

19

202638C1

ARM

packer finger

1шт.

663108R1

HEADED PIN,7/16" x 2 1/2"

PIN, packer finger arm

1шт.

18481R1

COTTER PIN,3/16" x 1"

PIN, SPLIT (COTTER), 3/16" x 1"

1шт.

20

69983D

SPRING

packer

1шт.

21

664840R1

RING

PIN, packer finger clip

1шт.

22

662032R2

CONNECTOR, ELEC

CONNECTOR, packer finger relief

1шт.

23

669016R1

KEY

3/8 x 2-3/4 taper gib

1шт.

24

674140R1

AXLE PIN

PIN, packer control link

2шт.

432-1624

COTTER PIN,1/4" x 1 1/2"

Pin, Split (Cotter), 1/4" x 1 1/2"

1шт.

366112R1

WASHER

25/32 x 1-1/4 x 11 ga C-Z

2шт.

25

663902R1

VALVE SPRING

SPRING, packer relief

1шт.

26

674132R1

PIVOT

TRUNNION ASSY, packer finger

1шт.

27

87569

LUBE NIPPLE,45 Degree, 1/4" NPT x 4/5" L, Drive

FITTING, 1/4-28 45 deg self tap. lub

1шт.

28

667724R1

ANCHOR

packer brg support

1шт.

18508R1

CARRIAGE BOLT,Short Nk, 3/8" - 16 x 3/4", Gr 2, Full Thd

BOLT, 3/8 x 3/4 C-Z sq-nk crg

1шт.

18494R1

BOLT,Hex, 3/8" - 16 x 1", Gr 2

3/8 x 1 C-Z hex-hd mach

1шт.

120377

NUT,3/8" - 16, Gr 5

2шт.

120382

LOCK WASHER,Helical Spring, 3/8"

WASHER, LOCK, 3/8"

2шт.

29

667725R1

PLATE

packer brg front support

1шт.

18508R1

CARRIAGE BOLT,Short Nk, 3/8" - 16 x 3/4", Gr 2, Full Thd

BOLT, 3/8 x 3/4 C-Z sq-nk crg

2шт.

120377

NUT,3/8" - 16, Gr 5

2шт.

120382

LOCK WASHER,Helical Spring, 3/8"

WASHER, LOCK, 3/8"

2шт.

30

667766R1

GEAR

PINION, packer drive upper

1шт.

220724

BOLT,Hex Hd, Lock, 7/16"-14 x 1 1/4", G5

7/16-14 x 1-1/4 C-Z hex-hd locking

1шт.

608085R1

WASHER

1-13/32 x 2 x 16 ga C-Z (as required)

2шт.

31

667698R1

WASHER

packer drive shaft upper

1шт.

32

674147R1

ANGLE

SUPPORT, packer cover

1шт.

16897R1

CARRIAGE BOLT,Short Nk, 5/16" - 18 x 3/4", Gr 2, Full Thd

BOLT, 5/16 x 3/4 C-Z sq-nk crg

2шт.

80681

LOCK WASHER,5/16"

WASHER, LOCK, 5/16"

2шт.

120376

NUT,5/16"-18, G5

2шт.

33

674141R1

ANCHOR

packer link

1шт.

18784R1

BOLT,Hex, 3/8"-16 x 2 3/4", G2

3/8 x 2-3/4 C-Z hex-hd mach

2шт.

120377

NUT,3/8" - 16, Gr 5

2шт.

120382

LOCK WASHER,Helical Spring, 3/8"

WASHER, LOCK, 3/8"

2шт.

34

674135R2

SUPPORT

ASSY, packer relief

1шт.

18778R1

SCREW,Hex, 3/8"-16 x 3/4", G2

BOLT, 3/8 x 3/4 C-Z hex-hd mach

3шт.

120377

NUT,3/8" - 16, Gr 5

3шт.

120382

LOCK WASHER,Helical Spring, 3/8"

WASHER, LOCK, 3/8"

3шт.

16897R1

CARRIAGE BOLT,Short Nk, 5/16" - 18 x 3/4", Gr 2, Full Thd

BOLT, 4/16 x 3/4 C-A sq-nk crg

4шт.

120376

NUT,5/16"-18, G5

4шт.

80681

LOCK WASHER,5/16"

WASHER, LOCK, 5/16"

4шт.

35

202501C2

ROD

packer relief guide

1шт.

21713R1

WASHER,25/32" x 1 3/4" x .120"

25/32 x 1-3/4 x 11 ga C-Z

1шт.

426897

JAM NUT,Jam, 3/4"-10, G5

3/4-10 znd hex jam

3шт.

36

667741R1

SHIELD

packer pinion hay

1шт.

37

674129R21

BEARING ASSY

ASSY, packer finger

1шт.

17601R1

BOLT,Hex, 3/8"-16 x 2 3/4", G2

3/8 x 2-3/4 hex-hd mach.

6шт.

102635

NUT,3/8"-16, G5

6шт.

38

667763R1

STRAP

packer brg adjusting

1шт.

17351R1

CARRIAGE BOLT,Short Sq Nk, 3/8" - 16 x 1", Gr 2

BOLT, 3/8 x 1 C-Z sq-nk crg

1шт.

120377

NUT,3/8" - 16, Gr 5

1шт.

120382

LOCK WASHER,Helical Spring, 3/8"

WASHER, LOCK, 3/8"

1шт.

39

203004C1

FINGER

reversible packer

2шт.

40

667864R91

SPARE PART

BEARING ASSY, packer drive upper

1шт.

40

668043R91

BEARING ASSY

packer drive upper

1шт.

18422R1

CARRIAGE BOLT,Sq Nk, 3/8" - 16 x 1 3/4", Gr 2

BOLT, 3/8 x 1-3/4 C-Z sq-nk crg

1шт.

120377

NUT,3/8" - 16, Gr 5

2шт.

120382

LOCK WASHER,Helical Spring, 3/8"

WASHER, LOCK, 3/8"

2шт.

18479R1

CARRIAGE BOLT,Sq Nk, 3/8" - 16 x 2", Gr 2

BOLT, 3/8 x 2 znd sq-nk crg

1шт.

41

NOT SERVICED SEPARATELY, order 667864R91

1шт.

42

571588R91

BALL BEARING

BEARING ASSY, packer drive upper, less collar

1шт.

42

668045R91

BEARING ASSY

packer drive upper less collar

1шт.

42

201087C91

NO LONGER SERVICED

BEARING ASSY, less collar

1шт.

43

517645R11

COLLAR

W/SET SCREW, brg locking

1шт.

43

668046R11

COLLAR

W/SET SCREW, brg locking

1шт.

43

201088C11

COLLAR

W/SET SCREW, brg locking

1шт.

44

667737R1

SHEET

tool box end, for 440 balers

1шт.

669637R1

SELF-TAP SCREW

5/16-18 x 1/2 znd hex-hd tap

2шт.

45

674126R92

DOOR

ASSY, tool box, for 440 balers

1шт.

46

667736R1

HINGE

tool box door, for 440 balers

1шт.

112419

RIVET, .140 x 17/64 tinner

2шт.

26208R1

SCREW,Hex Wash Hd, #10 x 3/8"

10-32 x 3/8 znd hex-washer-hd tap type D

2шт.

47

669184R1

CLAMP

LATCH, tool box door

1шт.

436730

LOCK SCREW,Slotted Pan Hd, #10-24 x 3/8"

SCREW, 10-24 x 3/8 C-Z slt-pan-hd mach

2шт.

120361

NUT,Hex Mach Screw, #10 - 24

2шт.

120217

LOCK WASHER,#10

WASHER, LOCK, #10

2шт.

48

667762R1

SHAFT

packer drive

1шт.

49

517645R11

COLLAR

W/SET SCREW, brg locking

1шт.

49

668046R11

COLLAR

W/SET SCREW, brg locking

1шт.

49

201088C11

COLLAR

W/SET SCREW, brg locking

1шт.

50

NOT SERVICED SEPARATELY, order 667866R91

1шт.

51

571588R91

BALL BEARING

BEARING ASSY, packer drive lower

1шт.

51

668045R91

BEARING ASSY

packer drive lower less locking collar

1шт.

51

668043R91

BEARING ASSY

packer drive

1шт.

51

201087C91

NO LONGER SERVICED

BEARING ASSY, less collar

1шт.

18684R1

BOLT,Sht Sq Nk, 3/8" - 16 x 1 1/4", Gr 2

3/8 x 1-1/4 C-Z sq-nk crg

2шт.

120377

NUT,3/8" - 16, Gr 5

2шт.

120382

LOCK WASHER,Helical Spring, 3/8"

WASHER, LOCK, 3/8"

2шт.

52

667866R91

FLANGED BEARING

ASSY, packer drive long

1шт.

53

668325R1

SPACER

lower packer pinion

1шт.

54

667761R1

SHIM

packer gear wear (as required)

3шт.

55

667760R1

STRIP

packer gear wear

1шт.

17351R1

CARRIAGE BOLT,Short Sq Nk, 3/8" - 16 x 1", Gr 2

BOLT, 3/8 x 1 C-Z sq-nk crg

2шт.

120377

NUT,3/8" - 16, Gr 5

2шт.

120382

LOCK WASHER,Helical Spring, 3/8"

WASHER, LOCK, 3/8"

2шт.

56

667769R1

GEAR

PINION, packer drive lower

1шт.

608085R1

WASHER

1-13/32 x 2 x 16 ga C-Z (as required)

4шт.

21794R1

WASHER

1-13/32 x 2 x 20 ga C-Z

1шт.

57

667759R4

GEAR

packer drive lower

1шт.

58

203005C1

FINGER

reversible packer front

1шт.

191163

BOLT,Hex, 3/8" - 16 x 4", Gr 5

SCREW, 3/8-16 x 4 C-Z hex-hd cap

3шт.

454497

BOLT,Hex, 3/8" - 16 x 4 3/4", Gr 5

SCREW, 3/8-16 x 4-3/4 C-Z hex-hd cap

3шт.

120377

NUT,3/8" - 16, Gr 5

6шт.

120382

LOCK WASHER,Helical Spring, 3/8"

WASHER, LOCK, 3/8"

6шт.

59

668766R1

RETAINER

packer drive shaft lower key

1шт.

18764R1

HARDWARE,Hex, 5/16"-18 x 3/4", G2

BOLT, 5/16 x 3/4 C-Z hex-hd mach

1шт.

80681

LOCK WASHER,5/16"

WASHER, LOCK, 5/16"

1шт.

60

656955R1

STUD

lower packer brg dowel

1шт.

138549

LOCK WASHER,Int Tooth, 1/2"

WASHER, LOCK, Int Tooth, 1/2"

1шт.

61

667438R1

SHIM

miter gear (as required)

1шт.

62

671631R1

RETAINER

packer gear key

1шт.

426816

SCREW,Hex Soc Hd, 1/4"-20 x 3/4"

1/4-20 x 3/4 C-Z hex-soc-hd cap

1шт.

492-11025

LOCK WASHER,1/4"

WASHER, LOCK, 1/4"

1шт.

21795R1

WASHER,1.78" ID x 2.5" OD x 0.03" Thk

1-25/32 x 2-1/4 x 22 ga C-Z (as required)

2шт.

20705R1

WASHER

1-25/32 x 2-1/2 x 16 ga C-Z (as required)

1шт.

63

Q81

KEY,Gib, 3/8" Sq x 1 3/4"

3/8 x 1-3/4 gib

1шт.

64

452563

KEY

5/16 x 2-1/8 Woodruff

1шт.

65

Q1497

KEY,Gib, 3/8" Sq x 2"

3/8 x 2 taper gib

1шт.

66

663047R2

PIN

3/4 x 2-5/32 rod end

1шт.

Выбрано товаров: 178