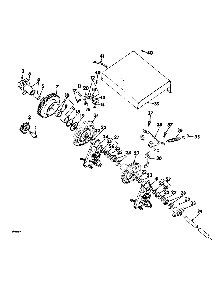
Запчасти Case IH 440 (F-35) - KNOTTER AND RELATED PARTS, FOR TWINE BALERS

Схема запчастей Case IH 440 - (F-35) - KNOTTER AND RELATED PARTS, FOR TWINE BALERS
FIT
1:1
100%

Артикул

Название

Примечание

Количество

1

674464R91

BEARING ASSY,0.6267" ID x 1.1811" OD x 1.531"

ASSY, auger drive

1шт.

120377

NUT,3/8" - 16, Gr 5

1шт.

23685R1

SET SCREW,Hex Soc, 3/8"-16 x 1 3/4"

1шт.

2

674104R1

GEAR

PINION, auger drive idler

1шт.

3

16964R91

FITTING

1/4-28 90 deg angle lub.

1шт.

4

669643R11

PIVOT

SUPPORT, w/bushing knotter and gear insert

1шт.

180177

BOLT,Hex, 1/2" - 13 x 1 1/2", Gr 5

SCREW, 1/2 x 1-1/2 hex hd cap

2шт.

120384

WASHER,1/2"

LOCK, 1/2"

2шт.

5

667824R1

BUSHING

knotter shaft

1шт.

6

SUPPORT, knotter and gear insert, not serviced separately order 669643R11

1шт.

7

GEAR, knotter drive, not serviced separately order 674103R11

1шт.

8

667826R1

BUSHING

knotter drive gear R.H.

1шт.

9

669644R1

BUSHING

knotter drive gear L.H.

1шт.

10

674103R11

GEAR

ASSY, knotter drive

1шт.

11

664947R1

PIVOT

trip dog

1шт.

21757R1

WASHER

15/32 x 13/16 x 18 ga C-Z (as required)

1шт.

21756R1

WASHER

15/32 x 3/4 x 22 ga. (as required)

1шт.

12

655712R11

PAWL

DOG, w/roller and stud trip

1шт.

13

V341

PAWL

ROLLER, trip dog

1шт.

14

V690

PIN

STUD, trip dog roller

1шт.

15

662048R2

PAWL

DOG, auxilliary trip

1шт.

16

R1003

SPRING

auxiliary trip dog

1шт.

17

V680

SPRING

trip dog

1шт.

18

202531C1

WASHER

drive gear (as required)

1шт.

19

666754R1

WASHER

RETAINER, drive gear

1шт.

668787R1

SCREW,Hex Soc Hd, 1/4"-20 x 1/2"

1/4-20 x 1/2 hex. soc. hd

4шт.

20

DOG, trip, not serviced separately order 655712R11

1шт.

21

667820R4

CARRIER

trip dog

1шт.

Q3728

KEY,Gib, 3/8" Sq x 2 1/8" Tap

3/8 x 2-1/8 sq. tapered

1шт.

21747R1

WASHER,1.22" ID x 2" OD x 0.07" Thk

1-7/32 x 2 x 16 ga C-Z

2шт.

21812R1

WASHER

1-7/32 x 2 x 22 ga C-Z

1шт.

443057

GROOVED PIN,3/8" x 2 1/4", Type F

Pin, Grooved, 3/8" x 2 1/4", Type F

1шт.

22

316171C1

SHIM

knotter to cam (as required)

8шт.

23

667588R1

DISC

SHIM, knotter to cam (as required)

16шт.

24

201646C95

KNOTTER

ASSY RH, for components see list of parts under details of knotter

1шт.

25

125806H1

SNAP RING,#175, Ext

RING, SNAP, #175, Ext

2шт.

26

SPACER, knotter frame, not serviced separately order 202511C91

2шт.

27

202511C91

PAN

RING ASSY, knotter spacer (as required)

2шт.

28

667813R1

COLLAR CLAMP

COLLAR, knotter shaft adj.

4шт.

443100

STUD

no. 12 x 1/2 rd hd grooved

4шт.

137258

COTTER PIN

3/16" x 1 3/4"

1шт.

21812R1

WASHER

1-7/32 x 2 x 22 ga. C-Z (as required)

1шт.

607894R1

WASHER

1-7/32 x 1-3/4 x 22 ga, C-Z (as required)

2шт.

607890R1

WASHER

1-7/32 x 1-3/4 x 16 ga. C-Z (as required)

2шт.

21747R1

WASHER,1.22" ID x 2" OD x 0.07" Thk

1-7/32 x 2 x 16 ga C-Z 9 (as required)

3шт.

29

202108C1

CAM

knotter left

1шт.

Q22

KEY

3/8 x 1/4 x 2-1/4 str.

1шт.

120378

NUT,Hex, 1/2" - 13, Gr 5

NUT, 1/2"-13, G5

1шт.

18190

SCREW, 1/2-13 x 3 hex. hd. cap

1шт.

120384

WASHER,1/2"

LOCK, 1/2"

1шт.

30

201649C1

CAM

twine knife driving

1шт.

24695R1

SCREW

w/csk ext. tooth lock washer 3/8-16 x 1 znd slt-f-hd mach

2шт.

22825R1

WASHER

15/32 x 1-1/4 x 7 ga

2шт.

31

201608C95

KNOTTER

ASSY, LH, for components see list of parts under details of knotter

1шт.

32

87414

LUBE NIPPLE,1/4" - 28

FITTING, 1/4-28 str self tap, lub

1шт.

33

667818R1

FLANGE

BEARING, knotter shaft left

1шт.

18495R1

BOLT,Hex, 3/8" - 16 x 1 1/4", Gr 2

3/8 x 1-1/4 hex. hd. mach

2шт.

120377

NUT,3/8" - 16, Gr 5

2шт.

120382

LOCK WASHER,Helical Spring, 3/8"

WASHER, LOCK, 3/8"

2шт.

34

667812R1

SHAFT

knotter

1шт.

35

201652C2

ANCHOR

knife spring

1шт.

18495R1

BOLT,Hex, 3/8" - 16 x 1 1/4", Gr 2

3/8 x 1-1/4 znd hex-hd mach

1шт.

120377

NUT,3/8" - 16, Gr 5

1шт.

120382

LOCK WASHER,Helical Spring, 3/8"

WASHER, LOCK, 3/8"

1шт.

469668R1

WASHER

13/32 x 3/4 x 16 ga C-Z

1шт.

36

202656C1

SPRING

knife return

1шт.

37

441485R1

BOLT,Shoulder, Hex, 3/8" - 16 x 1 1/2"

shoulder

2шт.

446363

WASHER,5/16"

.375 x .875 x .083 znd

2шт.

607895R1

WASHER

17/32 x 1 x 11 ga

2шт.

38

201650C1

BAR

LINK, knife connecting

1шт.

39

667784R92

COVER

ASSY, knotter, 440 custon twine baler

1шт.

40

11309N

SPACER

knotter cover, 440 custom twine baler

2шт.

19570R1

BOLT,Hex, 1/4" - 20 x 5/8", Gr 2

1/4 x 5/8 znd hex-hd mach

2шт.

492-11025

LOCK WASHER,1/4"

WASHER, LOCK, 1/4"

2шт.

120392

WASHER,1/4", SAE

9/32 x 5/8 x 16 ga C-Z

2шт.

41

667787R1

SPRING

knotter cover, 440 custom twine baler

1шт.

110638

RIVET

3/16 x 5/16 b-hd solid

2шт.

18796R1

BOLT,Hex, 7/16"-14 x 1 1/2", G2

7/16 x 1-1/2 hex hd mach.

1шт.

120383

LOCK WASHER,Helical Spring, 7/16"

WASHER, LOCK, 7/16"

1шт.

21760R1

WASHER,0.47" ID x 0.88" OD x 0.19" Thk

15/32 x 7/8 x 7 ga., used w/knotter L.H. and R.H.

1шт.

Выбрано товаров: 80