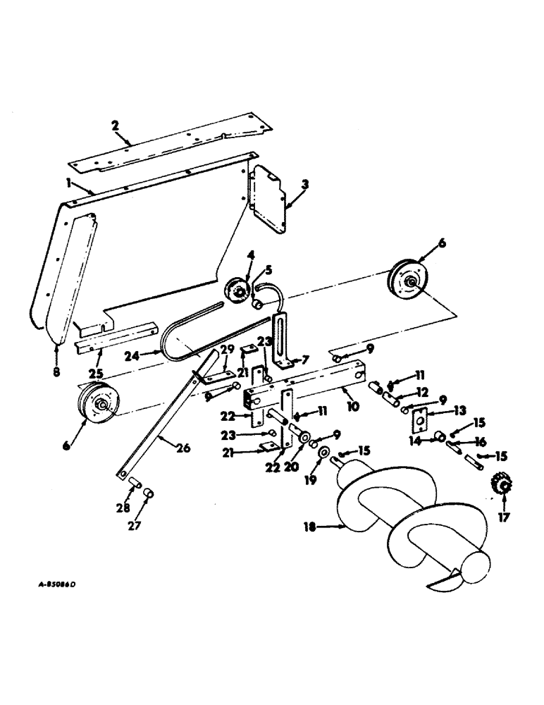
Запчасти Case IH 445 (A-10) - AUGER AND AUGER DRIVE SUPPORT, 435 AND 445 BALERS

Схема запчастей Case IH 445 - (A-10) - AUGER AND AUGER DRIVE SUPPORT, 435 AND 445 BALERS
FIT
1:1
100%

Артикул

Название

Примечание

Количество

1

210681C2

GUARD

END, auger shield, replaces 674310R1

1шт.

2

674311R1

TOP

auger shield

1шт.

470-12510

SCREW,Slotted Pan Hd, 1/4"-20 x 5/8"

1/4 x 5/8 znp p/hds mach

4шт.

938016R1

FLANGE NUT,Flg, USR, 1/4"-20

1/4-20 znd hex lock

4шт.

18764R1

HARDWARE,Hex, 5/16"-18 x 3/4", G2

BOLT, 5/16 x 3/4 C-Z hex-hd mach

2шт.

470-12510

SCREW,Slotted Pan Hd, 1/4"-20 x 5/8"

1/4 x 5/8 znp p/hds mach

1шт.

3

674312R1

SHIELD

auger rear

1шт.

470-12510

SCREW,Slotted Pan Hd, 1/4"-20 x 5/8"

1/4 x 5/8 znp p/hds mach

3шт.

938016R1

FLANGE NUT,Flg, USR, 1/4"-20

1/4-20 znd hex lock

3шт.

18764R1

HARDWARE,Hex, 5/16"-18 x 3/4", G2

BOLT, 5/16 x 3/4 C-Z hex-hd mach

2шт.

670472R1

SPRING NUT,J, Ret, 5/16"-18

5/16-18 speed grip

2шт.

80681

LOCK WASHER,5/16"

WASHER, LOCK, 5/16"

2шт.

4

662958R91

PULLEY

ASSY, idler

1шт.

5

M42297

SPACER

3/4 x 1/2 std pipe extra strong

1шт.

18723R1

CARRIAGE BOLT,Sq Nk, 5/8" - 11 x 2 3/4", Gr 2

BOLT, 5/8 x 2-3/4 C-Z sq-nk crg

1шт.

280374

NUT,Hex, 5/8" - 11, Gr 5

5/8-11 C-Z hex

1шт.

492-11062

BEARING WASHER,5/8"

WASHER, LOCK, 5/8"

1шт.

589068R1

WASHER

21/32 x 1-1/4 x 11 ga C-Z

1шт.

6

202837C1

PULLEY

auger drive

2шт.

616253R1

LOCK PIN,5/16" x 1 5/8", Slotted

Pin, 5/16" x 1 5/8", Slotted

2шт.

WIRE, 16 ga x 5 in. in roll pins

2шт.

7

674305R1

HOLDER

BRACKET, auger idler pulley

1шт.

18787R1

BOLT,Hex, 3/8"-16 x 4", G2

3/8 x 4 C-Z hex-hd mach

2шт.

120377

NUT,3/8" - 16, Gr 5

2шт.

120382

LOCK WASHER,Helical Spring, 3/8"

WASHER, LOCK, 3/8"

2шт.

8

674314R1

SHIELD

auger front

1шт.

470-12510

SCREW,Slotted Pan Hd, 1/4"-20 x 5/8"

1/4 x 5/8 znp p/hds mach

5шт.

938016R1

FLANGE NUT,Flg, USR, 1/4"-20

1/4-20 znd hex lock

5шт.

9

495290R1

BUSHING

auger pivot relief

2шт.

10

202888C1

ARM

ASSY, auger relief

1шт.

179897

BOLT,Hex, 1/2" - 13 x 4", Gr 5

SCREW, 1/2-13 x 4 hex-hd cap

2шт.

664573R1

LOCK NUT,1/2"-13, GB

NUT, 1/2-13 hex lock

2шт.

120384

WASHER,1/2"

LOCK, 1/2"

2шт.

22191R1

WASHER

531 x 1.750 x .164 znd

4шт.

11

87414

LUBE NIPPLE,1/4" - 28

FITTING 1/4-28 SELF TAPPING LUB

2шт.

21784R1

WASHER

17/64 x 1/2 x 16 ga C-Z

2шт.

12

202891C1

PIPE

ASSY, auger relief pivot

1шт.

13

495473R1

BRACKET

BEARING, auger relief RH

1шт.

18508R1

CARRIAGE BOLT,Short Nk, 3/8" - 16 x 3/4", Gr 2, Full Thd

BOLT, 3/8 x 3/4 C-Z sq-nk crg

2шт.

120377

NUT,3/8" - 16, Gr 5

2шт.

120382

LOCK WASHER,Helical Spring, 3/8"

WASHER, LOCK, 3/8"

2шт.

14

667774R1

COLLAR

auger relief pipe set

1шт.

102872

SET SCREW

1/4-20 x 3/4 C-Z sq-hd, cup-pt set

1шт.

120375

NUT,Hex, 1/4" - 20, Gr 5

1шт.

15

124551

SCREW

1/4 x 7/8 SAE A Woodruff

3шт.

16

674301R1

SHAFT

auger drive

1шт.

17

674308R1

GEAR

PINION, auger drive

1шт.

22753R1

HEADED PIN,5/16" x 2 3/16"

PIN, HEADED, 5/16" x 2 3/16"

1шт.

12860R1

PIN

1/8 x 1/2 znp cot.

1шт.

20703R1

WASHER

29/32 x 1-3/4 x 16 ga C-Z (or as required)

7шт.

23365R1

WASHER

29/32 x 1-11/32 x 20 ga C-Z (or as required)

4шт.

18

674286R1

AUGER

ASSY, 16 in. dia. auger

1шт.

18

202894C1

AUGER

ASSY, 18 in. dia auger

1шт.

19

665187R1

THRUST WASHER

bronze

1шт.

20

202893C1

PIPE

ASSY, auger core, 18 in. dia. auger

1шт.

20

203023C91

PIPE

ASSY, auger core 16 in. dia. auger

1шт.

21

674307R1

STOP

auger, 16 in. dia auger (3), 18 in. dia auger (2)

1шт.

21

202896C1

BLOCK

spacer (4), w/18 in. dia auger (5), w/18 in. auger w/auger lift

1шт.

18775R1

BOLT,Hex, 5/16"-18 x 5", G2

5/16 x 5 C-Z hex-hd mach 16 in. dia. auger

1шт.

18777R1

BOLT

5/16 x 5 znd hex-hd mach 18 in. dia. auger

1шт.

24666R1

BOLT,Hex, 5/16" - 18 x 7", Gr 2

18 in. dia. auger Hex, 5/16"-18 x 7", G2

1шт.

632225R1

LOCK NUT

5/16-18 hex. lock

1шт.

619855R1

WASHER

11/32 x 3/4 x 16 ga C-Z

2шт.

22

674306R1

STRAP

auger guide

2шт.

23

516694R1

SPACER

auger guide strap

2шт.

18511R1

BOLT,Short NK, 3/8"-16 x 3", G2

3/8 x 3 C-Z sq-nk crg

2шт.

124829

JAM NUT,Hex, 3/8" - 16, Gr 5

2шт.

138542

LOCK WASHER,Int Tooth, 3/8"

WASHER, LOCK, Int Tooth, 3/8"

2шт.

21786R1

SQ HOLE WASHER,13/32" x 2 3/8" x .120", Sq Hole

13/32 x 2-3/8 x 11 ga C-Z sq hole

2шт.

24

452864R1

V-BELT

Auger drive

1шт.

25

674419R1

SUPPORT

auger shield

1шт.

12872R1

BOLT,Short NK, 5/16"-18 x 1", G2, Full Thd

CARRIAGE, Short NK, 5/16"-18 x 1", G2, Full Thd

2шт.

120376

NUT,5/16"-18, G5

2шт.

80681

LOCK WASHER,5/16"

WASHER, LOCK, 5/16"

2шт.

619855R1

WASHER

11/32 x 3/4 x 16 ga C-Z

2шт.

26

210647C1

BAR

pick-up 18 in. dia. auger w/auger lift

1шт.

113-206

BOLT,Hex, 3/8" - 16 x 3/4", Gr 5, Full Thd

3/8 x 3/4 type 5

1шт.

120377

NUT,3/8" - 16, Gr 5

1шт.

120382

LOCK WASHER,Helical Spring, 3/8"

WASHER, LOCK, 3/8"

1шт.

21

210651C1

SPACER

pick-up bar, 18 in. dia. auger w/auger lift

1шт.

28

210648C1

SPACER

pick-up bar, 18 in. dia. auger w/auger lift

1шт.

180161

7/16 x 3-1/4 type 5

1шт.

20609R1

WASHER

.469 x 1.750 x .105

1шт.

29

210646C1

SUPPORT

auger arm 18 in. dia. auger w/auger lift

1шт.

433156

BOLT,Hex, 1/2" - 13 x 4 1/2", Gr 5

1/2 x 4-1/2 type 5

1шт.

Выбрано товаров: 85