Запчасти Case IH 46 (83) - HYDRAULIC BALE DENSITY CONTROL, SPECIAL, PUMP

Схема запчастей Case IH 46 - (83) - HYDRAULIC BALE DENSITY CONTROL, SPECIAL, PUMP
FIT
1:1
100%

Артикул

Название

Примечание

Количество

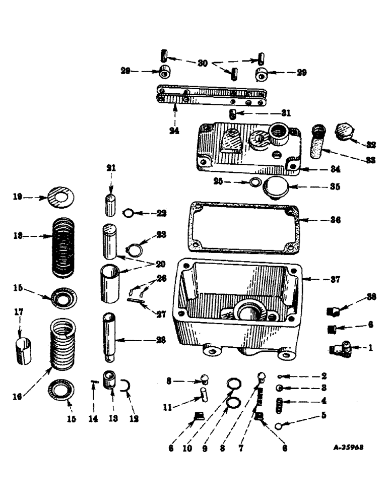
659423R91

PUMP, assembly, Consists of all the parts listed below

1шт.

1

222-935

ELBOW

tube, flared 90 degrees

1шт.

2

16009R1

BALL

steel, 9/32"

1шт.

3

659535R1

ADAPTER, pressure relief valve

1шт.

4

659545R1

SPRING, pressure relief valve

1шт.

5

659538R1

SHIM, adjusting, pressure (Order as required)

1шт.

6

143997

PLUG

pipe, hdls., 1/4-NPTF

3шт.

7

659531R1

SPRING, discharge

1шт.

8

659539R1

POPPET, spring

2шт.

9

659561R1

WASHER, back-up

1шт.

10

350667R1

O-RING,0.103" Thk x 0.674" ID, -115, Cl 5, 75 Duro

3/32 x 11/16"

1шт.

11

659544R1

SPRING, intake

1шт.

12

NOT USED FOR NO. 46 PICKUP BALER

1шт.

13

659534R1

FOOT, plunger

1шт.

14

17088R1

PIN, roll, 1/8 x 1/2"

1шт.

15

659537R1

RETAINER, spring

2шт.

16

659543R1

SPRING, metering rod

1шт.

17

659536R1

TUBE, stop

1шт.

18

659546R1

SPRING, return, piston

1шт.

19

659542R1

WASHER, retainer, piston spring

1шт.

20

659528R91

PISTON AND SLEEVE, assembly

1шт.

21

659541R1

PLUNGER

1шт.

22

269174R1

SNAP RING,#62, Ext

Ring, Snap, , plunger #62, Ext

1шт.

23

454331R1

SNAP RING,#87, Ext

Piston #87, Ext

1шт.

24

659525R91

ARM, rocker, w/rollers, assembly

1шт.

25

659562R1

RING, quad

1шт.

26

659532R1

SPRING, retainer

2шт.

27

659540R1

PIN, piston and sleeve

1шт.

28

659547R1

ROD, metering

1шт.

29

659526R1

ROLLER, rocker arm

2шт.

30

17235R1

LOCK PIN,3/8" x 15/16", Slotted

Pin, 3/8" x 15/16", Slotted

3шт.

31

659533R1

BUSHING, pump cover

1шт.

32

659716R1

PLUG, hex-hd., 7/8-14NF

1шт.

33

659527R91

STRAINER, pump

1шт.

34

659549R1

COVER, pump

1шт.

179817

BOLT,Hex, 5/16" - 18 x 7/8", Gr 5, Full Thd

4шт.

103320

LOCK WASHER,5/16"

WASHER, LOCK, 5/16"

4шт.

35

659566R1

BREATHER, pump

1шт.

36

659548R1

GASKET, cover

1шт.

37

659550R1

BODY, valve

1шт.

15266R1

BOLT, carriage, 3/8-16NC x 5"

2шт.

102635

NUT,3/8"-16, G5

2шт.

103397

COTTER PIN,5/32" x 1 1/4"

Pin, Split (Cotter), 5/32" x 1 1/4"

1шт.

103321

LOCK WASHER,3/8"

WASHER, LOCK, 3/8"

2шт.

38

103878

PLUG

pipe, sq-hd., 1/4-NPTF

2шт.

Выбрано товаров: 45