Запчасти Case IH 46 (15) - PLUNGER STOP AND BALE CHAMBER BOTTOM PLATE

Схема запчастей Case IH 46 - (15) - PLUNGER STOP AND BALE CHAMBER BOTTOM PLATE
FIT
1:1
100%

Артикул

Название

Примечание

Количество

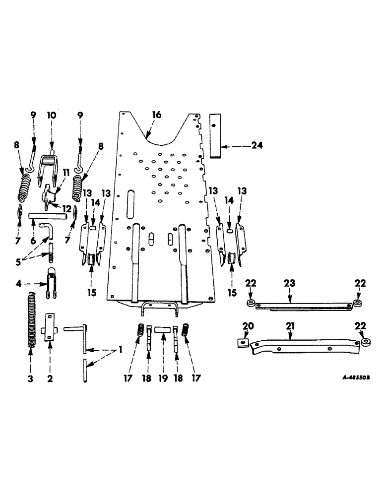
1

662288R92

ARM

plunger stop (Welded assembly)

1шт.

432-1220

COTTER PIN,3/16" x 1 1/4"

Pin, Split (Cotter), 3/16" x 1 1/4"

1шт.

11002VA

WASHER

plain, 17/32" ID x 7/8" OD x no. 16 ga.

1шт.

2

662285R91

HANGER

plunger stop arm (Welded assembly)

1шт.

14995R1

BOLT

carriage, 3/8-16NC x 3/4"

1шт.

15551R1

BOLT,3/8"-16 x 1", G2, Full Thd

plow, 3/8-16NC x 1"

1шт.

102635

NUT,3/8"-16, G5

2шт.

103321

LOCK WASHER,3/8"

WASHER, LOCK, 3/8"

2шт.

3

H39195

SPRING

plunger stop pivot

1шт.

4

127786

ADJUSTABLE CLEVIS,5/16"-18 x 4 15/16"

CLEVIS, adjusting, plunger stop link

1шт.

432-1220

COTTER PIN,3/16" x 1 1/4"

Pin, Split (Cotter), 3/16" x 1 1/4"

1шт.

H2808

HEADED PIN,5/8" x 2"

PIN, std-hd., 5/8 x 2"

1шт.

5

664847R1

LINK

plunger stop (No. 46-W baler)

1шт.

5

662067R1

LINK, plunger stop (No. 46-T baler) (57-60)

1шт.

5

665578R1

LINK, plunger stop (No. 46-T baler) (61- )

1шт.

425-1110

NUT,5/8"-18, G5

1шт.

432-1220

COTTER PIN,3/16" x 1 1/4"

Pin, Split (Cotter), 3/16" x 1 1/4"

2шт.

551177R1

WASHER

plain, 21/32" ID x 1-1/4" OD x no. 16 ga.

2шт.

6

665176R1

PIVOT, plunger stop (57-60)

1шт.

6

665583R1

PIN, plunger stop pivot (61- )

1шт.

103409

PIN, SPLIT (COTTER),3/16" x 1 1/2"

1шт.

7

495440R1

PLATE ASSY.

ANCHOR, plunger stop spring (57-60)

2шт.

8

495524R1

SPRING, plunger stop (57-60)

2шт.

9

662068R1

EYEBOLT, plunger stop spring (57-60)

2шт.

102637

NUT,1/2"-13, G5

4шт.

10

495271R91

CARRIAGE, plunger stop (Welded assembly) (57-60)

1шт.

11

662041R1

STOP

plunger

1шт.

12

19629R91

FITTING, lubrication, straight, 1/8" 65 degrees

1шт.

13

662234R1

GUIDE, needle

4шт.

17496R1

BOLT,Hex, 3/8" - 16 x 1 3/4"

mach., hex-hd., 3/8-16NC x 1-3/4"

4шт.

15543R1

BOLT

plow, 3/8-16NC x 3/4"

8шт.

102635

NUT,3/8"-16, G5

8шт.

103321

LOCK WASHER,3/8"

WASHER, LOCK, 3/8"

8шт.

14

662138R1

SPACER

needle guide

2шт.

15

662030R1

PULLEY

SHEAVE, twine, needle guide

2шт.

16

662191R94

PLATE, bottom (Welded assembly)

1шт.

14995R1

BOLT

carriage, 3/8-16NC x 3/4"

1шт.

15543R1

BOLT

plow, 3/8-16NC x 3/4"

1шт.

102635

NUT,3/8"-16, G5

2шт.

103321

LOCK WASHER,3/8"

WASHER, LOCK, 3/8"

2шт.

17

51101R2

COIL SPRING

SPRING, hay retainer (57-58)

2шт.

17

668869R1

SPRING

hay retainer (59- )

2шт.

18

662007R2

RETAINER

hay

2шт.

108638

COTTER PIN,3/16" x 1 1/8"

Pin, Split (Cotter), 3/16" x 1 1/8"

1шт.

Q958

PIN

std-hd., 1/2 x 4-7/8"

1шт.

19

662137R1

SPACER

hay retainer

1шт.

20

664255R1

SPACER, bottom plate support (No. 46-W baler)

1шт.

21

664799R1

SUPPORT, bottom plate, rear (No. 46-W baler)

1шт.

17426R1

BOLT,Hex, 3/8" - 16 x 1", Gr 2

mach., hex-hd., 3/8-16NC x 1"

2шт.

15581R1

BOLT,3/8"-16 x 1 1/2", G2

plow, 3/8-16NC x 1-1/2"

2шт.

102635

NUT,3/8"-16, G5

4шт.

103321

LOCK WASHER,3/8"

WASHER, LOCK, 3/8"

4шт.

22

PO14586

ROLLER

SPACER, bottom plate support (No. 46-W baler)

3шт.

23

664798R1

SUPPORT, bottom plate, front (No. 46-W baler)

1шт.

17426R1

BOLT,Hex, 3/8" - 16 x 1", Gr 2

mach., hex-hd., 3/8-16NC x 1"

2шт.

15581R1

BOLT,3/8"-16 x 1 1/2", G2

plow, 3/8-16NC x 1-1/2"

2шт.

102635

NUT,3/8"-16, G5

4шт.

103321

LOCK WASHER,3/8"

WASHER, LOCK, 3/8"

4шт.

24

667554R1

STRIP, filler, bottom plate

1шт.

102467H

FITTING

lubrication, straight, 1/4" (In 662285R91 hanger)

1шт.

Выбрано товаров: 60