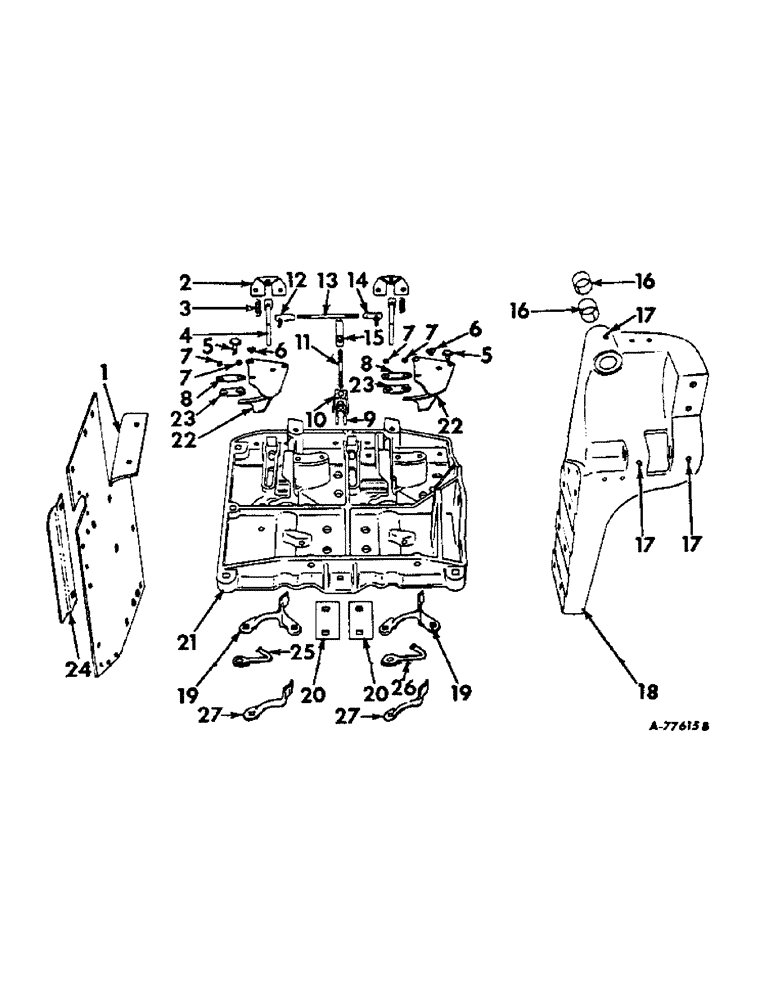
Запчасти Case IH 57 (A-32) - TWISTER BASE PLATE AND DRIVE FRAME

Схема запчастей Case IH 57 - (A-32) - TWISTER BASE PLATE AND DRIVE FRAME
FIT
1:1
100%

Артикул

Название

Примечание

Количество

1

663492R4

REINFORCEMENT, bale chamber left

1шт.

BOLT, 3/8-16 x 1 short sq-nk crg

6шт.

BOLT, 3/8-16 x 1 No. 3 plow

4шт.

NUT, 3/8-16 hex.

10шт.

WASHER, 3/8 med lock

10шт.

2

663578R91

BRACKET ASSY, top hay retainer

2шт.

BOLT, 3/8-16 x 3/4 hex-hd mach

4шт.

WASHER, 3/16 med lock

4шт.

3

665192R1

SPRING

top hay retainer

2шт.

4

663158R1

RETAINER, top hay

2шт.

PIN, 1/8 x 3/4 cot.

2шт.

Q3534

HEADED PIN,9.53mm OD x 38.1mm L

PIN, 3/8 x 1-1/2 std-hd

2шт.

5

656956R1

STUD

stripper pivot front

2шт.

28407K

WASHER

17/32 x 1-1/4 x 22 ga

2шт.

660466R1

WASHER

stripper front pivot stud

2шт.

6

656945R1

BEARING

BUSHING, stripper pivot

2шт.

7

667235R1

SPACER

guide plate

4шт.

8

667234R1

PLATE

stripper finger guide

2шт.

NUT, 3/8-24 hex.

2шт.

SCREW, 3/8-24 x 1 hex-hd cap

2шт.

WASHER, 3/8 med lock

2шт.

9

116537

SPACER

CLEVIS, 7/16-20 x 2-1/2 short adj rod end

1шт.

658714R1

PIN, stripper clevis

1шт.

10

658742R1

CLEVIS COUPLING

CLIP, stripper clevis pin

1шт.

11

656930R2

ROD

stripper actuating

1шт.

NUT, 7/16-20 hex.

2шт.

12

667236R2

ROD, 3/8-24 x 1-1/8 ball

1шт.

NUT, 3/8-24 hex.

1шт.

WASHER, 3/8 med lock

2шт.

13

656932R1

ROD

wire stripper connecting

1шт.

NUT, 3/8-24 hex.

1шт.

14

667237R91

JOINT

3/8-24 x 1-1/8 ball LH thd

1шт.

NUT, 3/8-24 hex.

1шт.

WASHER, 3/8 med lock

1шт.

15

659567R91

JOINT TURNING

JOINT, 7/16-20 x 5/8 stripper connecting rod ball

1шт.

667596R1

NUT

WASHER, 7/16 med lock

1шт.

16

663364R1

BUSHING

packer crank

2шт.

17

109461

LUBE NIPPLE,1/8"-27 x .66 lg

NIPPLE, LUBE, , PTF 1/8"-27 x .66 lg

1шт.

18

663157R21

FRAME, w/bushings, knotter & twister drive

1шт.

BOLT, 3/8-16 x 1-1/4 short sq-nk crg

2шт.

BOLT, 7/16-14 x 1-3/4 hex-hd mach

2шт.

BOLT, 7/16-14 x 2 hex-hd mach

3шт.

BOLT, 1/2-13 x 1-1/2 hex-hd mach

2шт.

NUT, 3/8-16 hex.

2шт.

NUT, 7/16-14 hex.

3шт.

NUT, 1/2-13 hex.

2шт.

WASHER, 3/8 med lock

2шт.

WASHER, 7/16 med lock

3шт.

WASHER, 1/2 med lock

2шт.

19

657115R1

FINGER

INSERT, twister frame, 4149N and below

2шт.

BOLT, 3/8-16 x 1-1/4 No. 3 plow

2шт.

BOLT, 3/8-16 x 1-3/4 No. 3 plow

2шт.

NUT, 3/8-16 hex.

4шт.

WASHER, 3/8 med lock

4шт.

20

495930R1

WEDGE

hay retainer broad

2шт.

BOLT, 7/16-14 x 1-1/4 short sq-nk crg

4шт.

NUT, 7/16-14 hex.

4шт.

WASHER, 7/16 med lock

4шт.

21

663159R3

PLATE, wire twister base

1шт.

BOLT, 1/2-13 x 1-3/4 hex-hd mach

2шт.

BOLT, 3/8-16 x 1 No. 3 plow

4шт.

BOLT, 1/2-13 x 1-1/2 No. 3 plow

1шт.

BOLT, 1/2-13 x 2-1/4 No. 3 plow

4шт.

NUT, 3/8-16 hex.

4шт.

NUT, 1/2-13 hex.

5шт.

WASHER, 3/8 med lock

4шт.

WASHER, 1/2 med lock

7шт.

WASHER, 17/32 x 1 x 11 ga

2шт.

22

667230R91

FINGER

ASSY, stripper

2шт.

Q1597

WASHER

13/32 x 3/4 x 16 ga

6шт.

23

667233R1

ANCHOR

stripper finger

2шт.

156513

SCREW,Cross Flat Hd, 3/8" - 16 x 1/2"

3/8-16 x 1/2 cd-pltd cr-rec-hd mach

4шт.

575808R1

WASHER

19/32 x 1 x 16 ga

4шт.

24

668571R1

EXTENSION, reinforcement plate

1шт.

BOLT, 3/8-16 x 3/4 short sq-nk crg

2шт.

NUT, 3/8-16 hex.

2шт.

WASHER, 3/8 med lock

2шт.

25

671121R1

DEFLECTOR

wire twist LH, 004150 and up

1шт.

26

671122R1

DEFLECTOR

wire twist RH, 004150 and up

1шт.

20717R1

BOLT, 7/16 x 7/8 znd hex-hd mach

1шт.

120383

LOCK WASHER,Helical Spring, 7/16"

WASHER, LOCK, 7/16"

1шт.

22196R1

WASHER

15/32 x 7/8 x 16 ga C-Z

1шт.

27

674724R1

INSERT

twister frame, 004150 and up

2шт.

19020R1

PLOW BOLT,#3, 3/8" - 16 x 1 1/4", Gr 2

BOLT, 3/8 x 1-1/4 znd No. 3 plow

4шт.

120377

NUT,3/8" - 16, Gr 5

4шт.

120382

LOCK WASHER,Helical Spring, 3/8"

WASHER, LOCK, 3/8"

4шт.

Выбрано товаров: 86