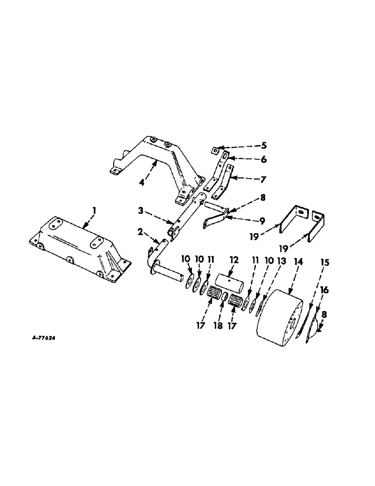
Запчасти Case IH 57 (A-53) - ADDITIONAL PARTS FOR C-123 ENGINE, ENGINE MOUNTS AND IDLER

Схема запчастей Case IH 57 - (A-53) - ADDITIONAL PARTS FOR C-123 ENGINE, ENGINE MOUNTS AND IDLER
FIT
1:1
100%

Артикул

Название

Примечание

Количество

1

MOUNT, engine rear, refer to Eng-1 parts catalog

1шт.

2

663276R91

ROD ASSY, engine idler adjusting

1шт.

PIN, 1/4 x 2 cot.

1шт.

3

663283R91

ARM ASSY, engine idler

1шт.

BOLT, 3/8-16 x 2-1/4 hex-hd mach

2шт.

661166R1

BOLT, 3/8-16 x 2-1/2 special hex-hd mach

1шт.

NUT, 3/8-16 hex.

5шт.

WASHER, 3/8 med lock

2шт.

Q1504

WASHER

13/32 x 7/8 x 16 ga

2шт.

Q3479

WASHER

29/32 x 1-3/8 x 14 ga

1шт.

4

MOUNT, engine front, refer to Eng-1 parts catalog

1шт.

5

663368R1

WASHER, engine idler arm pivot

1шт.

6

663288R1

PIVOT, engine idler arm

1шт.

BOLT, 3/8-16 x 1-1/4 short-sq-nk crg

6шт.

BOLT, 3/8-16 x 1-1/4 hex-hd mach

1шт.

BOLT, 3/8-16 x 2-3/4 hex-hd mach

2шт.

BOLT, 7/16-14 x 1-1/4 hex-hd mach

4шт.

BOLT, 3/8-16 x 1-1/4 No. 3 plow

2шт.

NUT, 3/8-16 hex.

11шт.

114503

JAM NUT,Jam, 3/8"-16, G5

1шт.

WASHER, 3/8 med lock

11шт.

WASHER, 7/16 med lock

4шт.

7

663287R1

BRACE, engine idler arm pivot

1шт.

8

109461

LUBE NIPPLE,1/8"-27 x .66 lg

NIPPLE, LUBE, , PTF 1/8"-27 x .66 lg

2шт.

9

663280R91

STRAP ASSY, engine idler arm hammer

1шт.

BOLT, 7/1-14 x 1-1/2 No. 3 plow

1шт.

NUT, 7/16-14 hex.

1шт.

WASHER, 7/16 med lock

1шт.

10

B32368

WASHER, engine idler pulley

3шт.

11

B32367

WASHER, engine idler pulley notched

2шт.

12

451891R1

RACE, engine idler bearing

1шт.

13

11387P

WASHER, engine idler end thrust

1шт.

14

5174PA

PULLEY, engine idler

1шт.

15

656874R1

GASKET, pulley cap

1шт.

16

659371R91

CAP ASSY, pulley

1шт.

BOLT, 5/16-18 x 1/2 hex-hd mach

4шт.

WASHER, 5/16 med lock

4шт.

17

74036H

BEARING

ASSY, idler pulley

2шт.

18

11449P

SPACER,1 1/4" Pipe x 1/2"

engine idler pulley bearing

1шт.

19

668689R1

GUIDE, drive belt

2шт.

BOLT, 3/8-16 x 1 hex-hd mach

2шт.

NUT, 3/8-16 hex.

2шт.

WASHER, 3/8 med lock

2шт.

Q1505

WASHER

13/32 x 1 x 16 ga

2шт.

Выбрано товаров: 44