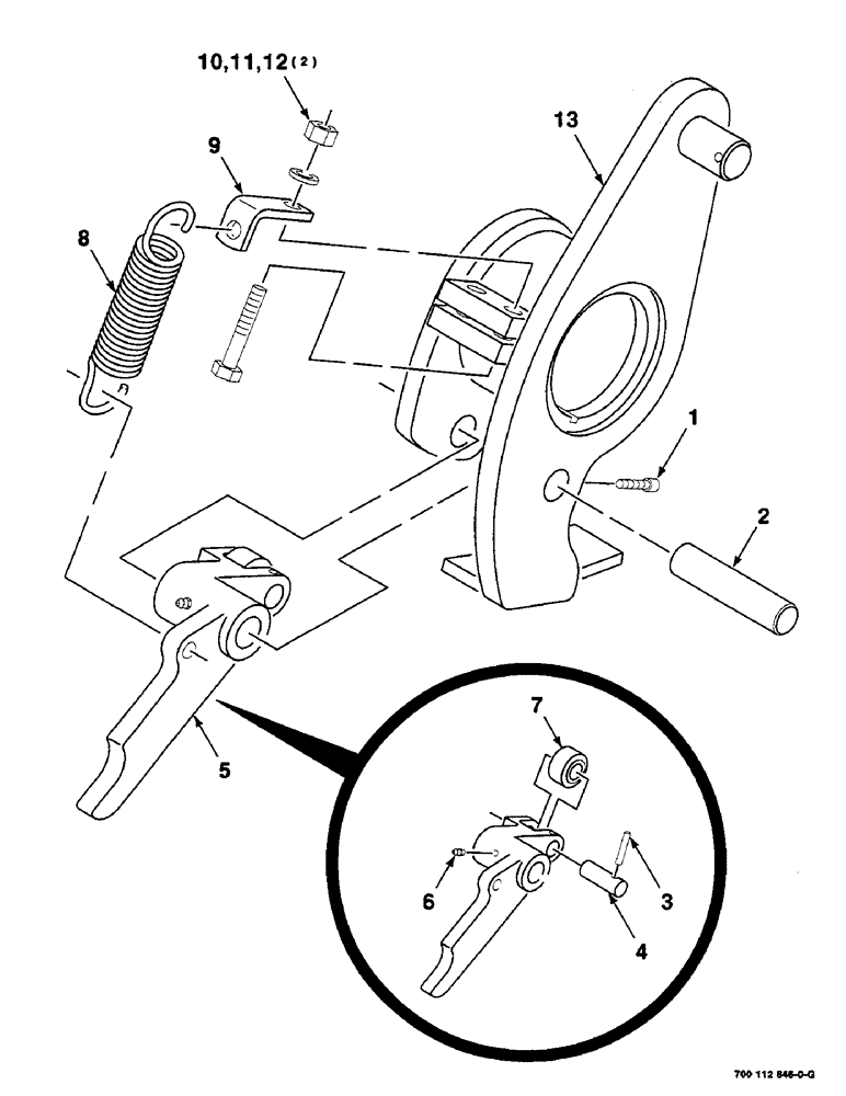
Запчасти Case IH 8580 (05-12) - CLUTCH DOG ASSEMBLY (13) - FEEDER

Схема запчастей Case IH 8580 - (05-12) - CLUTCH DOG ASSEMBLY (13) - FEEDER
7
10
1
3
12
6
8
13
5
2
4
11
9
FIT
1:1
100%

Артикул

Название

Примечание

Количество

1

178-244

SET SCREW,Hex Soc, 5/16"-18 x 3/4"

5/16-18 X 3/4 HDPHSSS

1шт.

2

700112858

PIN

SHAFT - clutch

1шт.

3

38-11624

LOCK PIN,1/4" x 1 1/2", Slotted

PIN, 1/4" x 1 1/2", Slotted

1шт.

4

700112857

SHAFT

- clutch

1шт.

5

700124058

ARM

- clutch

1шт.

6

219-8

LUBE NIPPLE,1/4" - 28 NPTF

NIPPLE, LUBE, 1/4"-28 NPT x .54" lg

1шт.

7

700112856

NEEDLE ROLLER

ROLLER

1шт.

8

758268

SPRING

- extension

1шт.

9

700112859

SUPPORT

- spring

1шт.

10

413-840

BOLT,Hex, 1/2" - 13 x 2-1/2", Gr 5

1/2-13 X 2-1/2 C

2шт.

11

80679

LOCK WASHER,1/20.507 CST ZND

WASHER, LOCK, 1/2"

2шт.

12

425-108

NUT,1/2" - 13, Gr 5

NUT, , Hex 1/2"-13, G5

2шт.

13

700112887

ARM

WA - clutch, left

1шт.

Выбрано товаров: 13