Запчасти Case IH 8580 (06-06) - KNOTTER FRAME ASSEMBLY, PRODUCTION KNOTTER (14) - BALE CHAMBER

Схема запчастей Case IH 8580 - (06-06) - KNOTTER FRAME ASSEMBLY, PRODUCTION KNOTTER (14) - BALE CHAMBER
17
14
21
7
20
13
11
39
3
35
5
27
37
4
17
10
32
18
33
41
23
15
22
2
23
16
40
29
17
12
34
34
31
38
2
5
22
20
1
4
4
8
4
25
19
30
24
14
6
3
28
9
5
14
36
26
FIT
1:1
100%

Артикул

Название

Примечание

Количество

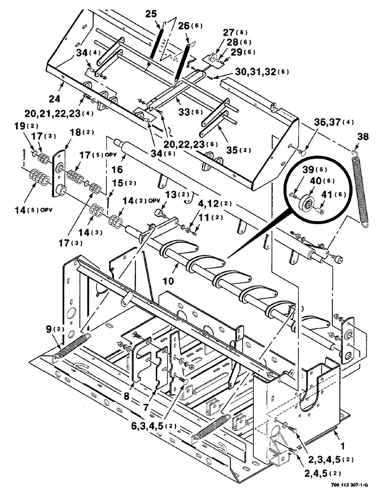
1

700113311

FRAME

WA - knotter

1шт.

2

413-820

BOLT,Hex, 1/2" - 13 x 1-1/4", Gr 5

4шт.

3

705541

WASHER,0.53" ID x 1.06" OD x 0.14" Thk

1/2 HARDENED PLAIN WASHER

4шт.

4

80679

LOCK WASHER,1/20.507 CST ZND

WASHER, LOCK, 1/2"

8шт.

5

425-108

NUT,1/2" - 13, Gr 5

NUT, , Hex 1/2"-13, G5

6шт.

6

433-824

CARRIAGE BOLT,Sq Nk, 1/2" - 13 x 1 1/2", Gr 5

1/2-13 X 1-1/2 RHSNB

2шт.

7

6845713

LARGE PLATE

PLATE

1шт.

8

6845721

BRACKET

1шт.

9

858308

SPRING

- extension

2шт.

10

700113336

ARM

WA - Tucker (Includes items 39, 40 and 41)

1шт.

11

219-17

LUBE NIPPLE,3/16" NPTF

NIPPLE, LUBE, 3/16" x .55" lg, Drive

2шт.

12

425-118

NUT,1/2"-20, G5

1/2-20 H

2шт.

13

8050866

CAM FOLLOWER

BEARING - cam follower

2шт.

14

495-81205

WASHER,32.54mm ID x 50.8mm OD x 1.7mm Thk

1-1/4 X 18 GAUGE NRMB

11шт.

15

432-1028

COTTER PIN,5/32" x 1 3/4"

PIN, SPLIT (COTTER), 5/32" x 1 3/4"

2шт.

16

700113330

SHAFT

WA - finger

1шт.

17

195-2103

WASHER,1 1/16" x 1 1/2" x .065"

1 X 18 GAUGE NRMB

11шт.

18

700113342

SUPPORT

WA

2шт.

19

D23692

SNAP RING,#100, Ext, Crescent

Ring, Snap, #100, Ext, Crescent

2шт.

20

413-520

BOLT,Hex, 5/16" - 18 x 1-1/4", Gr 5

5/16-18 X 1-1/4 C

10шт.

21

495-61034

WASHER,0.34" ID x 0.88" OD x 0.06" Thk

5/16 WIDE PLAIN WASHER

4шт.

22

492-11031

LOCK WASHER,5/16"

WASHER, LOCK, 5/16"

10шт.

23

425-105

NUT,5/16"-18, G5

10шт.

24

6844971

BRACKET

WA

1шт.

25

700712484

SPRING

- extension

1шт.

26

758482

TENSION SPRING

SPRING - extension

6шт.

27

6529945

ROLLER

- needle

6шт.

28

7849656

SLEEVE

- roller

6шт.

29

7849110

BUSHING,5.23mm ID x 6.99mm OD x 13.49mm L

SLEEVE - bushing

6шт.

30

363-31016

SCREW,Hex Wash Hd, #10-24 x 1"

#10-24 X 1 HWHMS

6шт.

31

492-11010

LOCK WASHER,#10

WASHER, LOCK, #10

6шт.

32

225-14110

NUT,#10-24

6шт.

33

6523765

ARM

- tension

6шт.

34

6523799

BUSHING

10шт.

35

700113346

ROD

WA

2шт.

36

433-816

CARRIAGE BOLT,Sq Nk, 1/2" - 13 x 1", Gr 5

1/2-13 X 1 RHSNB

4шт.

37

231-5148

FLANGE NUT,Flg, USR, 1/2"-13

4шт.

38

700714985

SPRING

- extension

1шт.

39

164-102

HEX SOC SCREW,FLAT, #10 - 32 x 1/2"

#10-32 X 1/2 HSFCHCS

6шт.

40

700707700

BALL BEARING,6.48 mm ID x 31.75 mm OD x 13.08 mm

BEARING

6шт.

41

866566

FASTENER,#10 - 32 x 9/16"

#10-32 FASTENER - special

6шт.

Выбрано товаров: 41