Запчасти Case IH 8585 (9-06) - DECALS AND LOCATION DIAGRAM, OPERATIONAL, (CONT) Decals & Attachments

Схема запчастей Case IH 8585 - (9-06) - DECALS AND LOCATION DIAGRAM, OPERATIONAL, (CONT) Decals & Attachments
5
7
3
4
2
6
8
8
9
1
FIT
1:1
100%

Артикул

Название

Примечание

Количество

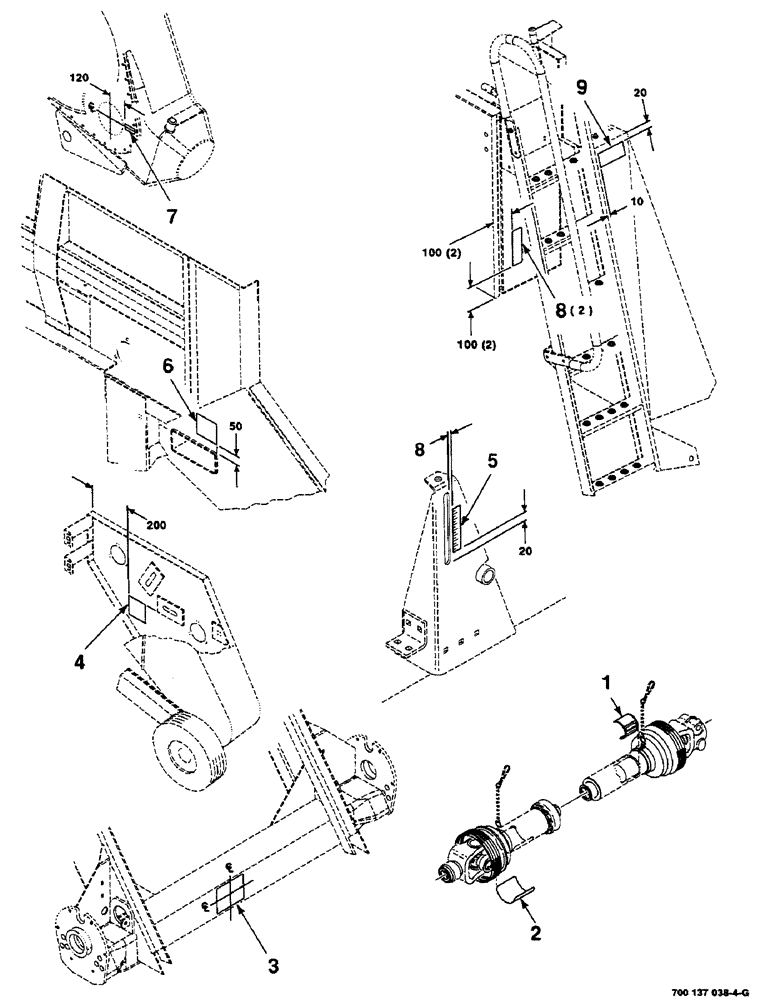
1

1326528C1

DECAL

- danger, shield missing

1шт.

2

80672C1

DECAL

- danger, rotating driveline

1шт.

3

700706990

DECAL

- twine tension

1шт.

4

700711095

DECAL

- drive, right

1шт.

5

700714164

DECAL

- indicator

1шт.

6

700711092

DECAL

- drive, packer

1шт.

7

700706493

DECAL

- metric hardware

1шт.

8

878660

REFLECTOR

- red

2шт.

9

700715156

DECAL

- needle lock

1шт.

Выбрано товаров: 9