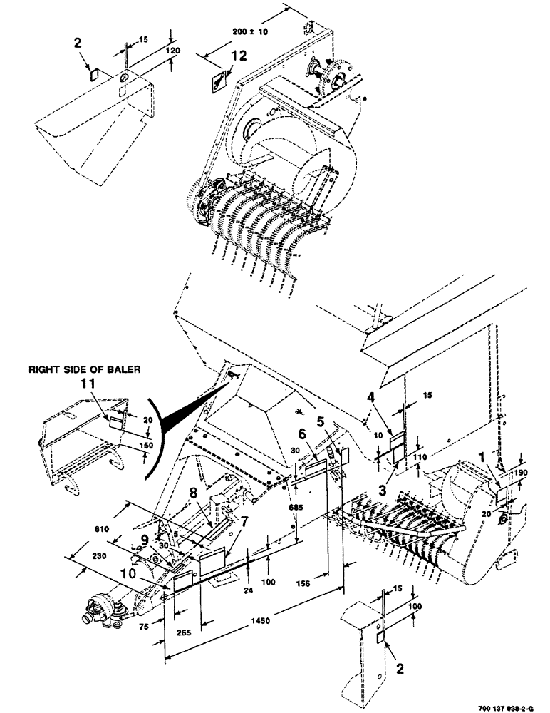
Запчасти Case IH 8585 (9-08) - DECALS AND LOCATION DIAGRAM, OPERATIONAL, FRONT Decals & Attachments

Схема запчастей Case IH 8585 - (9-08) - DECALS AND LOCATION DIAGRAM, OPERATIONAL, FRONT Decals & Attachments
4
2
8
7
6
12
1
11
3
2
10
9
5
FIT
1:1
100%

Артикул

Название

Примечание

Количество

1

700711094

DECAL

- drive, left

1шт.

2

700714661

REFLECTOR

- amber

2шт.

3

700717110

DECAL

- shear bolt

1шт.

4

700714229

DECAL

- warning

1шт.

5

8877789

DECAL

- patent

1шт.

6

8888216

DECAL

- warning

1шт.

7

700717113

DECAL

- u-joint

1шт.

8

879197

DECAL

- warning

1шт.

9

7078264

DECAL

- notice

1шт.

10

700717112

DECAL

- notice

1шт.

11

700714127

DECAL

- notice

1шт.

12

700711095

DECAL

- drive, right

1шт.

Выбрано товаров: 12