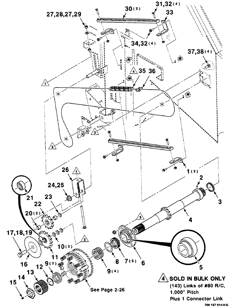
Запчасти Case IH 8585 (2-22) - AUXILIARY DRIVE GROUP, RIGHT Driveline

Схема запчастей Case IH 8585 - (2-22) - AUXILIARY DRIVE GROUP, RIGHT Driveline
22
9
15
30
23
28
21
8
10
7
33
29
34
35
2
3
6
32
11
38
36
27
9
18
5
4
24
26
19
20
27
17
25
37
1
32
31
14
16
13
12
FIT
1:1
100%

Артикул

Название

Примечание

Количество

1

700137386

BRACKET

- chain guide

3шт.

2

219-8

LUBE NIPPLE,1/4" - 28 NPTF

NIPPLE, LUBE, 1/4"-28 NPT x .54" lg

1шт.

3

700715965

SEAL

- v-ring

1шт.

4

700137378

SHAFT

WA

1шт.

5

700704263

SPHERICAL BEARING,55.562 mm ID x 100 mm OD x 48.4 mm

BEARING - spherical

1шт.

6

700716611

BEARING ASSY,55.56 mm ID x 111.91 mm OD x 31 mm

BEARING ASSEMBLY - flanged (Includes item 5)

1шт.

7

6613665

SHIM,57.15mm ID x 76.2mm OD x 0.13mm Thk

- 0.13/.005

5шт.

8

6523542

SHIM

- 0.78/.031

1шт.

9

6523500

WASHER

BUSHING

6шт.

10

95-81182

WASHER,0.81" ID x 1.25" OD x 0.07" Thk

3/4 X 14 GAUGE NRMB

3шт.

11

700123336

SPROCKET ASSY.

SPROCKET ASM (Includes item 21)

1шт.

12

101-11215

SNAP RING,#215, 2.026", Ext

RING, SNAP, , Retaining #215, 2.026", Ext

1шт.

13

700137382

HUB

- splined

1шт.

14

700715751

NUT

- stake

1шт.

15

219-1

LUBE NIPPLE,1/8" - 27 NPTF

1/8-27 NPT ZERK

1шт.

16

700137039

SHIELD

- sprocket

1шт.

17

413-1236

BOLT,Hex, 3/4" - 10 x 2-1/4", Gr 5

1шт.

18

705566

WASHER

3/4 HARDENED PLAIN WASHER

1шт.

19

232-41112

NUT,3/4"-10, GC

NUT, LOCK, 3/4"-10, GC

1шт.

20

6823512

SPACER

2шт.

21

T39594

BALL BEARING,0.7505" ID x 1.7805" OD x 0.61"

BEARING

1шт.

22

51200277

SPROCKET ASSY.

SPROCKET - idler

1шт.

23

52183

BUSHING

3/4 X 18 GAUGE NRMB

1шт.

24

232-53112

FLANGE NUT,Flg, 3/4"-10

3/4-10 HFTLN GR/G

1шт.

25

413-1264

BOLT,Hex, 3/4" - 10 x 4", Gr 5

3/4-10 X 4 C

1шт.

26

700123330

CLEVIS

1шт.

27

425-108

NUT,1/2" - 13, Gr 5

NUT, , Hex 1/2"-13, G5

2шт.

28

495-21056

WASHER,1/2"

705 541

1шт.

29

7770878

BOLT,Sq Nk, 1/2" - 13 x 7", Gr 5, Full Thd

1/2-13 X 7 FTRHSNB

1шт.

30

700716127

GUIDE

- chain #80

2шт.

31

164-53

HEX SOC SCREW,Flat Hd, 3/8" - 16 x 1 1/2"

3/8-16 X 1-1/2 HSFCHCS SPL

4шт.

32

329-286

FLANGE NUT,Flg, 3/8"-16, G8

8шт.

33

700137387

BRACKET

- chain guide

1шт.

34

121-226

SERRATED BOLT,Hex, 3/8" - 16 x 1"

4шт.

35

1794D

CHAIN (AG)

CHAIN - roller, #80H

1шт.

36

241-4418

LINK

- connector

1шт.

37

433-824

CARRIAGE BOLT,Sq Nk, 1/2" - 13 x 1 1/2", Gr 5

1/2-13 X 1-1/2 RHSNB

4шт.

38

231-5348

FLANGE NUT,Flg, 1/2"-13

1/2-13 HFTLN GR/G

4шт.

Выбрано товаров: 38