Запчасти Case IH 8585 (5-02) - FEEDER ASSEMBLY (13) - FEEDER

Схема запчастей Case IH 8585 - (5-02) - FEEDER ASSEMBLY (13) - FEEDER
2
6
9
4
14
7
16
10
18
16
13
23
11
24
15
22
25
1
21
17
20
19
3
12
8
5
FIT
1:1
100%

Артикул

Название

Примечание

Количество

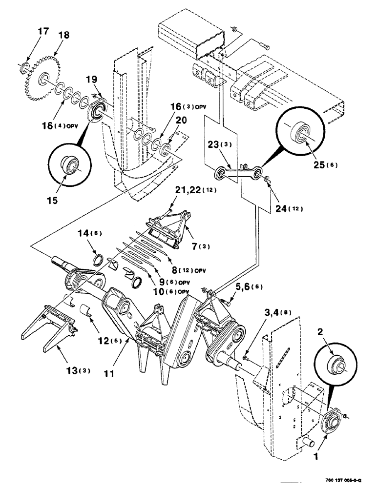
1

700109753

BEARING ASSY,97 mm ID x 108 mm OD x 33 mm

BEARING ASSEMBLY (Includes item 2)

1шт.

2

712158

SPHERICAL BEARING,2" ID x 100 mm OD

BEARING

1шт.

3

433-820

CARRIAGE BOLT,Sq Nk, 1/2" - 13 x 1 1/4", Gr 5

1/2-13 X 1-1/4 RHSNB

8шт.

4

329-288

FLANGE NUT,Flg, 1/2"-13, G8

8шт.

5

413-1036

BOLT,Hex, 5/8" - 11 x 2-1/4", Gr 5

5/8-11 X 2-1/4 C

6шт.

6

7704919

FLANGE NUT,Flg, 5/8"-11, G8

5/8-11 HFN GR8

6шт.

7

700112817

SUPPORT

FINGER WA

3шт.

8

700706850

SHIM

- 0.51/.020

12шт.

9

700706133

SHIM

- 0.25/.010

6шт.

10

700706134

SHIM

- 0.13/.005

6шт.

11

700137305

CRANK

WA - packer

1шт.

12

700706131

BEARING SET,60.15mm ID x 70.12mm OD x 60mm L

BEARING - pair

6шт.

13

700112787

FINGER

WA

3шт.

14

700706096

SEAL

6шт.

15

700704263

SPHERICAL BEARING,55.562 mm ID x 100 mm OD x 48.4 mm

BEARING

1шт.

16

852947

BUSHING

2-1/4 X 14 GAUGE NRMB

7шт.

17

700715751

NUT

- stake

1шт.

18

700137337

SPROCKET ASSY.

SPROCKET WA - 80C35

1шт.

19

700716611

BEARING ASSY,55.56 mm ID x 111.91 mm OD x 31 mm

BEARING ASSEMBLY - flanged (Includes item 15)

1шт.

20

700137336

SPACER

1шт.

21

433-860

CARRIAGE BOLT,Sq Nk, 1/2" - 13 x 3 3/4", Gr 5

1/2-13 X 3-3/4 RHSNB

12шт.

22

231-5348

FLANGE NUT,Flg, 1/2"-13

1/2-13 HFTLN GR/G

12шт.

23

700124036

LINK CONROD

LINK ASSEMBLY - finger (Includes item 25)

3шт.

24

700124038

BUSHING,16.27mm ID x 34.92mm OD x 10mm L

- bearing

12шт.

25

616154R92

BEARING, ROLLER, CYL,16 mm

BEARING

6шт.

Выбрано товаров: 25