Запчасти Case IH 8590 (09-06) - DECALS AND LOCATION DIAGRAM, OPERATIONAL, (CONT) Decals & Attachments

Схема запчастей Case IH 8590 - (09-06) - DECALS AND LOCATION DIAGRAM, OPERATIONAL, (CONT) Decals & Attachments
16
15
7
6
10
11
8
2
3
5
1
12
17
13
9
14
4
FIT
1:1
100%

Артикул

Название

Примечание

Количество

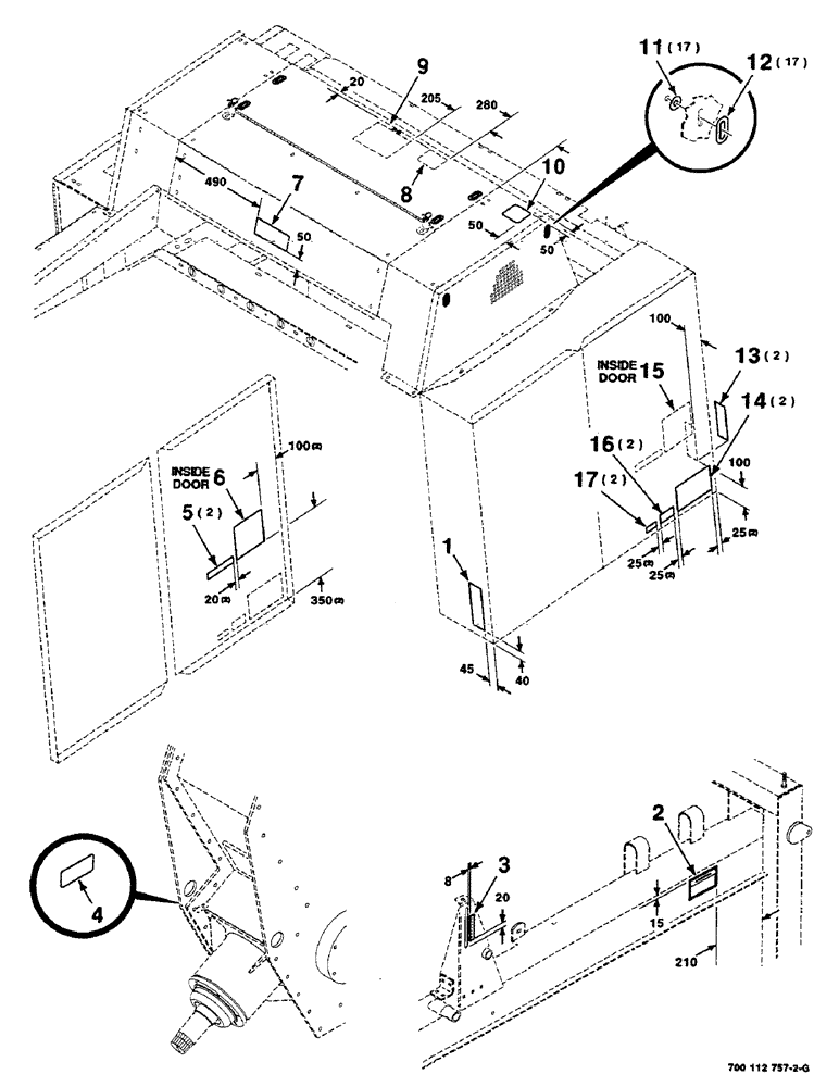
1

878694

REFLECTOR

- amber

1шт.

2

8877359

DECAL

- caution

1шт.

3

700714164

DECAL

- indicator

1шт.

4

700706493

DECAL

- metric hardware

1шт.

5

700708190

DECAL

- twine Spec.

2шт.

6

8888000

DECAL

- twine routing, right

1шт.

7

8888026

DECAL

1шт.

8

8888018

DECAL

1шт.

9

700710040

DECAL

- notice

1шт.

10

8877730

DECAL

1шт.

11

700709866

WASHER

- washer, camloc

17шт.

12

700709867

DECAL

- slot, camloc

17шт.

13

878660

REFLECTOR

DECAL - reflector, red

2шт.

14

700700036

DECAL

- danger

2шт.

15

8877995

DECAL

- twine routing, left

1шт.

16

7877533

DECAL

2шт.

17

7079130

DECAL

2шт.

Выбрано товаров: 17