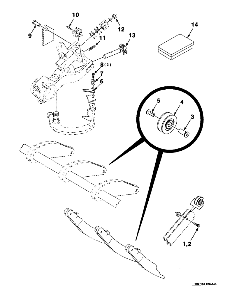
Запчасти Case IH 8590 (06-34) - KNOTTER, BOX OF SERVICE PARTS, 700150670 BOX OF SERVICE PARTS COMPLETE, S.N. CFH0139500 AND LATER (14) - BALE CHAMBER

Схема запчастей Case IH 8590 - (06-34) - KNOTTER, BOX OF SERVICE PARTS, 700150670 BOX OF SERVICE PARTS COMPLETE, S.N. CFH0139500 AND LATER (14) - BALE CHAMBER
11
12
3
10
4
9
5
6
1
14
13
7
2
8
FIT
1:1
100%

Артикул

Название

Примечание

Количество

700150670

KIT

BOX OF SERVICE PARTS COMPLETE

1шт.

1

163-14

SCREW,Hex Wshr Hd, 1/4" - 20 x 1"

1/4-20 X 1 HWHMS

1шт.

2

1703354

NUT

1/4-20 HFTLN GR/G

1шт.

3

866566

FASTENER,#10 - 32 x 9/16"

#10-32 FASTENER - special

1шт.

4

700707700

BALL BEARING,6.48 mm ID x 31.75 mm OD x 13.08 mm

BEARING

1шт.

5

164-102

HEX SOC SCREW,FLAT, #10 - 32 x 1/2"

#10-32 X 1/2 HSFCHCS

1шт.

6

700718710

KNIFE

- twine

1шт.

7

6613624

WASHER, LOCK

TAB - locking

1шт.

8

163-47

SCREW,Hex, #10 - 32 x 1/2", Gr 5

2шт.

9

063586

CLEVIS PIN

3/8 X 1-1/8 CLEVIS PIN

1шт.

10

435-7614

GROOVED PIN,3/16" x 7/8", Type G

Pin, Grooved, 3/16" x 7/8", Type G

1шт.

11

S120261

PIN

.149 HAIRPIN COTTER

1шт.

12

425-116

NUT,3/8" - 24, Gr 5

1шт.

13

700700968

KNOTTER

BILL AND HOOK ASSEMBLY

1шт.

14

700707474

BOX

- plastic

1шт.

Выбрано товаров: 15