Запчасти Case IH 8590 (05-10) - STUFFER AND STUFFER CLUTCH DRIVE ASSEMBLY, RIGHT (13) - FEEDER

Схема запчастей Case IH 8590 - (05-10) - STUFFER AND STUFFER CLUTCH DRIVE ASSEMBLY, RIGHT (13) - FEEDER
11
15
7
26
22
24
1
6
3
8
25
16
13
21
23
5
10
14
2
9
28
18
10
20
4
17
12
9
19
27
FIT
1:1
100%

Артикул

Название

Примечание

Количество

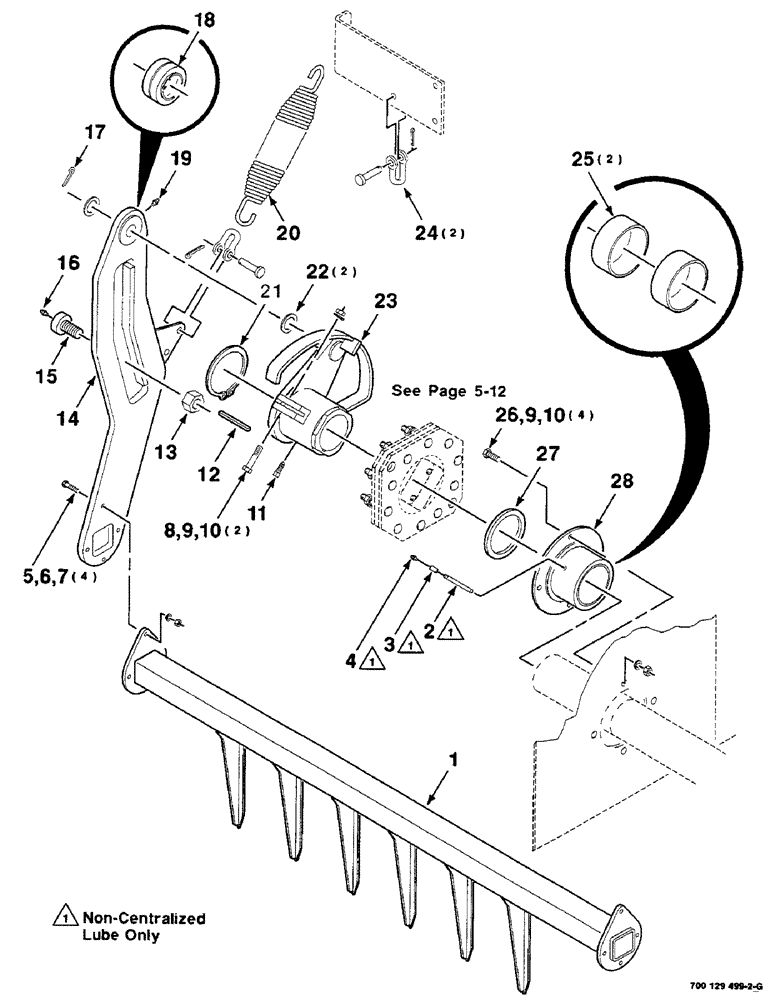
1

700112840

RAKE

FINGER WA - stuffer

1шт.

2

8746042

LUBE NIPPLE

NIPPLE

1шт.

3

217-1050

90 ELBOW,1/8" - 27 NPTF Female

1/8 X 90 DEGREE ELBOW

1шт.

4

219-1

LUBE NIPPLE,1/8" - 27 NPTF

1/8-27 ZERK

1шт.

5

413-624

BOLT,Hex, 3/8" - 16 x 1-1/2", Gr 5

4шт.

6

492-11038

LOCK WASHER,3/8"

4шт.

7

425-106

NUT,3/8"-16, Cl 5

4шт.

8

413-836

BOLT,Hex, 1/2" - 13 x 2-1/4", Gr 5

2шт.

9

80679

LOCK WASHER,1/20.507 CST ZND

WASHER, LOCK, 1/2"

6шт.

10

425-108

NUT,1/2" - 13, Gr 5

NUT, , Hex 1/2"-13, G5

6шт.

11

485-13816

SET SCREW,Sq Hd, 3/8"-16 x 1"

3/8-16 X 1 CPSQHSS

1шт.

12

6201404

KEY

5/16 X 5/16 X 3-3/4 KEY

1шт.

13

425-1118

NUT,1 1/8"-12, G5

1-1/8-12 H

1шт.

14

700150743

ARM

ASSEMBLY (Includes Item 18)

1шт.

15

7713837

CAM FOLLOWER

BEARING - cam, roller

1шт.

16

219-17

LUBE NIPPLE,3/16" NPTF

NIPPLE, LUBE, , Push 3/16" x .55" lg, Drive

1шт.

17

432-1632

COTTER PIN,1/4" x 2"

Pin, Split (Cotter), 1/4" x 2"

1шт.

18

D46620

BEARING,31.76 mm ID x 50.81 mm OD x 23.81 mm

BUSHING

1шт.

19

219-36

LUBE NIPPLE,45 Degree Elbow, 1/8" - 27 NPTF

1/8-27 X 90 DEGREE ZERK

1шт.

20

7758758

SPRING

- extension

1шт.

21

7852148

RING, SNAP

RING - retaining

1шт.

22

52324

BUSHING

1-1/4 X 10 GAUGE NRMB

2шт.

23

700112860

CRANK

WA - right

1шт.

24

766113

CLEVIS

(Includes Pins)

2шт.

25

700112892

BUSHING,101.21mm ID x 111.12mm OD x 44.45mm L

BEARING

2шт.

26

413-820

BOLT,Hex, 1/2" - 13 x 1-1/4", Gr 5

4шт.

27

700112886

SPACER

1шт.

28

700112876

SUPPORT ASSY.

SUPPORT ASSEMBLY (Includes Item 25)

1шт.

Выбрано товаров: 28