Запчасти Case IH 8590 (2-14) - GEARBOX AND CRANK ARM ASSEMBLY Driveline

Схема запчастей Case IH 8590 - (2-14) - GEARBOX AND CRANK ARM ASSEMBLY Driveline
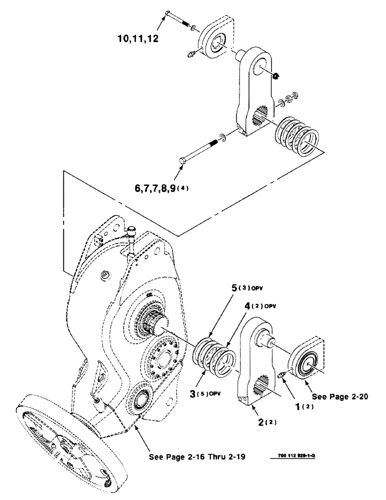
10
4
7
9
1
7
2
6
3
11
5
8
12
FIT
1:1
100%

Артикул

Название

Примечание

Количество

1

219-8

LUBE NIPPLE,1/4" - 28 NPTF

NIPPLE, LUBE, 1/4"-28 NPT x .54" lg

2шт.

2

700113023

ARM ASSY.

CRANK ASSEMBLY

2шт.

3

700708041

SHIM,150mm ID x 180mm OD x 1.21mm Thk

- 1.27/.050

5шт.

4

700708039

SHIM

- 0.64/.025

2шт.

5

700708038

SHIM,150mm ID x 180mm OD x 0.25mm Thk

0.25/.010

3шт.

6

700707996

BOLT

1-8 X 12 B GR8 NP

4шт.

7

496-21106

WASHER,1 1/16" x 2" x .209", HDN

8шт.

8

429-1016

NUT,1"-8, G8

4шт.

9

425-1416

JAM NUT,Jam, 1"-8, G5

1-8 J GR2

4шт.

10

413-12120

BOLT,Hex, 3/4" - 10 x 7-1/2", Gr 5

3/4-10 X 7-1/2 B

1шт.

11

705566

WASHER

3/4 HARDENED PLAIN WASHER

1шт.

12

232-41112

NUT,3/4"-10, GC

NUT, LOCK, 3/4"-10, GC

1шт.

Выбрано товаров: 12