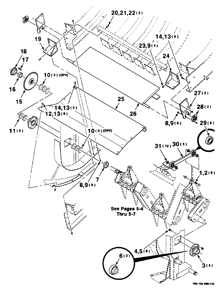
Запчасти Case IH 8590 (5-02) - PACKER MOUNTING AND FEEDER ASSEMBLY, LOWER (13) - FEEDER

Схема запчастей Case IH 8590 - (5-02) - PACKER MOUNTING AND FEEDER ASSEMBLY, LOWER (13) - FEEDER
5
24
6
23
10
17
3
31
13
9
14
13
28
9
14
10
27
9
1
20
11
30
4
29
16
8
19
7
2
25
22
26
15
18
13
12
8
21
FIT
1:1
100%

Артикул

Название

Примечание

Количество

1

413-1036

BOLT,Hex, 5/8" - 11 x 2-1/4", Gr 5

5/8-11 X 2-1/4 C

6шт.

2

232-41110

NUT,5/8"-11, GC

NUT, LOCK, 5/8"-11, GC

6шт.

3

700109753

BEARING ASSY,97 mm ID x 108 mm OD x 33 mm

BEARING ASSEMBLY (Includes Ref: 6)

4шт.

4

433-824

CARRIAGE BOLT,Sq Nk, 1/2" - 13 x 1 1/2", Gr 5

1/2-13 X 1-1/2 RHSNB

8шт.

5

700714586

FLANGE NUT

1/2-13 HFN GR 8

8шт.

6

712158

SPHERICAL BEARING,2" ID x 100 mm OD

BEARING - spherical

2шт.

7

700113666

SPACER

1шт.

8

433-512

CARRIAGE BOLT,Sq Nk, 5/16" - 18 x 3/4", Gr 5

14шт.

9

231-5145

SERRATED NUT,Flg, USR, 5/16"-18

NUT, Flg, USR, 5/16"-18

18шт.

10

52548

SPECIAL WASHER

2 X 14 GAUGE NRMB

6шт.

11

740407

BRUSH, COMMUTATOR

2 X 10 GAUGE NRMB

2шт.

12

111-360

CARRIAGE BOLT,Short NK, 3/8"-16 x 3/4", G5

BOLT, CARRIAGE, Short NK, 3/8"-16 x 3/4", G5

8шт.

13

231-5146

FLANGE NUT,3/8"-16

16шт.

14

434-616

CARRIAGE BOLT,Sht Sq Nk, 3/8" - 16 x 1", Gr 5

3/8-16 X 1 RHSNB

8шт.

15

700113663

SPROCKET

WA 80C38 TOOTH

1шт.

16

700113661

NUT

1-5/8-12 NUT STAKE

1шт.

17

Q81

KEY,Gib, 3/8" Sq x 1 3/4"

3/8 X 1-3/4 KEY - gib

1шт.

18

700706097

SPROCKET

60B15 TOOTH

1шт.

19

700112826

ANGLE

WA - right

1шт.

20

433-620

CARRIAGE BOLT,Sq Nk, 3/8" - 16 x 1 1/4", Gr 5

BOLT, CARRIAGE, Short NK, 3/8"-16 x 1 1/4", G5

2шт.

21

496-11041

WASHER,13/32" x 13/16" x .065", HDN

3/8 HARDENED PLAIN WASHER

2шт.

22

329-286

FLANGE NUT,Flg, 3/8"-16, G8

2шт.

23

409-7512

BOLT,Hex Flg, 5/16" - 18 x 3/4", Spcl

Hex Flg, 5/16-18 x 3/4", Serr

4шт.

24

700112825

ANGLE

WA - left

1шт.

25

700134962

PANEL

- front

1шт.

26

6525471

PANEL

WA

1шт.

27

700112815

SUPPORT

2шт.

28

N5077

FLANGED BEARING

FLANGE

2шт.

29

616154R92

BEARING, ROLLER, CYL,16 mm

BEARING - cylindrical

6шт.

30

700124036

LINK CONROD

LINK ASSEMBLY (Includes Ref: 29)

3шт.

31

700124038

BUSHING,16.27mm ID x 34.92mm OD x 10mm L

- bearing

12шт.

Выбрано товаров: 31