Запчасти Case IH 8590 (5-20) - PLUNGER CONNECTING ROD ASSEMBLY (13) - FEEDER

Схема запчастей Case IH 8590 - (5-20) - PLUNGER CONNECTING ROD ASSEMBLY (13) - FEEDER
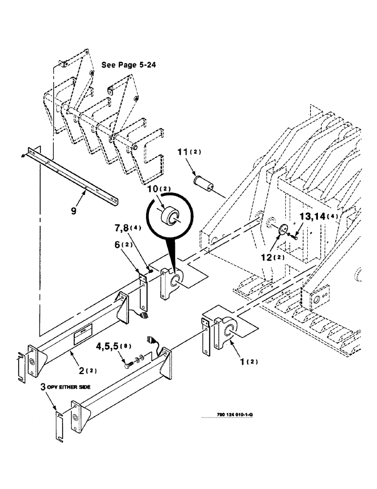
7
2
5
3
9
6
13
1
11
10
5
12
4
14
8
FIT
1:1
100%

Артикул

Название

Примечание

Количество

1

700113172

BEARING ASSY,57.15mm ID

BEARING ASSEMBLY (Includes Ref: 10)

2шт.

2

700129480

ARM

ROD ASSEMBLY (Includes decal)

2шт.

3

6565675

SHIM

1шт.

4

700706419

SCREW

3/4-10 X 2 C GR8 NP

8шт.

5

705566

WASHER

3/4 HARDENED PLAIN WASHER

16шт.

6

700113660

COVER PLATE

PLATE - plunger

2шт.

7

154273C1

BOLT,Hex Serr, 3/8" - 16 x 1", Spcl

3/8-16 X 1 HFSS

4шт.

8

231-5146

FLANGE NUT,3/8"-16

4шт.

9

700113193

ANGLE

1шт.

10

700706120

SPHERICAL BEARING,57.15 mm ID x 90.488 mm OD x 50.01 mm

BEARING - cylindrical

2шт.

11

700121646

SHAFT

2шт.

12

700113192

WASHER

PLATE

2шт.

13

413-824

BOLT,Hex, 1/2" - 13 x 1-1/2", Gr 5

4шт.

14

80679

LOCK WASHER,1/20.507 CST ZND

WASHER, LOCK, 1/2"

4шт.

Выбрано товаров: 14