Запчасти Case IH LB324P (35.570.040) - STANDARD AND PARTIAL BALE EJECTION MECHANISM, CYLINDER (35) - HYDRAULIC SYSTEMS

Схема запчастей Case IH LB324P - (35.570.040) - STANDARD AND PARTIAL BALE EJECTION MECHANISM, CYLINDER (35) - HYDRAULIC SYSTEMS
70.280.020
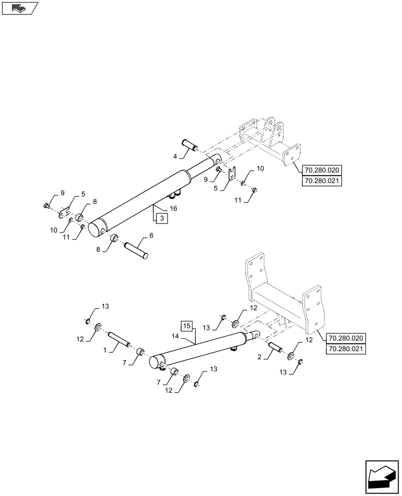
1
8
11
12
16
home
7
12
10
6
13
11
14
12
2
13
10
9
13
7
4
8
5
12
5
15
13
9
3
70.280.021
70.280.021
70.280.020
FIT
1:1
100%

Артикул

Название

Примечание

Количество

1

84529169

SHAFT,20mm OD x 135mm L

1шт.

2

87491174

SHAFT

1шт.

3

84470269

HYDRAULIC CYLINDER,Double Acting, 45mm Rod, 470mm Stroke

Incl 16, Serial Range: -C098

1шт.

3

47466446

HYDRAULIC CYLINDER

Incl 16, Serial Range: -D099

1шт.

4

84571834

SHAFT,25mm OD x 79mm L

1шт.

5

84571856

PLATE

2шт.

6

84571826

SHAFT,25mm OD x 137mm L

1шт.

7

84571868

SLEEVE,20mm ID x 30mm OD x 21mm L

2шт.

8

84571865

SPACER,25mm ID x 35mm OD x 16mm L

2шт.

9

338949

CARRIAGE BOLT,M10 x 1.5 x 25mm, Cl 8.8

2шт.

10

140045

BELLEVILLE WASHER,M10 Bolt Size x 22mm OD x 1.6mm Thk

2шт.

11

10016

O-RING

2шт.

12

378247

WASHER,21mm ID x 39mm OD x 3mm Thk

4шт.

13

370024

CIRCLIP,M20, Ext

4шт.

14

87745868

SEAL KIT

, Serial Range: -C098

1шт.

14

47666739

SEAL KIT

, Start Serial: D099

1шт.

15

84494145

HYDRAULIC CYLINDER,Double Acting, 35mm Rod, 460mm Stroke

Incl 14, Serial Range: -C098

1шт.

15

47655770

HYDRAULIC CYLINDER

Incl 14, Start Serial: D099

1шт.

16

84154203

SEAL KIT

1шт.

Выбрано товаров: 19