Запчасти Case IH LB324P (39.110.060) - JACK, SUPPORT - C174 (39) - FRAMES AND BALLASTING

Схема запчастей Case IH LB324P - (39.110.060) - JACK, SUPPORT - C174 (39) - FRAMES AND BALLASTING
39.100.020
6
9
15
18
12
4
16
7
2
1
17
10
11
3
11
home
13
8
10
2
3
5
39.110.080
14
39.110.020
FIT
1:1
100%

Артикул

Название

Примечание

Количество

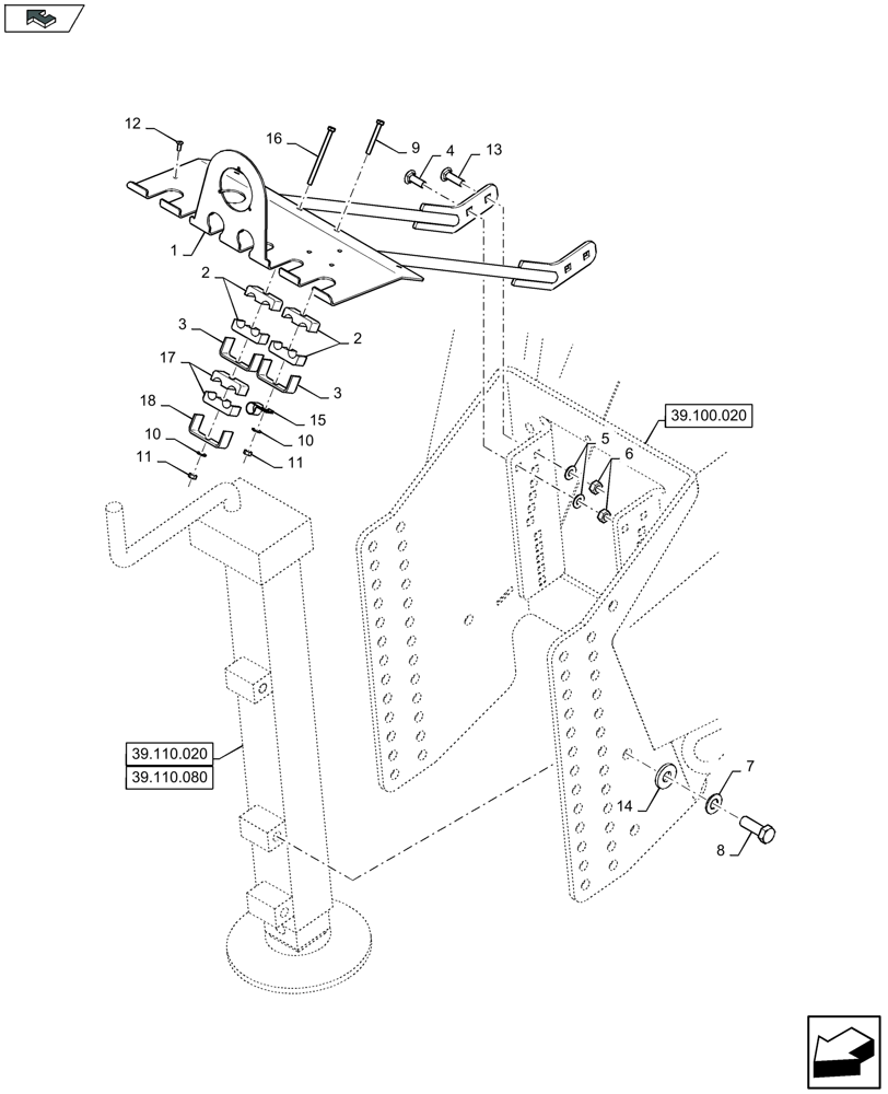
1

84528353

SUPPORT

1шт.

2

430356

CLAMP

8шт.

3

84814948

SUPPORT

4шт.

4

86512446

CARRIAGE BOLT,M10 x 1.5 x 30mm, Cl 8.8

3шт.

5

140045

BELLEVILLE WASHER,M10 Bolt Size x 22mm OD x 1.6mm Thk

4шт.

6

100016

NUT,M10 x 1.5, Cl 8

4шт.

7

140048

BELLEVILLE WASHER,M16 Bolt Size x 32mm OD x 2.8mm Thk

3шт.

8

84056523

BOLT,Hex, M16 x 45mm, Cl 10.9

3шт.

9

120056

BOLT,M6 x 1.0 x 54.15mm, Cl 8.8

3шт.

10

322357

BELLEVILLE WASHER,M6 Bolt Size x 14mm OD x 1.3mm Thk

4шт.

11

9706755

NUT,M6, Cl 8

4шт.

12

445394

RIVET,Pop, 3/16" x 1/2" OAL

1шт.

13

412183

CARRIAGE BOLT,Short Sq Nk, M10 x 35mm, Cl 8.8

, Serial Range: -C140

1шт.

13

84467161

CARRIAGE BOLT,Short Sq Nk, M10 x 1.5 x 35mm, Cl 8.8

, Start Serial: D141

1шт.

14

325594

WASHER,M17 x 40mm OD x 5mm Thk

3шт.

15

9706748

CLAMP,15.9mm, Coat, 8.7mm Bolt Hole, P Type

, Start Serial: D141

1шт.

16

120056

BOLT,M6 x 1.0 x 54.15mm, Cl 8.8

1шт.

FOR STANDARD JACK ONLY

1шт.

16

9850685

BOLT,Hex, M6 - 1 x 90mm, Cl 8.8

, Start Serial: D122

1шт.

FOR HYDRAULIC JACK ONLY

1шт.

17

430356

CLAMP

, Start Serial: D122

2шт.

FOR HYDRAULIC JACK ONLY

1шт.

18

84814948

SUPPORT

, Start Serial: D122

1шт.

FOR HYDRAULIC JACK ONLY

1шт.

Выбрано товаров: 24