Запчасти Case IH LB324P (55.418.041) - ELECTRICITY BALE CONTROL, CABLE KNOTTER - D137 (55) - ELECTRICAL SYSTEMS

Схема запчастей Case IH LB324P - (55.418.041) - ELECTRICITY BALE CONTROL, CABLE KNOTTER - D137 (55) - ELECTRICAL SYSTEMS
68.110.020
x200
1
home
x119
x900
2
x115
5
x600
3
4
x107
x108
55.418.031
68.160.010
FIT
1:1
100%

Артикул

Название

Примечание

Количество

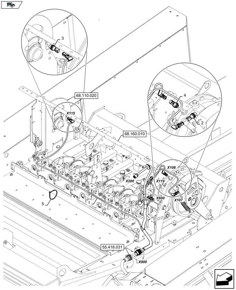
1

47554089

WIRE HARNESS

1шт.

2

84391774

SENSOR

B014 - Sensor Knotter Shield

1шт.

3

84391774

SENSOR

B012 - Sensor Bale Count

1шт.

4

84391778

SENSOR

B007 - Sensor Knotter Gearbox

1шт.

5

86566990

CABLE TIE,292mm OAL x 4.8mm W

1шт.

Выбрано товаров: 5