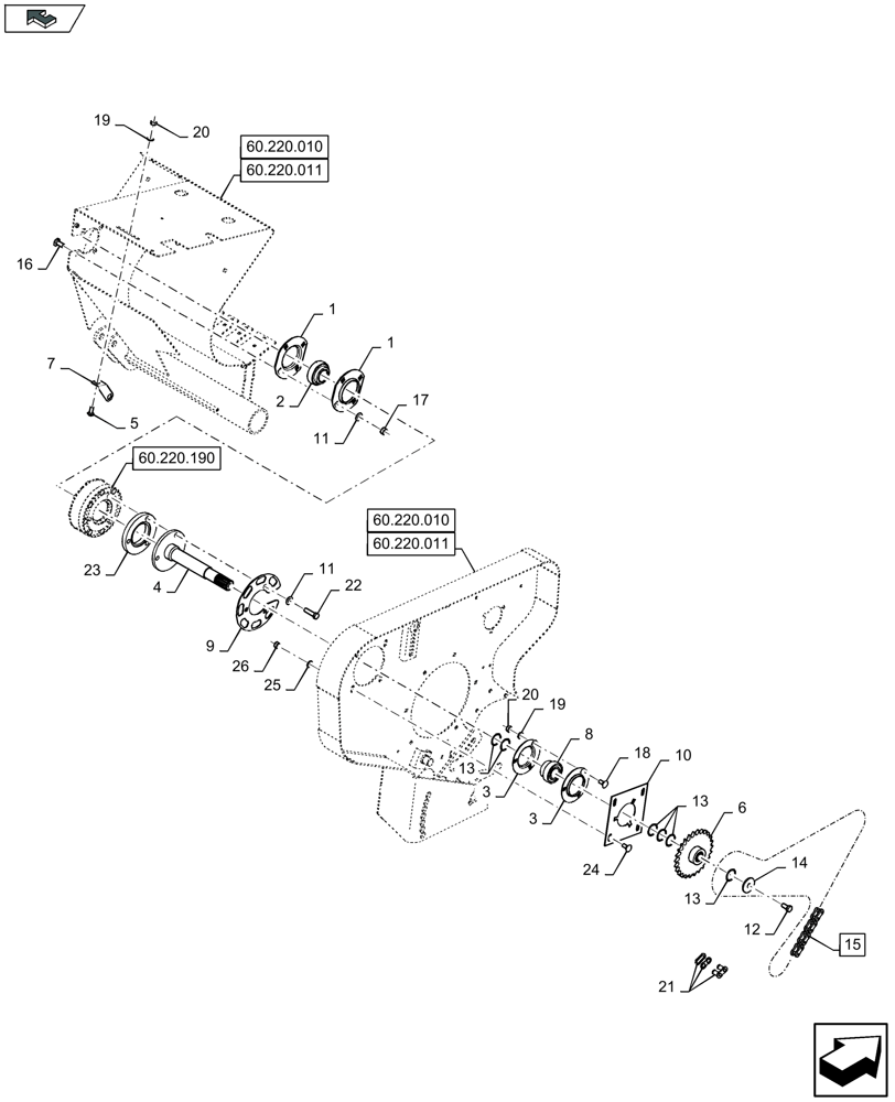
Запчасти Case IH LB324P (60.220.151) - PICK-UP, MAIN TRANSMISSION, RH - F085150 (60) - PRODUCT FEEDING

Схема запчастей Case IH LB324P - (60.220.151) - PICK-UP, MAIN TRANSMISSION, RH - F085150 (60) - PRODUCT FEEDING
60.220.010
23
3
20
18
1
9
14
13
19
26
22
5
17
7
2
4
11
10
13
8
3
12
1
24
19
13
11
6
home
16
20
25
15
21
60.220.011
60.220.011
60.220.190
60.220.010
FIT
1:1
100%

Артикул

Название

Примечание

Количество

1

86620027

FLANGED BEARING,80.02mm ID x 147.6mm OD x 4mm Thk

2шт.

2

84240146

BEARING,40mm ID x 80mm OD x 21mm W

1шт.

MAINTENANCE PART

1шт.

3

36403

BEARING HOUSING

2шт.

4

47500242

SHAFT

1шт.

FOR LB324S, LB324P, LB334S, LB334P ONLY

1шт.

4

47500119

SHAFT

1шт.

FOR LB424S, LB434S ONLY

1шт.

5

86633356

CARRIAGE BOLT,M10 x 34.8mm, Cl 8.8

1шт.

6

84572644

SPROCKET

1шт.

7

84348545

SUPPORT

, Serial Range: -C149

1шт.

7

47934522

SUPPORT

, Start Serial: D150

1шт.

8

322360

BALL BEARING,35mm ID x 72mm OD x 19mm W

1шт.

MAINTENANCE PART

1шт.

9

87681337

PLATE

1шт.

10

9850764

PANEL

, Serial Range: -C149

1шт.

10

47961702

PLATE

, Start Serial: D150

1шт.

11

140046

BELLEVILLE WASHER,M12 Bolt Size x 27mm OD x 1.8mm Thk

7шт.

12

9706687

BOLT,M12 x 1.75 x 30mm, Cl 8.8

1шт.

13

84429871

WASHER

6шт.

14

9801096

WASHER,13.5mm ID x 50.8mm OD x 4.76mm Thk

1шт.

15

84299019

CHAIN,120 Links 19.05mm = 2286mm L

Incl 21, Serial Range: -C098

1шт.

MAINTENANCE PART

1шт.

15

47663325

CHAIN,120 Links 19.05mm = 2286mm L

Incl 21, Serial Range: -F099130

1шт.

MAINTENANCE PART

1шт.

15

47794657

CHAIN

Incl 21, Start Serial: D131

1шт.

MAINTENANCE PART

1шт.

16

120044

CARRIAGE BOLT,M12 x 1.75 x 30mm, Cl 8.8

4шт.

17

9706685

NUT,M12 x 1.75, Cl 8

4шт.

18

338949

CARRIAGE BOLT,M10 x 1.5 x 25mm, Cl 8.8

3шт.

19

140045

BELLEVILLE WASHER,M10 Bolt Size x 22mm OD x 1.6mm Thk

4шт.

20

100016

NUT,M10 x 1.5, Cl 8

4шт.

21

165590

CONNECTING LINK

, Serial Range: -C130

1шт.

MAINTENANCE PART

1шт.

21

47783767

CONNECTING LINK

, Start Serial: D131

1шт.

MAINTENANCE PART

1шт.

22

9706687

BOLT,M12 x 1.75 x 30mm, Cl 8.8

, Serial Range: -C098

3шт.

22

9628065

SCREW,Hex, M12 x 1.75 x 45mm, Cl 8.8

, Start Serial: D099

3шт.

23

47690582

SPACER

, Serial Range: -F099106

1шт.

23

47745546

SPACER

, Start Serial: D107

1шт.

24

338949

CARRIAGE BOLT,M10 x 1.5 x 25mm, Cl 8.8

, Serial Range: -C149

4шт.

24

86595832

CARRIAGE BOLT,Sht Sq Nk, M16 x 40mm, Cl 8.8, Full Thd

, Start Serial: D150

4шт.

25

140045

BELLEVILLE WASHER,M10 Bolt Size x 22mm OD x 1.6mm Thk

, Serial Range: -C149

4шт.

25

86625266

WASHER,17.5mm ID x 30mm OD x 4mm Thk

, Start Serial: D150

4шт.

26

100016

NUT,M10 x 1.5, Cl 8

, Serial Range: -C149

4шт.

26

86000441

NUT,M16 x 2.0, Cl 8

, Start Serial: D150

4шт.

Выбрано товаров: 46