Запчасти Case IH LB324P (60.220.170) - PICK-UP, MAIN TRANSMISSION, LH - C150 (60) - PRODUCT FEEDING

Схема запчастей Case IH LB324P - (60.220.170) - PICK-UP, MAIN TRANSMISSION, LH - C150 (60) - PRODUCT FEEDING
5
6
4
2
5
4
5
home
8
7
4
60.280.020
2
3
60.280.120
1
60.220.010
6
FIT
1:1
100%

Артикул

Название

Примечание

Количество

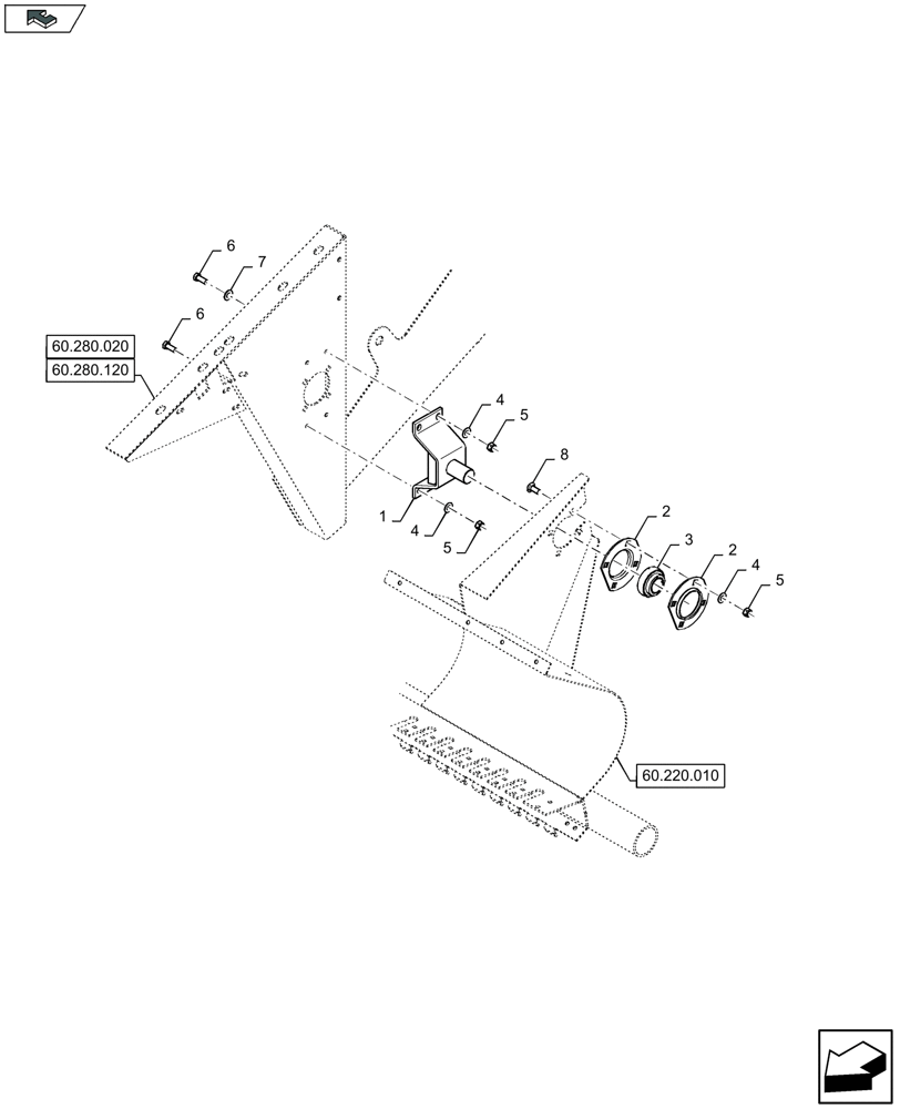
1

84372941

SPINDLE

1шт.

2

86620027

FLANGED BEARING,80.02mm ID x 147.6mm OD x 4mm Thk

2шт.

3

84240146

BEARING,40mm ID x 80mm OD x 21mm W

1шт.

MAINTENANCE PART

1шт.

4

140046

BELLEVILLE WASHER,M12 Bolt Size x 27mm OD x 1.8mm Thk

8шт.

5

100038

NUT,M12 x 1.75, Cl 8

8шт.

6

9706687

BOLT,M12 x 1.75 x 30mm, Cl 8.8

, Serial Range: -C098

4шт.

6

300389

BOLT,M12 x 1.75 x 35mm, Cl 8.8

, Start Serial: D099

4шт.

7

378245

WASHER,13mm ID x 28.5mm OD x 2.7mm Thk

2шт.

8

120044

CARRIAGE BOLT,M12 x 1.75 x 30mm, Cl 8.8

4шт.

Выбрано товаров: 10