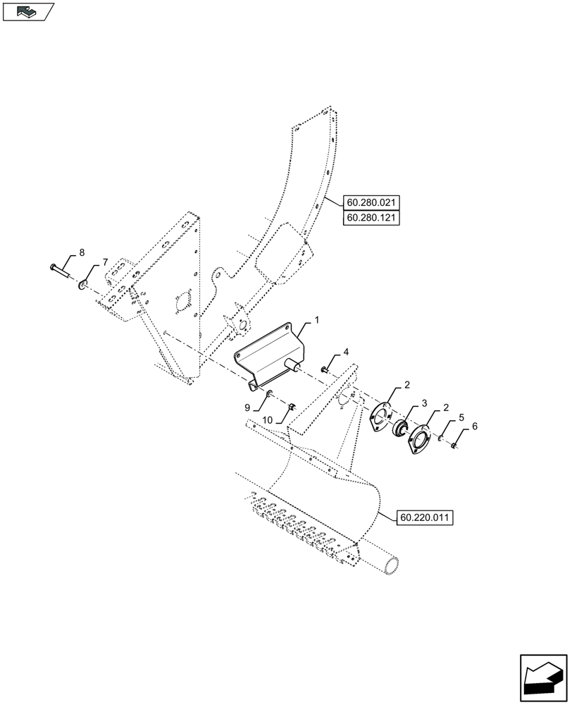
Запчасти Case IH LB324P (60.220.171) - PICK-UP, MAIN TRANSMISSION, LH - D151 (60) - PRODUCT FEEDING

Схема запчастей Case IH LB324P - (60.220.171) - PICK-UP, MAIN TRANSMISSION, LH - D151 (60) - PRODUCT FEEDING
60.280.121
8
2
3
2
10
1
5
6
7
4
home
9
60.280.021
60.220.011
FIT
1:1
100%

Артикул

Название

Примечание

Количество

1

47966465

SPINDLE

1шт.

2

86620027

FLANGED BEARING,80.02mm ID x 147.6mm OD x 4mm Thk

2шт.

3

84240146

BEARING,40mm ID x 80mm OD x 21mm W

1шт.

MAINTENANCE PART

1шт.

4

120044

CARRIAGE BOLT,M12 x 1.75 x 30mm, Cl 8.8

4шт.

5

140046

BELLEVILLE WASHER,M12 Bolt Size x 27mm OD x 1.8mm Thk

4шт.

6

100038

NUT,M12 x 1.75, Cl 8

4шт.

7

333041

WASHER,16.5mm ID x 49mm OD x 6mm Thk

4шт.

8

374889

BOLT,Hex, M16 x 100mm, Cl 8.8

4шт.

9

140048

BELLEVILLE WASHER,M16 Bolt Size x 32mm OD x 2.8mm Thk

4шт.

10

86000441

NUT,M16 x 2.0, Cl 8

4шт.

Выбрано товаров: 11