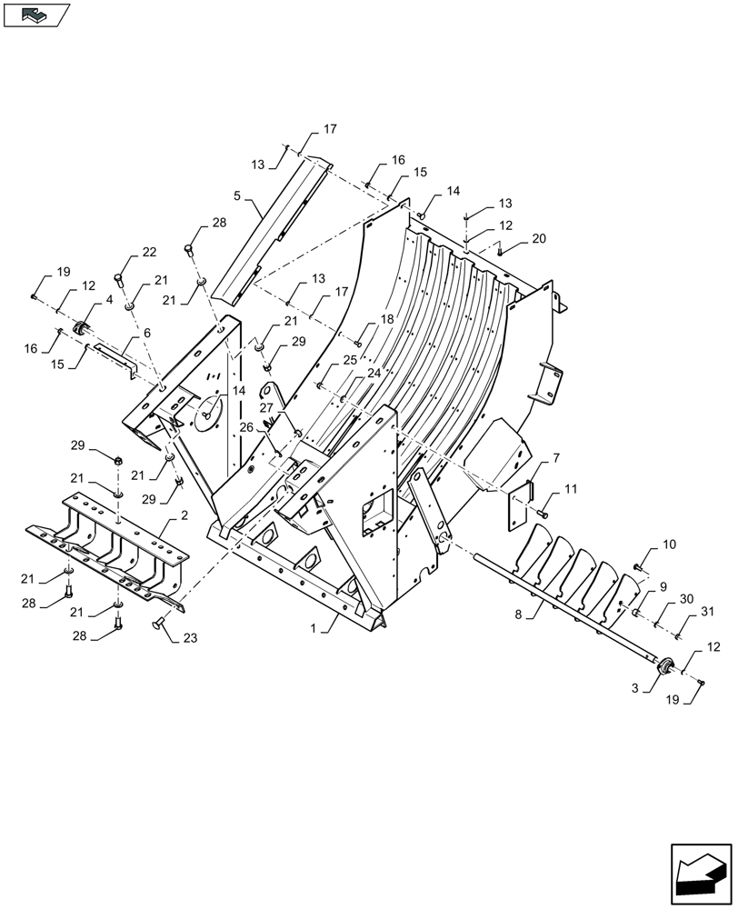
Запчасти Case IH LB324P (60.280.120) - FEED CHAMBER, FRAME - C150 (60) - PRODUCT FEEDING

Схема запчастей Case IH LB324P - (60.280.120) - FEED CHAMBER, FRAME - C150 (60) - PRODUCT FEEDING
10
21
16
5
26
4
22
home
7
27
29
28
14
28
19
29
29
9
25
13
14
18
2
15
21
16
31
17
1
6
21
20
3
30
11
12
24
23
13
17
21
8
13
28
15
12
12
21
19
21
21
FIT
1:1
100%

Артикул

Название

Примечание

Количество

1

84262894

CHANNEL

1шт.

2

47372123

SUPPORT

, Serial Range: -C049

1шт.

2

47435137

SUPPORT

, Start Serial: D050

1шт.

3

9837806

FLANGED BEARING,25mm ID

1шт.

4

9839087

NYLON BEARING,25.5mm ID x 50mm OD x 30mm Thk

1шт.

5

84476336

SHIELD

, Serial Range: -C084

1шт.

5

47509040

SHIELD

, Start Serial: D085

1шт.

6

84073277

PLATE

1шт.

7

84100500

PLATE

1шт.

8

84262913

SHAFT

, Serial Range: -C049

1шт.

8

47454389

SHAFT

, Start Serial: D050

1шт.

9

84004713

BUSHING,10.5mm ID x 25mm OD x 18mm L

, Serial Range: -C129

1шт.

10

412183

CARRIAGE BOLT,Short Sq Nk, M10 x 35mm, Cl 8.8

, Serial Range: -C129

1шт.

11

300389

BOLT,M12 x 1.75 x 35mm, Cl 8.8

2шт.

12

322358

BELLEVILLE WASHER,M8 Bolt Size x 18mm OD x 1.4mm Thk

8шт.

13

9706690

NUT,M8 x 1.25, Cl 8

1шт.

14

338949

CARRIAGE BOLT,M10 x 1.5 x 25mm, Cl 8.8

5шт.

15

140045

BELLEVILLE WASHER,M10 Bolt Size x 22mm OD x 1.6mm Thk

5шт.

16

100016

NUT,M10 x 1.5, Cl 8

5шт.

17

86624184

WASHER,9mm ID x 16mm OD x 1.6mm Thk

1шт.

18

308761

CARRIAGE BOLT,M8 x 1.25 x 25mm, Cl 8.8

1шт.

19

120104

BOLT,Hex, M8 x 1.25 x 20mm, Cl 8.8

4шт.

20

43127

BOLT,Hex, M8 x 1.25 x 25mm, Cl 8.8

4шт.

21

394631

WASHER,17mm ID x 34mm OD x 4mm Thk

1шт.

22

120090

BOLT,Hex, M16 x 50mm, Cl 8.8

2шт.

23

86595832

CARRIAGE BOLT,Sht Sq Nk, M16 x 40mm, Cl 8.8, Full Thd

2шт.

24

140046

BELLEVILLE WASHER,M12 Bolt Size x 27mm OD x 1.8mm Thk

2шт.

25

9706685

NUT,M12 x 1.75, Cl 8

2шт.

26

140048

BELLEVILLE WASHER,M16 Bolt Size x 32mm OD x 2.8mm Thk

2шт.

27

100020

NUT,M16 x 2.0, Cl 8

2шт.

28

43168

BOLT,Hex, M16 x 40mm, Cl 8.8

1шт.

29

86000441

NUT,M16 x 2.0, Cl 8

16шт.

30

140045

BELLEVILLE WASHER,M10 Bolt Size x 22mm OD x 1.6mm Thk

, Serial Range: -C129

1шт.

31

100016

NUT,M10 x 1.5, Cl 8

, Serial Range: -C129

1шт.

Выбрано товаров: 34